Functional networking
- IHKA Basis and IHKA High
The following illustration shows the functional networking for the integrated automatic heating and air-conditioning system in basic version (IHKA Basis) and High version (IHKA High). The rear automatic rear air-conditioning system (FKA) is part of the IHKA High, but for reasons of space it is shown separately.
Courtesy of BMW OF NORTH AMERICA, INC.
Item Explanation 1 Locator lighting in the ventilation grille, B-pillar on the left 2 Controller (CON) 3 Central gateway module (ZGM) 4 Dual water valve 5 Auxiliary water pump 6 Outside temperature sensor 7 Refrigerant pressure sensor 8 Automatic air recirculation control sensor 9 Junction Box Electronics (JBE) 10 Power distributor in junction box 11 Central information display (CID) 12 Ioniser 13 Blower output stage 14 Blower motor 15 Ventilation temperature sensor, front right 16 Heat exchanger sensor, right 17 Evaporator temperature sensor 18 Heat exchanger sensor, left 19 Ventilation temperature sensor, front left 20 Electric auxiliary heater 21 Power distribution box in the engine compartment 22 IHKA Basis: ventilation-flap motor on the left(1) IHKA High with FKA: Ventilation flap motor, outer left(1) 23 Other flap motors(1) 24 Footwell flap motor, front left(1) 25 Fresh-air-flap motor(1) 26 Recirculated-air-flap motor(1) 27 Ventilation grille at the front left with locator lighting. Limit-position switch only for IHKA High with FKA 28 Instrument panel (KOMBI) 29 Front center ventilation grille with locator lighting and 2 stratification controls. Limit-position switches (2 pieces) only for IHKA High with FKA 30 Footwell module (FRM) 31 Rain-light-solar-condensation sensor 32 Roof function center (FZD) 33 Ventilation grille at the front right with locator lighting. Limit-position switch only for IHKA High with FKA 34 A/C compressor with magnetic coupling and control valve 35 Locator lighting in the ventilation grille, B-pillar on the right 36 IHKA control unit D-CAN Diagnosis-on CAN Body CAN Body CAN K-CAN2 Body CAN 2 Terminal 15N Switch off terminal 15N with after-run Kl. 30 Terminal 30 permanent positive Terminal 30B Terminal 30B, base operation Terminal 30F Shutdown of terminal 30F in event of failure Terminal 31L Terminal 31L, load earth Terminal 58g Terminal 58g, locator lighting LIN LIN bus PT-CAN Drive train CAN (1) The stepper motors are switched in series on the LIN bus. - Automatic rear air-conditioning system (FKA)
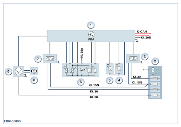
The following illustration shows the functional networking for the rear automatic rear air-conditioning system (FKA). The rear automatic rear air-conditioning system (FKA) is part of the IHKA High, but for reasons of space it is shown separately.
Courtesy of BMW OF NORTH AMERICA, INC.
Item Explanation 1 FKA control unit 2 Power distribution box, rear 3 Electric auxiliary heater, rear right 4 Rear-cabin footwell-temperature sensor, right 5 Rear-cabin footwell-temperature sensor, left 6 Rear compartment ventilation grille with locator lighting, 2 stratification controls and 2 rear-cabin ventilation temperature sensor 7 Electric auxiliary heater, rear left 8 Rear-compartment blower motor 9 Output stage for rear compartment blower motor Body CAN Body CAN Terminal 15N Switch off terminal 15N with after-run Terminal 30 Terminal 30 permanent positive Terminal 30B Terminal 30B, base operation Terminal 58g Terminal 58g locator lighting - Automatic rear air conditioning (HKA)
The following illustration shows the functional networking for the automatic rear air conditioning (HKA).
Courtesy of BMW OF NORTH AMERICA, INC.
Item Explanation 1 HKA control unit 2 Roof air vent on the left with locator lighting and temperature sensor 3 Central gateway module (ZGM) 4 Instrument panel (KOMBI) 5 Footwell module (FRM) 6 Left-hand control panel on the rear air conditioner with temperature selector wheel, button for manual variation of the amount of air and light-emitting diodes to indicate the selected amount of air 7 Refrigerant shutoff valve, front 8 Right-hand control panel on the rear air conditioner with temperature selector wheel, button for manual variation of the amount of air, light-emitting diodes to indicate the selected amount of air and electronic component 9 Roof air vent on the right with locator lighting and temperature sensor 10 Power distribution box, rear 11 Blower motor for rear air conditioner 12 Blower output stage, rear air conditioner 13 Right-hand air distribution flap motor in the rear air conditioner(1) 14 Left-hand air distribution flap motor in the rear air conditioner(1) 15 Right-hand mixing flap drive in the rear air conditioner(1) 16 Left-hand mixing flap drive in the rear air conditioner(1) 17 Refrigerant shutoff valve, rear 18 Evaporator temperature sensor for rear air conditioner Body CAN Body CAN Kl. 30 Terminal 30 permanent positive Terminal 30B Terminal 30B, base operation Terminal 58g Terminal 58g, locator lighting LIN LIN bus (1) The stepper motors are switched in series on the LIN bus.