LEMON Manuals: Even more car manuals for everyone: 1960-2025
Home >> BMW >> 2013 >> 528i >> Repair and Diagnosis (Single Page) >> General Information >> OEM General Information >> Functional Description - F10 - HVAC System, Steering System, Restraints System >> Steering System - Functional Description >> Electromechanical Power Steering (EPS) (Ver. 1) >> Functional networking EPS
April 5, 2026: LEMON Manuals is launched! Read the announcement.

Functional networking EPS

Fig 1: EPS - Circuit Diagram
G09873144Courtesy of BMW OF NORTH AMERICA, INC.

Shown F25

Item Explanation
1 DME (Digital Engine Electronics) or DDE (Digital Diesel Electronics)
2 Steering-torque sensor
3 Electromechanical power steering (EPS) with servomotor and rotor position sensor
4 Power distribution box, engine compartment
5 Dynamic stability control (DSC)
6 Front fuse and relay module
7 Junction Box Electronics (JBE)
8 Integrated chassis management (ICM)
9 Instrument panel (KOMBI)
10 Central gateway module (ZGM)
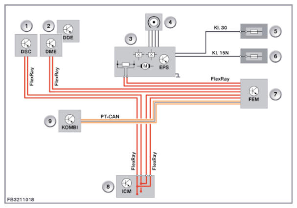
Fig 2: DSC - Circuit Diagram
G09873145Courtesy of BMW OF NORTH AMERICA, INC.

Displayed F2x, F3x

Item Explanation
1 Dynamic stability control (DSC)
2 DME (Digital Engine Electronics) or DDE (Digital Diesel Electronics)
3 Electromechanical power steering (EPS) with servomotor and rotor position sensor
4 Steering-torque sensor
5 Power distribution box, engine compartment
6 Front fuse and relay module
7 Front Electronic Module (FEM)
8 Integrated chassis management (ICM)
9 Instrument panel (KOMBI)
Fig 3: Power Distribution Box - Circuit Diagram
G09873146Courtesy of BMW OF NORTH AMERICA, INC.

F15 shown

Item Explanation
1 Power distribution box, engine compartment
2 Electromechanical power steering (EPS) with servomotor and rotor position sensor
3 Steering-torque sensor
4 Dynamic stability control (DSC)
5 DME (Digital Engine Electronics) or DDE (Digital Diesel Electronics)
6 Front fuse and relay module
7 Body Domain Controller
8 Integrated chassis management (ICM)
9 Steering column switch cluster
10 Instrument panel (KOMBI)