LEMON Manuals: Even more car manuals for everyone: 1960-2025
Home >> BMW >> 2013 >> 528i >> Repair and Diagnosis (Single Page) >> General Information >> OEM General Information >> Functional Description - F10 - HVAC System, Steering System, Restraints System >> Steering System - Functional Description >> Electromechanical Power Steering (EPS) (Ver. 2) >> System network: EPS 12 V
April 5, 2026: LEMON Manuals is launched! Read the announcement.

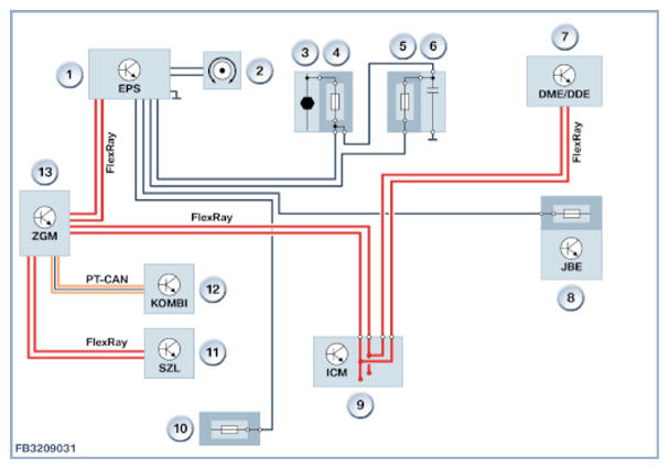
System network: EPS 12 V

Fig 1: Electromechanical Power Steering - Circuit Diagram (EPS 12 V)
G09873154Courtesy of BMW OF NORTH AMERICA, INC.

Shown here: EPS 12 V

Item Explanation
1 EPS control unit
2 Steering-torque sensor
3 only EPS with Integral Active Steering: 
Jump start terminal point
4 only EPS with Integral Active Steering: 
Safety fuse on the jump start terminal point
5 only EPS with Integral Active Steering: 
Fuse in the capacitor box
6 only EPS with Integral Active Steering: 
Ignition capacitor in the capacitor box
7 DME (Digital Engine Electronics) or DDE (Digital Diesel Electronics)
8 Fuse
9 Integrated chassis management (ICM)
10 only EPS without Integral Active Steering: 
Fuse in power distribution box on the battery
11 Steering column switch center (SZL)
12 Instrument panel (KOMBI)
13 Central gateway module (ZGM)