LEMON Manuals: Even more car manuals for everyone: 1960-2025
Home >> BMW >> 2013 >> ActiveHybrid 7 >> Repair and Diagnosis (Single Page) >> General Information >> OEM General Information >> Functional Description -- ACTIVEHYBRID 7 >> Power Control Unit >> System functions >> Functional networking, vehicle electrical system support
April 5, 2026: LEMON Manuals is launched! Read the announcement.

Functional networking, vehicle electrical system support

The following graphics show the functional networking.

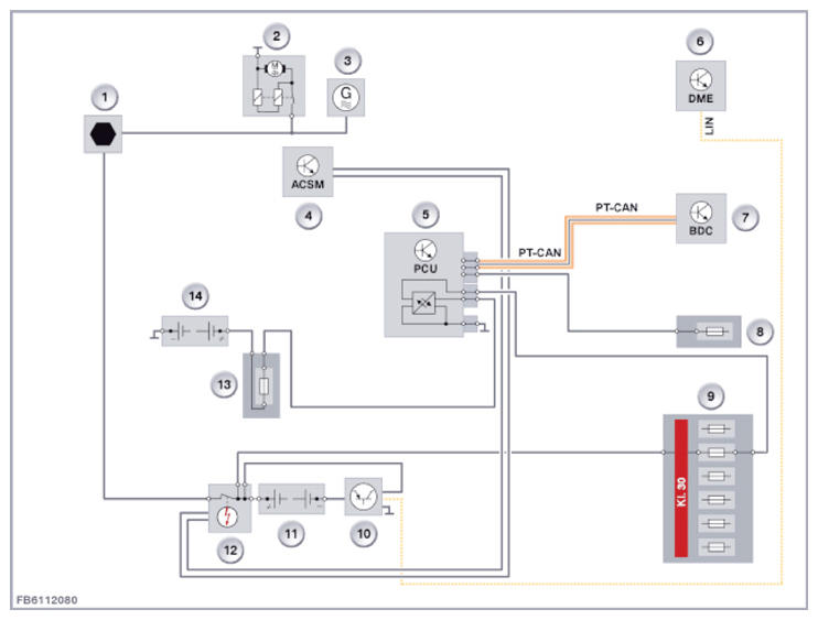
Fig 1: Body Domain Controller Communication Diagram
G09872904Courtesy of BMW OF NORTH AMERICA, INC.

Example F15

Item Explanation
1 Jump start terminal point
2 Starter motor
3 Alternator
4 Crash Safety Module (ACSM)
5 Power Control Unit (PCU)
6 Digital engine electronics
7 Body Domain Controller (BDC)
8 Power distribution box, right rear
9 Power distribution box, battery
10 Intelligent battery sensor
11 System battery
12 Safety battery terminal
13 Additional fuse carrier
14 Auxiliary battery
NOTE: The Power Control Unit is connected to the Body Domain Controller (BDC) via the PT-CAN.
Fig 2: Power Control Unit Communication Diagram
G11184340Courtesy of BMW OF NORTH AMERICA, INC.

Example G11

Item Explanation
1 Digital Engine Electronics or Digital Diesel Electronics (DME or DDE)
2 Alternator
3 Starter motor
4 Power distribution box, engine compartment
5 Auxiliary battery
6 Power distribution box, battery
7 Front right power distribution box
8 Body Domain Controller (BDC)
9 CAN terminator
10 Power distribution box, rear
11 Fuse box 3
12 Power Control Unit (PCU)
13 Fuse box
14 Battery
NOTE: The Power Control Unit is connected to the engine control unit (DME/DDE) via the PT-CAN2.