LEMON Manuals: Even more car manuals for everyone: 1960-2025
Home >> BMW >> 2013 >> M3 2D Convertible, Standard Trans >> Repair and Diagnosis (Single Page) >> General Information >> OEM General Information >> Functional Description -- M3 Convertible >> Anti-Theft System - Functional Description >> Electronic Immobilizer >> CAS: Car Access System
April 5, 2026: LEMON Manuals is launched! Read the announcement.

CAS: Car Access System

> not E83

The CAS control unit is the master control unit for the electronic immobilizer. The electronic immobilizer is integrated in the CAS.

The secret code is stored in the CAS control unit so that it is tamper-proof.

The CAS control unit is a bus user on the K-CAN (body CAN) and on the body bus. The CAS control unit is the interface to the insertion slot for the remote key.

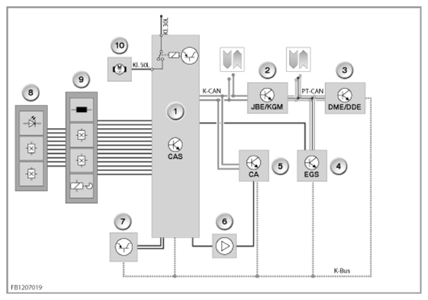
Fig 1: Car Access System - Circuit Diagram
G09895205Courtesy of BMW OF NORTH AMERICA, INC.
Item Explanation
1 Comfort Access System (CAS)
2 Junction box electronics (JBE) or Body Gateway Module (KGM)
3 Digital Engine Electronics (DME) or Digital Diesel Electronics (DDE)
4 Electronic transmission control (EGS) > only E70: Connection on body bus
5 Comfort Access (CA: Comfort Access)
6 Remote control receiver
7 Electric steering lock
8 START/STOP button
9 Insertion slot with remote key
10 Starter motor
Terminal 30L Terminal 30L
Terminal 50L Terminal 50L
Body bus Body bus (also called CAS bus)
Body CAN Body CAN
PT-CAN Drive train CAN