LEMON Manuals: Even more car manuals for everyone: 1960-2025
Home >> BMW >> 2015 >> M5 Standard Trans >> Repair and Diagnosis (Single Page) >> General Information >> OEM General Information >> Functional Description - F10 - HVAC System, Steering System, Restraints System >> Steering System - Functional Description >> Single-axle air suspension >> System functions
April 5, 2026: LEMON Manuals is launched! Read the announcement.

System functions

The self-levelling suspension works by supplying or extracting air into or out of the air springs.

The ride height sensors provide the EHC control unit with information on the heights of the left and right sides of the vehicle. If the ride heights are outside of the specified tolerance (depending on vehicle condition, e.g. engine running), the system regulates to the nominal ride-level height setting via the air supply system.

Fig 1: EHC Control Unit - Circuit Diagram
G09910220Courtesy of BMW OF NORTH AMERICA, INC.

F0x before 09/2010 shown.

Item Explanation
1 EHC control unit
2 Central gateway module (ZGM)
3 Air supply system
4 Solenoid valve block
5 Solenoid valve for control of the rear left air spring
6 Solenoid valve for control of the rear right air spring
7 Compressor with add-on parts
8 Discharge valve
9 Electric motor
10 Compressor relay
11 Power distribution box, rear
12 Rear left ride height sensor (only connected directly to EHC control unit before 09/2010)
13 Rear right ride height sensor (only connected directly to EHC control unit before 09/2010)
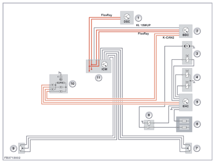
Fig 2: ICM - Circuit Diagram
G09910221Courtesy of BMW OF NORTH AMERICA, INC.

F15 shown

Item Explanation
1 Dynamic stability control (DSC)
2 Body Domain Controller
3 Compressor with add-on parts
4 Valve block
5 Electronic ride height control (EHC)
6 Power distribution box, right rear
7 Rear right ride height sensor
8 Compressor relay
9 Rear left ride height sensor

Changes to the load mainly take place when the vehicle is at a standstill, before or after a journey. In order to load the vehicle, the doors or luggage compartment/tailgate have to be opened. The system is activated when a door or the tailgate is opened. The system only switches off several minutes after the driver leaves the vehicle.

In order to distinguish load changes from other influences such as uneven roads, the signals of the ride height sensors are filtered. For correct use, two signals filtered at different frequencies are computed for each signal (low-pass filtering with fast and slow filtering). Fast filtering is always employed when regulation is in progress. Slow filtering is used while the vehicle is being driven to monitor the control thresholds. This type of filtering means that vibrations produced by the roadway surface are filtered out.

Both sides of the vehicle are adjusted individually. This means that the nominal/actual value comparison is also run for both sides individually. Exception: Checking the minimum height in the Pre mode and in the control function "transposition". With these control functions, the mean values of the left and right-hand sides of the vehicle are taken into account.

The EHC control unit uses the various signals and messages to detect the various driving conditions. Depending on the driving conditions, the adapted control functions are switched accordingly.

The following control functions of the single-axle air suspension are described:

NOTE: all times and dimensions cited below are examples only.

The actual coding data depend on the model series and vehicle equipment.