LEMON Manuals: Even more car manuals for everyone: 1960-2025
Home >> BMW >> 2015 >> i3 Range Extender >> Repair and Diagnosis (Single Page) >> General Information >> OEM General Information >> Functional Description -- I3_I01 >> Electrical Digital Motor Electronics >> System functions >> Interfaces cooling
April 5, 2026: LEMON Manuals is launched! Read the announcement.

Interfaces cooling

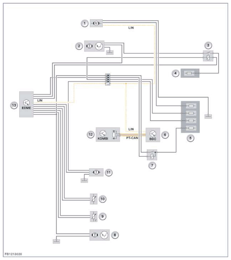
The following system overview shows the interfaces of the cooling using the example of I01 with the range extender:

G11149393Courtesy of BMW OF NORTH AMERICA, INC.
Item Explanation
1 Radiator blind drive (active air-flap control)
2 Front electric fan
3 Electric fan relays
4 Power distribution box, battery
5 Power distribution box Life module
6 Body Domain Controller
7 Electric fan relay 2 for electric fan of engine compartment
8 Electric fan of engine compartment
9 Temperature sensor, engine compartment
10 Temperature sensor 2 of engine compartment
11 Electric coolant pump
12 Instrument panel (KOMBI)
13 Electrical Digital Motor Electronics (EDME)