LEMON Manuals: Even more car manuals for everyone: 1960-2025
Home >> BMW >> 2016 >> M5 Standard Trans >> Repair and Diagnosis (Single Page) >> General Information >> OEM General Information >> Functional Description - F10 - Charging System, Anti-Theft System, Body Electrical System >> Body Electrical System - Functional Description >> Servotronic (SVT) >> System overview
April 5, 2026: LEMON Manuals is launched! Read the announcement.

System overview

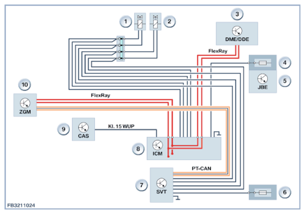
Fig 1: Servotronic Control Unit - Circuit Diagram (RR4)
G09910201Courtesy of BMW OF NORTH AMERICA, INC.

Example RR4

Item Explanation
1 Servotronic valve
2 ECO valve
3 DME (Digital Engine Electronics) or DDE (Digital Diesel Electronics)
4 Power distribution box at the junction box
5 Junction Box Electronics (JBE)
6 Power distribution box, right rear
7 Servotronic control unit (SVT)
8 Integrated Chassis Management (ICM), first-generation
9 Car access system (CAS)
10 Central gateway module (ZGM)
Fig 2: Servotronic Control Unit - Circuit Diagram (F15)
G09910202Courtesy of BMW OF NORTH AMERICA, INC.

Example F15

Item Explanation
1 Servotronic valve
2 ECO valve
3 DME (Digital Engine Electronics) or DDE (Digital Diesel Electronics)
4 Dynamic stability control (DSC)
5 Front power distribution box, passenger's side
6 Body Domain Controller
7 Servotronic control unit (SVT)
8 Integrated chassis management (ICM)
9 Steering angle sensor