LEMON Manuals: Even more car manuals for everyone: 1960-2025
Home >> BMW >> 2016 >> M5 Standard Trans >> Repair and Diagnosis (Single Page) >> General Information >> OEM General Information >> Functional Description - F10 - Stability Control System, Tire & Wheel System, Lubrication System >> Stability Control System - Functional Description >> Dynamic stability control (DSC) >> System functions
April 5, 2026: LEMON Manuals is launched! Read the announcement.

System functions

The following graphic shows the functional networking: F25

Fig 1: Electromechanical Parking Brake - Circuit Diagram
G09908337Courtesy of BMW OF NORTH AMERICA, INC.
Item Explanation
1 Front left wheel speed sensor
2 Brake pad wear sensor, front left
3 Brake fluid level switch
4 Digital engine electronics
5 EPS control unit with rotor position sensor for calculation of the steering angle
6 Power distribution box, engine compartment
7 Dynamic stability control (DSC)
8 Front right wheel speed sensor
9 Junction Box Electronics (JBE)
10 Front fuse and relay module
11 Power distribution box, rear
12 Rear right wheel speed sensor
13 Brake pad wear sensor, rear right
14 Controller
15 Center console operating facility with DTC button
16 Parking brake button
17 Integrated chassis management (ICM)
18 Electromechanical parking brake (EMF) (only F25)
19 Rear left wheel speed sensor
20 Instrument panel (KOMBI)
21 Car access system (CAS)
22 Footwell module (FRM)
23 Central gateway module (ZGM)
24 Brake light switch

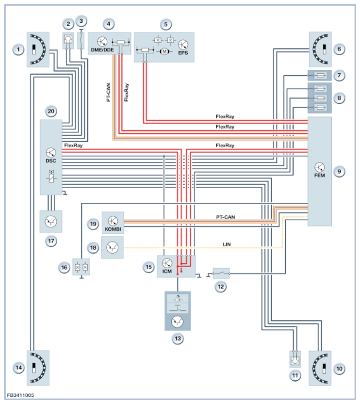
The following graphic shows the functional networking: F2x, F3x

Fig 2: Electromechanical Parking Brake - Circuit Diagram
G09908338Courtesy of BMW OF NORTH AMERICA, INC.
Item Explanation
1 Front left wheel speed sensor
2 Brake pad wear sensor, front left
3 Brake fluid level switch
4 DME (Digital Engine Electronics) or DDE (Digital Diesel Electronics)
5 EPS control unit with rotor position sensor for calculation of the steering angle
6 Power distribution box, engine compartment
7 Dynamic stability control (DSC)
8 Front right wheel speed sensor
9 Junction Box Electronics (JBE)
10 Front fuse and relay module
11 Power distribution box, rear
12 Rear right wheel speed sensor
13 Brake pad wear sensor, rear right
14 Controller
15 Center console operating facility with DTC button
16 Parking brake button
17 Integrated chassis management (ICM)
18 Electromechanical parking brake (EMF)
19 Rear left wheel speed sensor
20 Instrument panel (KOMBI)
21 Car access system (CAS)
22 Footwell module (FRM)
23 Central gateway module (ZGM)
24 Brake light switch

The following system functions are described for the DSC: