LEMON Manuals: Even more car manuals for everyone: 1960-2025
Home >> BMW >> 2019 >> M2 Standard Trans >> Repair and Diagnosis (Single Page) >> General Information >> OEM General Information >> Functional Description - F22/F23/F87 (2 Of 2) >> Cooling System - Functional Description >> Engine cooling >> System overview
April 5, 2026: LEMON Manuals is launched! Read the announcement.

System overview

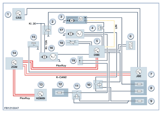
Fig 1: Engine Cooling Communication Diagram
G09841357Courtesy of BMW OF NORTH AMERICA, INC.
Item Explanation
1 Car access system (CAS)
2 Ignition and injection relay
3 Radiator blind drive
4 Mechanical radiator shutter drive
5 Digital engine electronics
6 Engine ventilation heating
7 Junction Box Electronics (JBE)
8 Front fuse and relay module
9 Luggage compartment power distribution box
10 Relay for electric fan (electric fan 400 Watts or 600 Watts)
11 Relay for electric fan (electric fan 850 Watts or 1000 Watts)
12 Power distribution box, battery
13 Instrument panel (KOMBI)
14 Central gateway module (ZGM)
15 Coolant level switch
16 Coolant pump
17 Electric fan
18 Coolant temperature sensor
19 Power distribution box, engine compartment