LEMON Manuals: Even more car manuals for everyone: 1960-2025
Home >> Buick >> 1992 >> Roadmaster Base >> Repair and Diagnosis >> Body & Frame >> Power Windows >> Removal & Installation >> Notes
April 5, 2026: LEMON Manuals is launched! Read the announcement.

Removal & Installation: Notes

WARNING: Vehicles are equipped with air bag supplemental restraint system. Before attempting any repairs involving steering column, instrument panel or related components, see SERVICE PRECAUTIONS and DISABLING & ACTIVATING AIR BAG SYSTEM in AIR BAG RESTRAINT SYSTEM article.
CAUTION: When battery is disconnected, vehicle computer and memory systems may lose memory data. Driveability problems may exist until computer systems have completed a relearn cycle. See COMPUTER RELEARN PROCEDURES article in GENERAL INFORMATION before disconnecting battery.
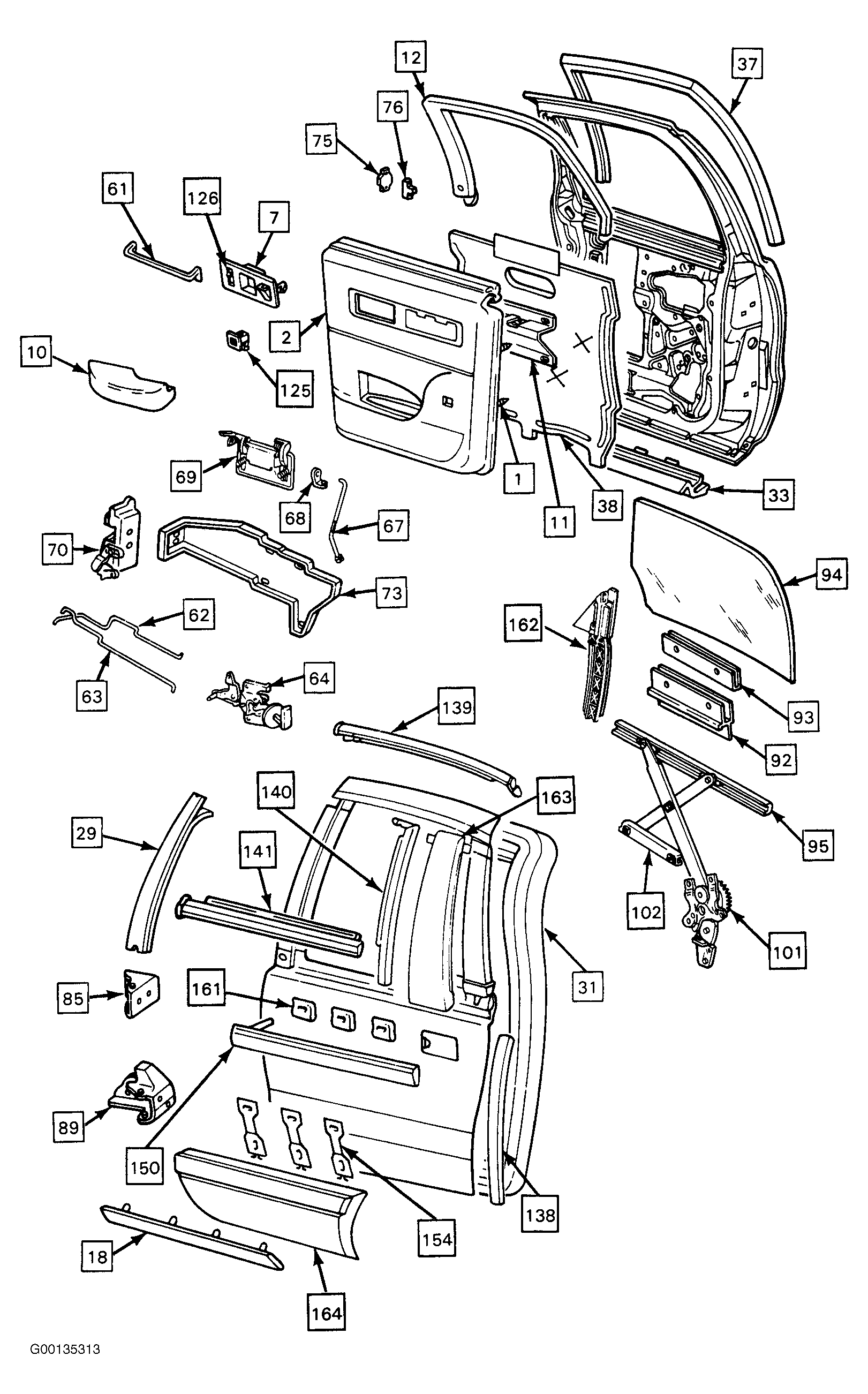
NOTE: For exploded view of front and rear doors refer to illustrations. See Fig 1 -Fig 4 for front doors or Fig 5 -Fig 8 for rear doors.
Fig 1: Exploded View Of Front Door Components (Sedan)
G00135307Courtesy of GENERAL MOTORS CORP.
Fig 2: Front Door Components Legend (Sedan)
G00135308Courtesy of GENERAL MOTORS CORP.
Fig 3: Exploded View Of Front Door Components (Wagon)
G00135309Courtesy of GENERAL MOTORS CORP.
Fig 4: Front Door Components Legend (Wagon)
G00135310Courtesy of GENERAL MOTORS CORP.
Fig 5: Exploded View Of Rear Door Components (Sedan)
G00135311Courtesy of GENERAL MOTORS CORP.
Fig 6: Rear Door Components Legend (Sedan)
G00135312Courtesy of GENERAL MOTORS CORP.
Fig 7: Exploded View Of Rear Door Components (Wagon)
G00135313Courtesy of GENERAL MOTORS CORP.
Fig 8: Rear Door Components Legend (Wagon)
G00135314Courtesy of GENERAL MOTORS CORP.