LEMON Manuals: Even more car manuals for everyone: 1960-2025
Home >> Buick >> 1992 >> Roadmaster Base >> Repair and Diagnosis >> Engine Performance >> System >> Engine Controls - System/Component Tests >> Wiring Diagrams
April 5, 2026: LEMON Manuals is launched! Read the announcement.

Wiring Diagrams

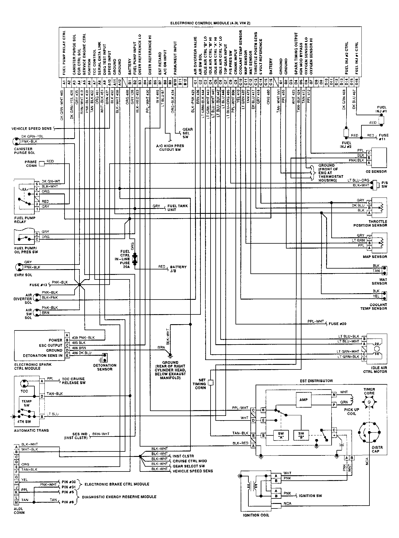
Fig 1: ECM Wiring Diagram, 4.3L VIN Z
G92I05879
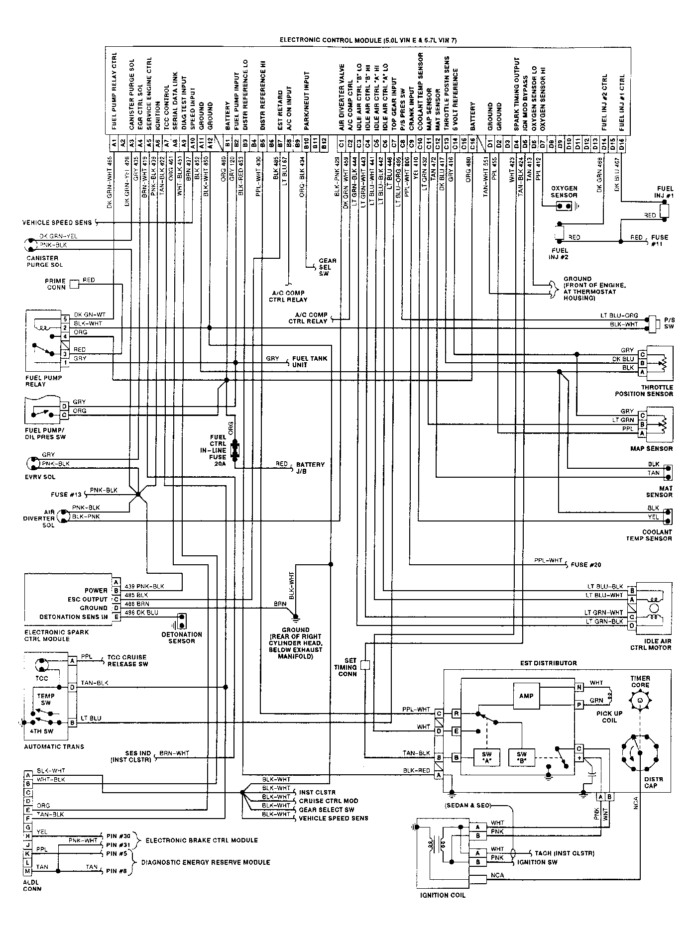
Fig 2: ECM Wiring Diagram, 5.0L VIN E & 5.7L VIN 7
G92B05885