LEMON Manuals: Even more car manuals for everyone: 1960-2025
Home >> Buick >> 2004 >> Century Base >> Repair and Diagnosis (Single Page) >> General Information >> Identification >> General Information >> Introduction >> Key and Lock Cylinder Coding >> Cutting Keys
April 5, 2026: LEMON Manuals is launched! Read the announcement.

Cutting Keys

IMPORTANT: The vehicle's PASS-Key®II resistor code MUST be determined before duplicating or creating an ignition key. Refer to Replacing Keys in Theft Deterrent to determine the PASS-Key®II resistor code.
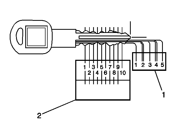
    Fig 1: Determining Mechanical Key Code
    GM793170Courtesy of GENERAL MOTORS CORP.
  1. After the mechanical key code has been determined from the code list, perform the following steps:
  2. Cut a blank key to the proper level (1) of each of the tumbler positions (2).
  3. Inspect the key operation in the lock cylinder.