LEMON Manuals: Even more car manuals for everyone: 1960-2025
Home >> Buick >> 2007 >> Allure CXS >> Repair and Diagnosis >> Engine Performance >> System >> Engine Control System & Fuel System - 3.6L - Introduction (2 Of 2) >> Schematic and Routing Diagrams >> Engine Controls Schematics
April 5, 2026: LEMON Manuals is launched! Read the announcement.

Engine Controls Schematics

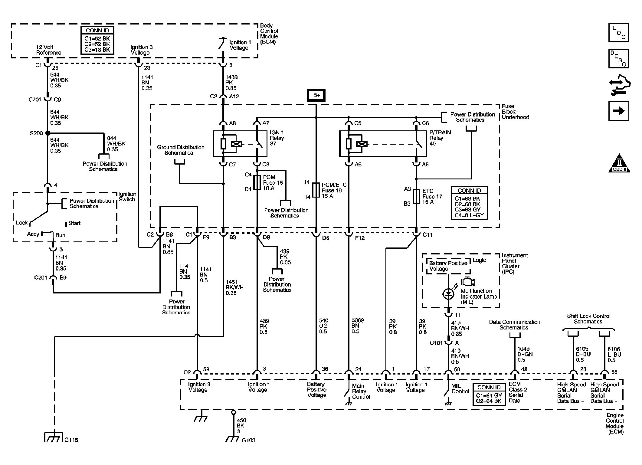
Fig 1: Module Power, Ground, Serial Data, and MIL
GM1801776Courtesy of GENERAL MOTORS CORP.
Fig 2: 5-Volt and Low Reference - 1 of 2
GM1801796Courtesy of GENERAL MOTORS CORP.
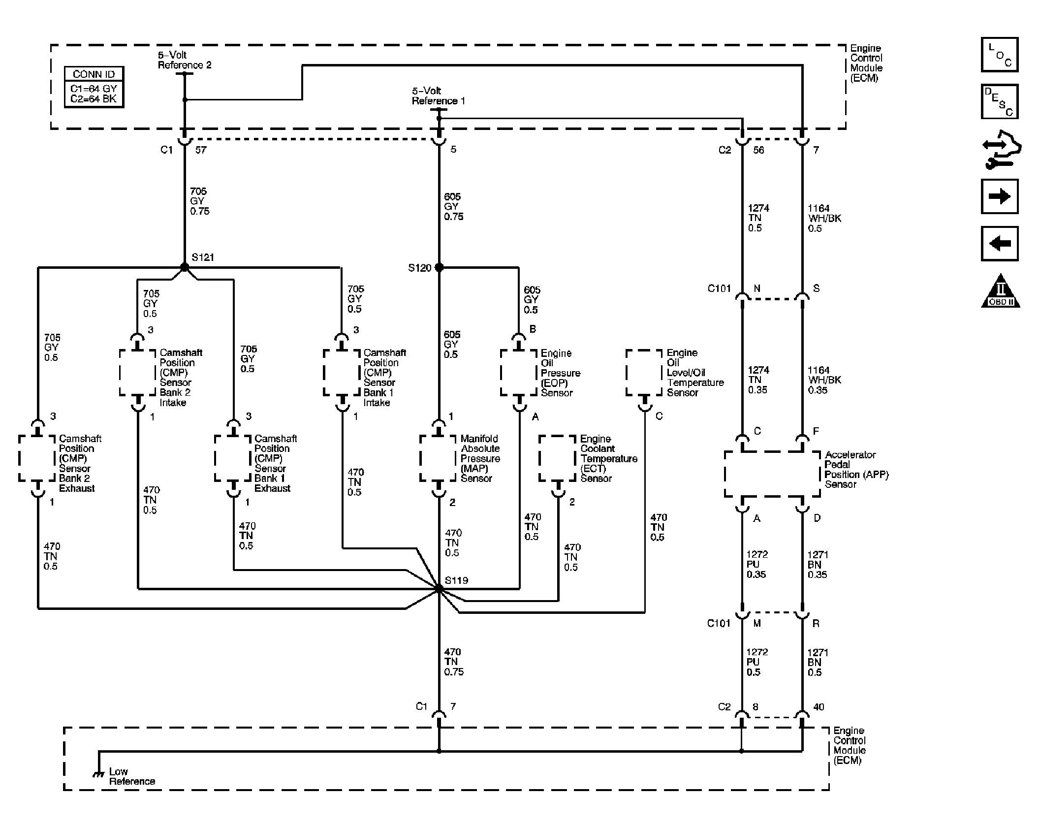
Fig 3: 5-Volt and Low Reference - 2 of 2
GM1801804Courtesy of GENERAL MOTORS CORP.
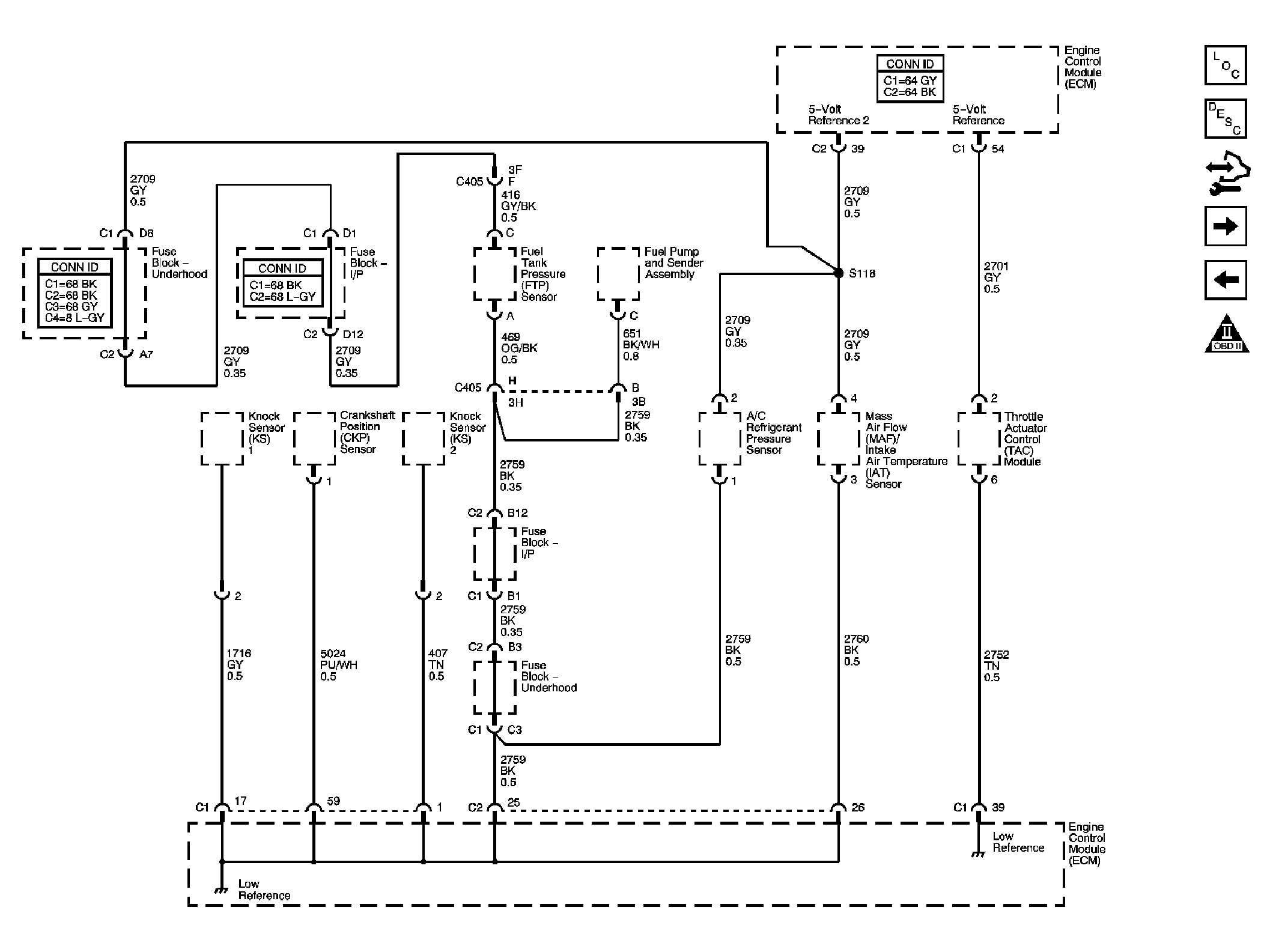
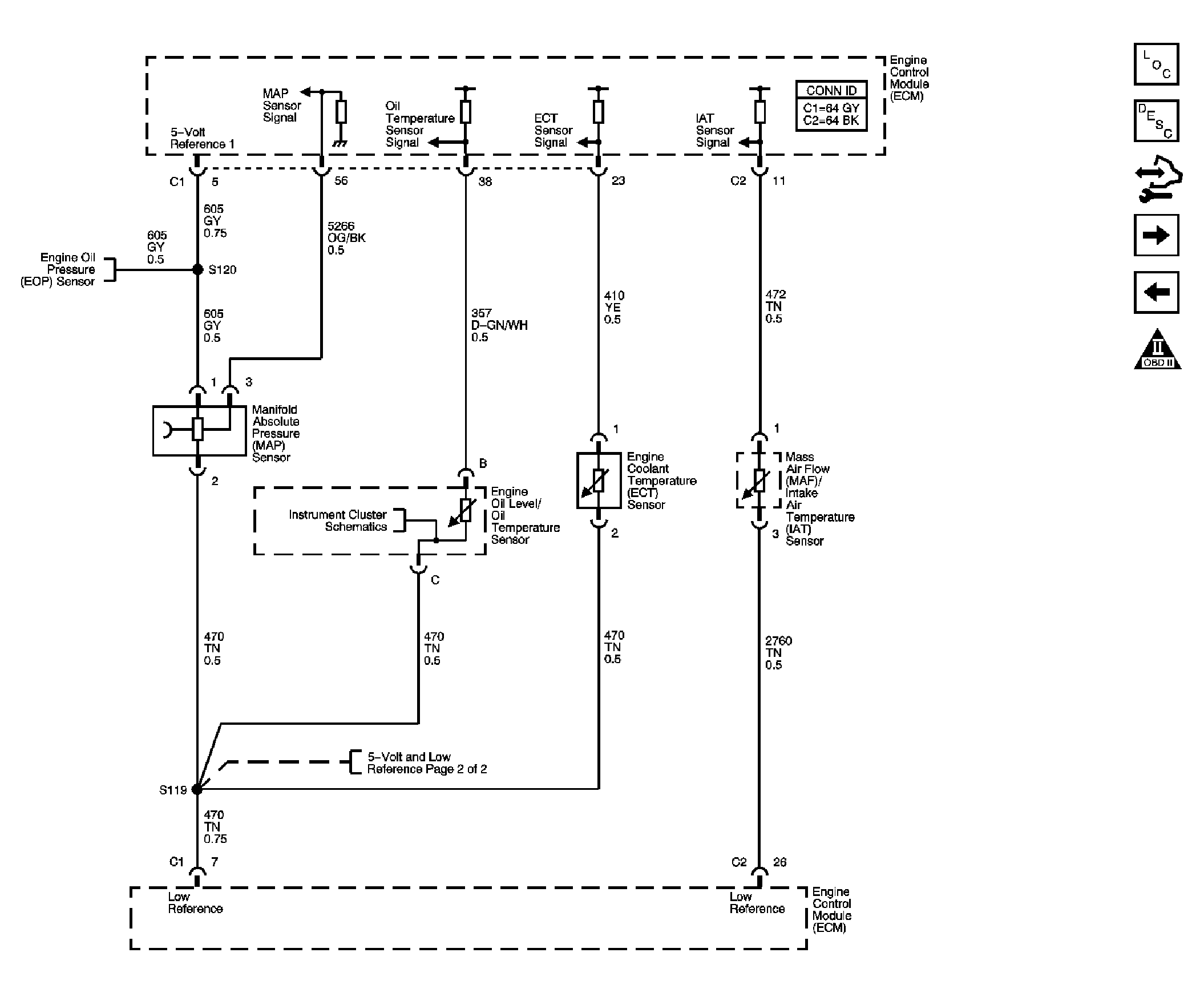
Fig 4: Pressure and Temperature Sensors
GM1801808Courtesy of GENERAL MOTORS CORP.
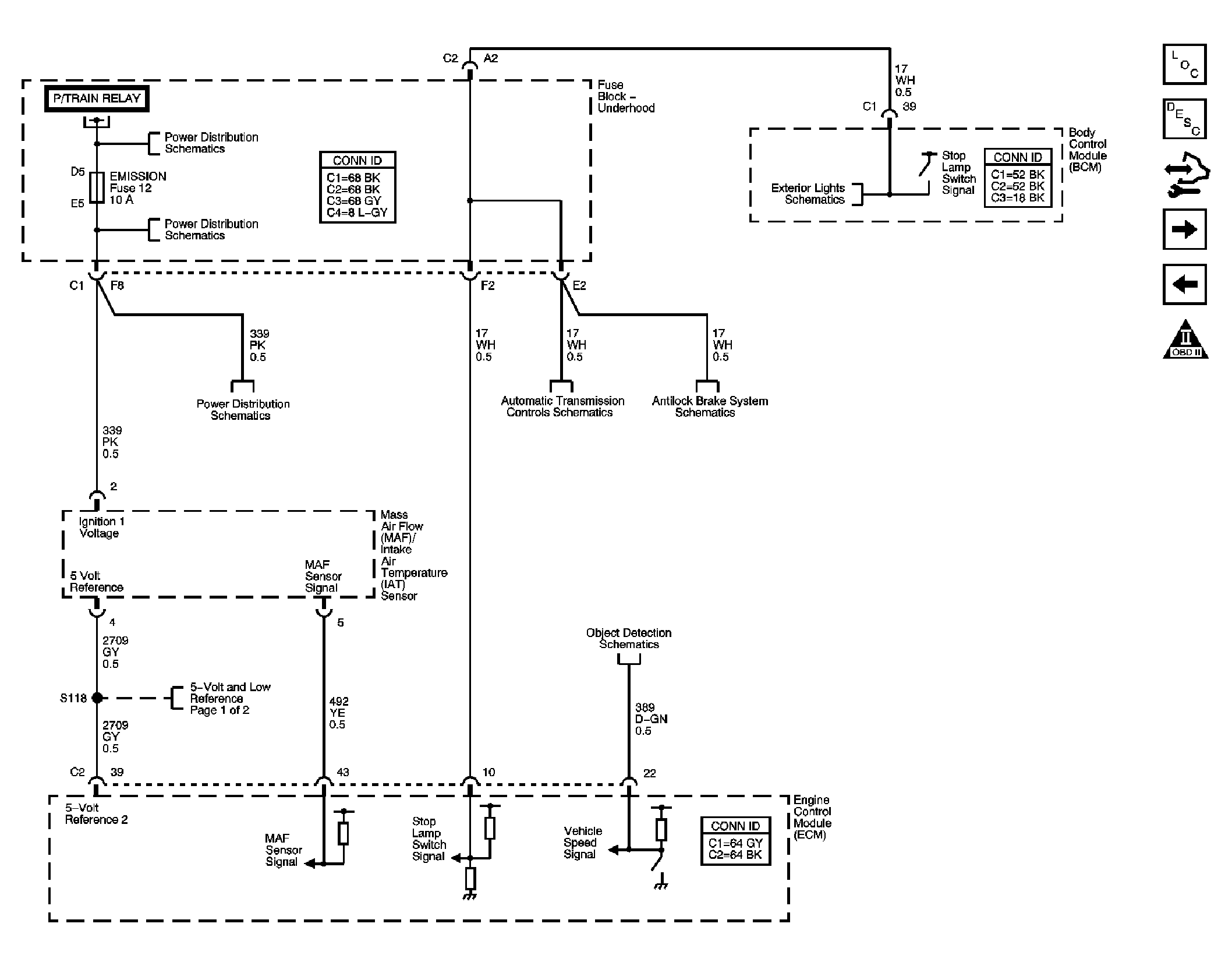
Fig 5: MAF, VSS and Stop Lamp Switch
GM1801810Courtesy of GENERAL MOTORS CORP.
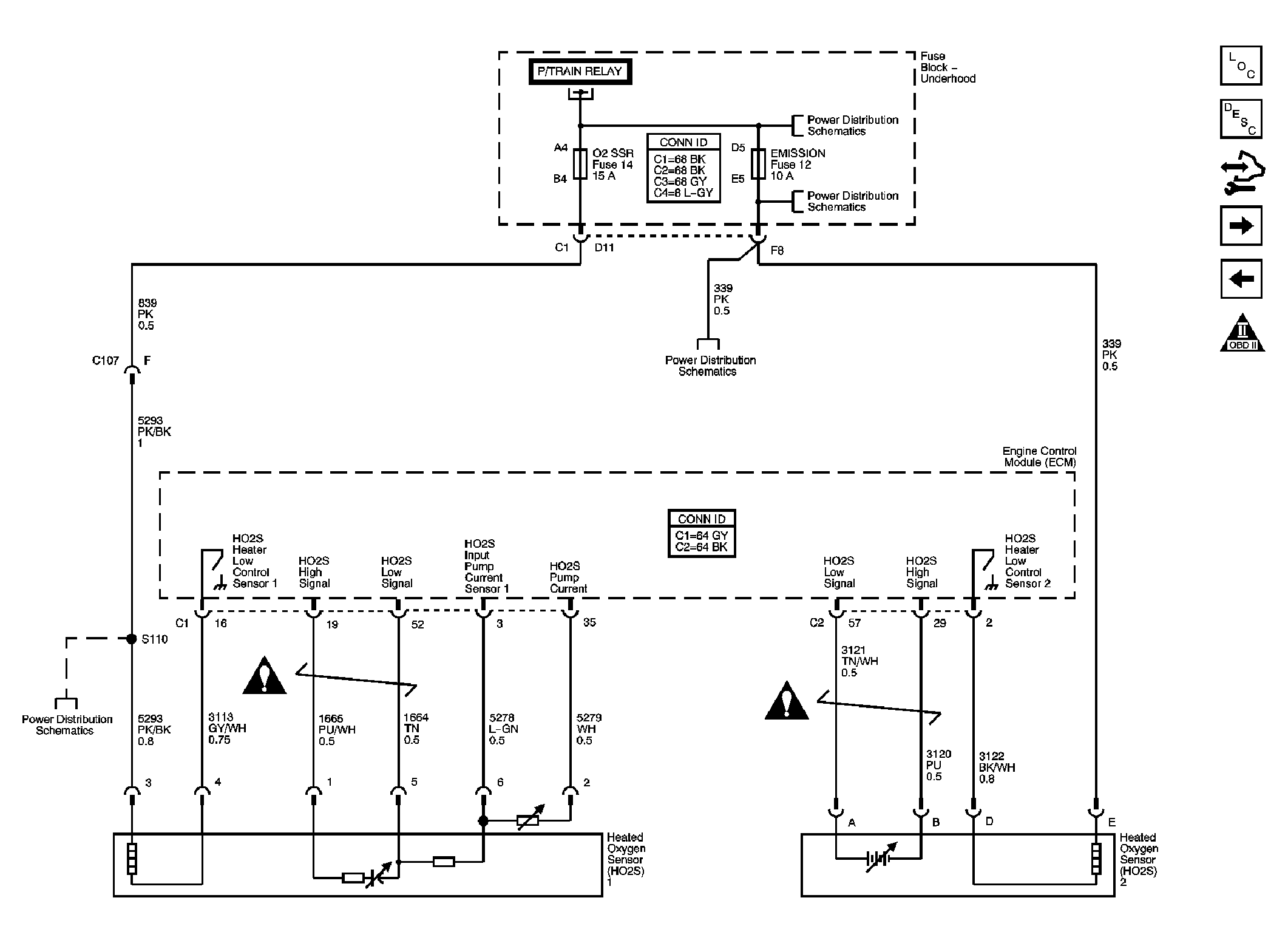
Fig 6: Oxygen Sensors
GM1801823Courtesy of GENERAL MOTORS CORP.
Fig 7: Electronic Throttle Controls
GM1801824Courtesy of GENERAL MOTORS CORP.
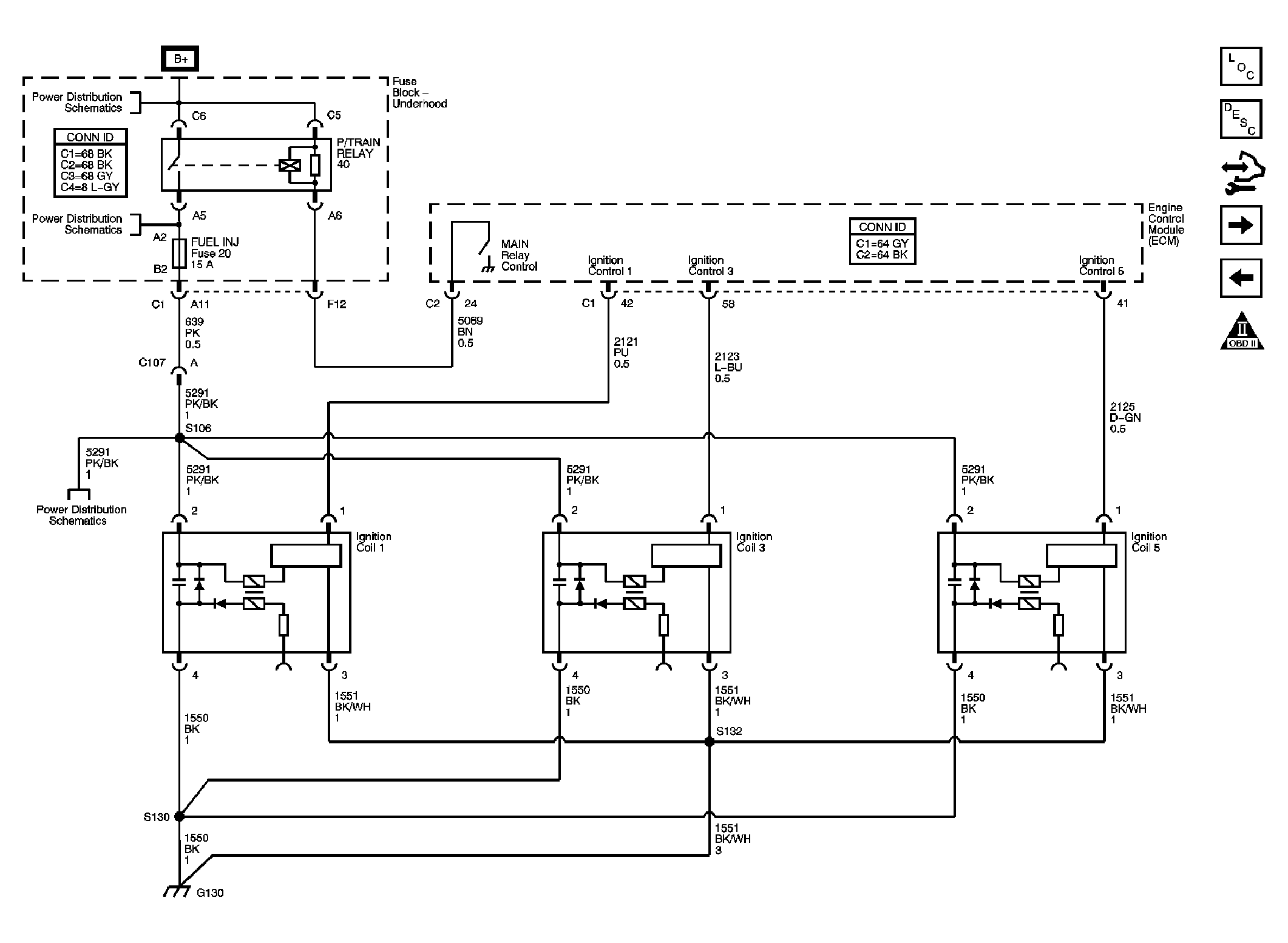
Fig 8: Ignition Controls - Bank 1 (Odd) Ignition Coils
GM1801868Courtesy of GENERAL MOTORS CORP.
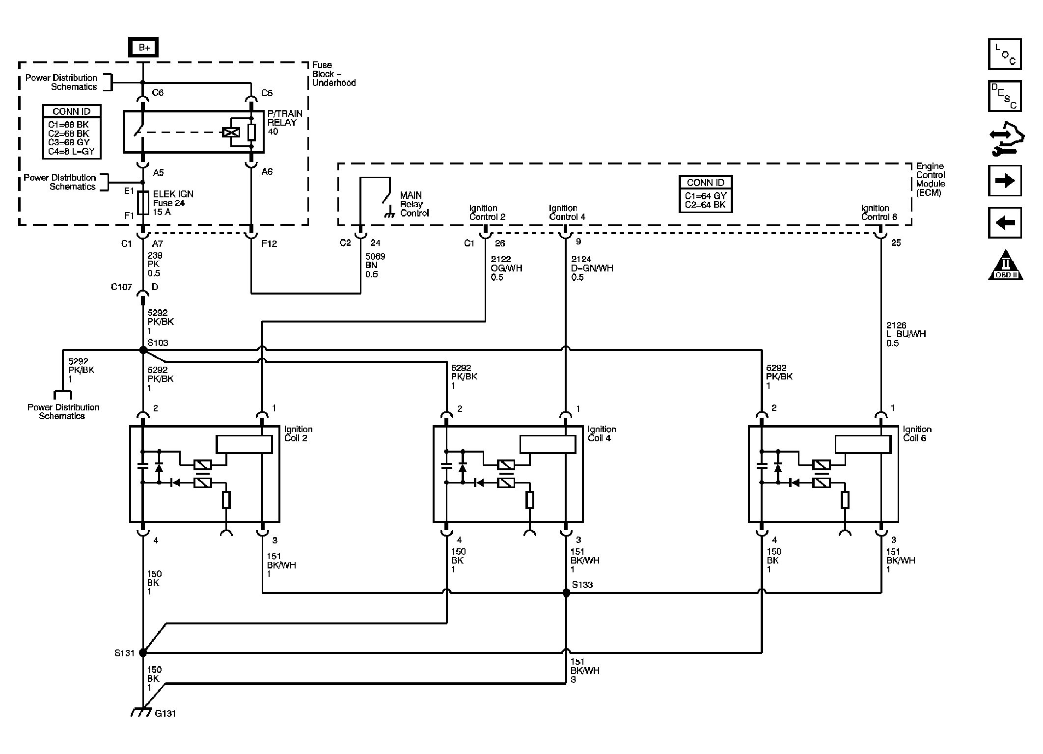
Fig 9: Ignition Controls - Bank 2 (Even) Ignition Coils
GM1801870Courtesy of GENERAL MOTORS CORP.
Fig 10: Ignition Controls - Knock and CKP Sensors and Engine Speed
GM1801871Courtesy of GENERAL MOTORS CORP.
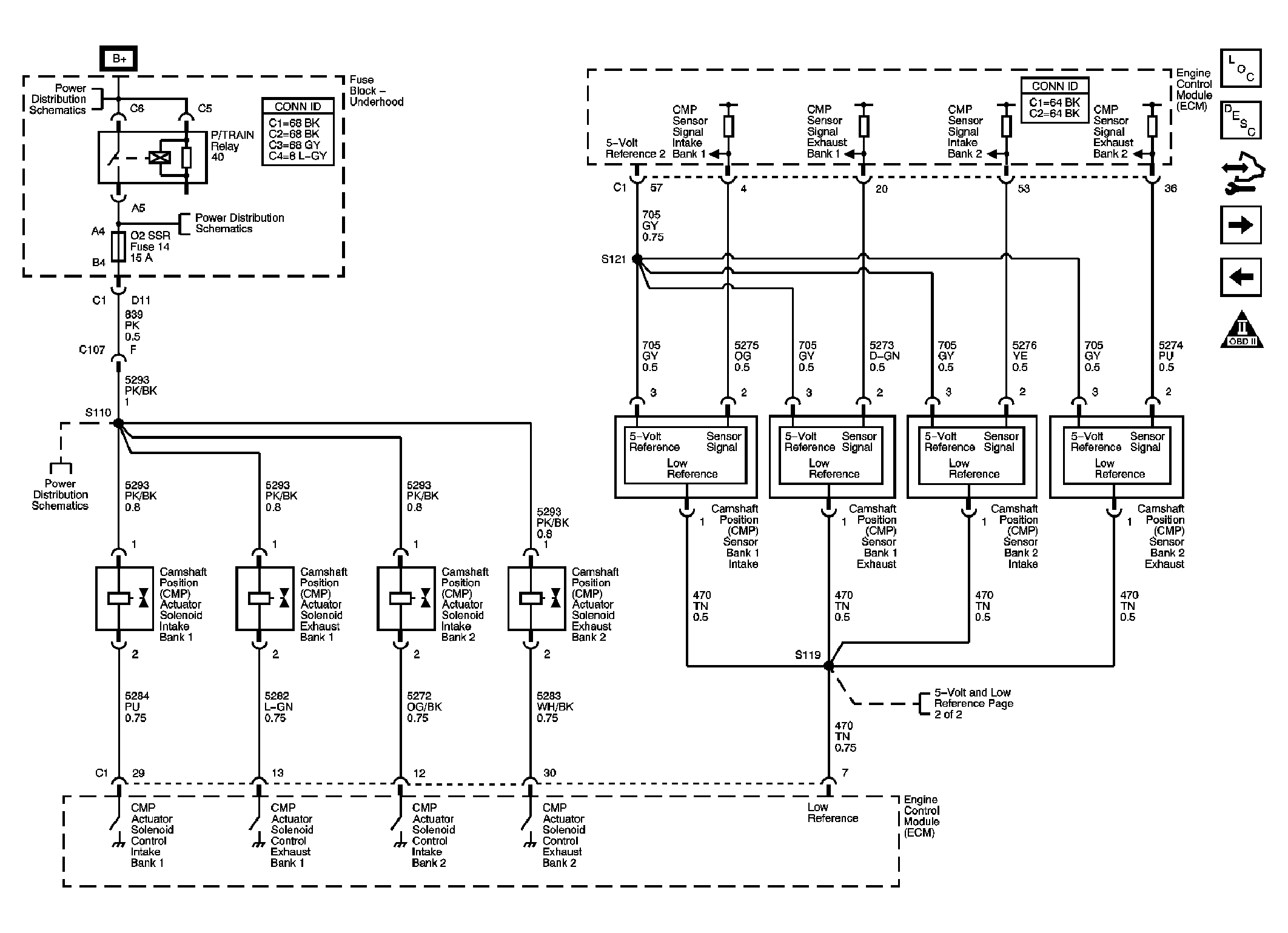
Fig 11: Ignition Controls - CMP Sensors and Solenoids
GM1801874Courtesy of GENERAL MOTORS CORP.
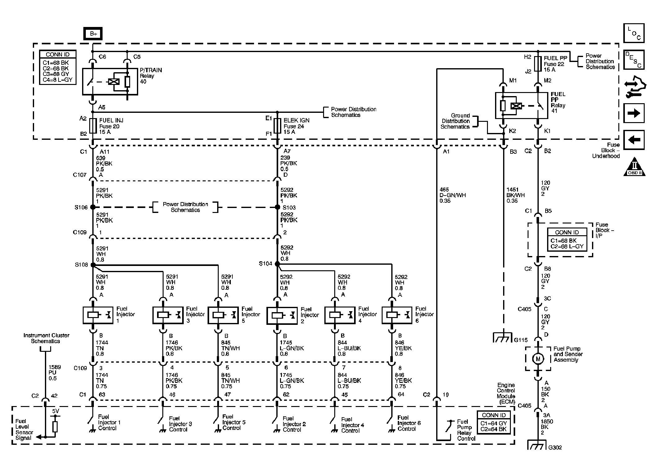
Fig 12: Fuel Controls - Fuel Pump and Injectors
GM1801876Courtesy of GENERAL MOTORS CORP.
Fig 13: EVAP Controls
GM1801877Courtesy of GENERAL MOTORS CORP.
Fig 14: Module References
GM1801880Courtesy of GENERAL MOTORS CORP.