LEMON Manuals: Even more car manuals for everyone: 1960-2025
Home >> Buick >> 2007 >> Rainier 4.2 S, AWD >> Repair and Diagnosis >> External Pages >> Different variant/trim >> Section 1 (Engine Control System & Fuel System - 5.3L - Introduction (2 Of 2)) >> Schematic and Routing Diagrams >> Engine Controls Schematics
April 5, 2026: LEMON Manuals is launched! Read the announcement.

Engine Controls Schematics

WARNING: This page is about a different variant/trim than selected.
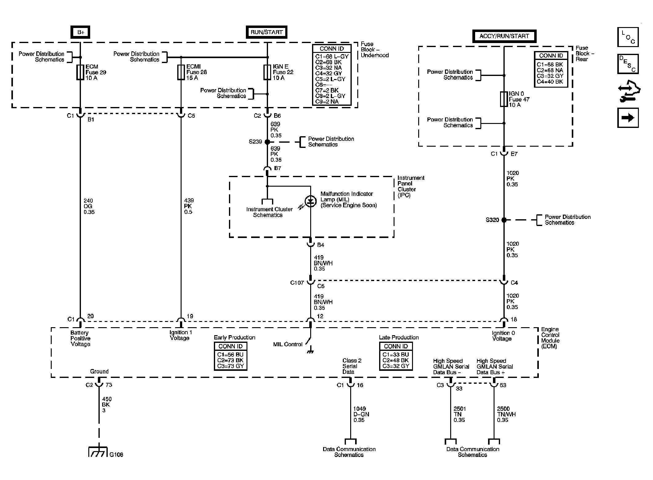
Fig 1: Module Power, Ground, Serial Data & MIL Schematic
GM1747849Courtesy of GENERAL MOTORS CORP.
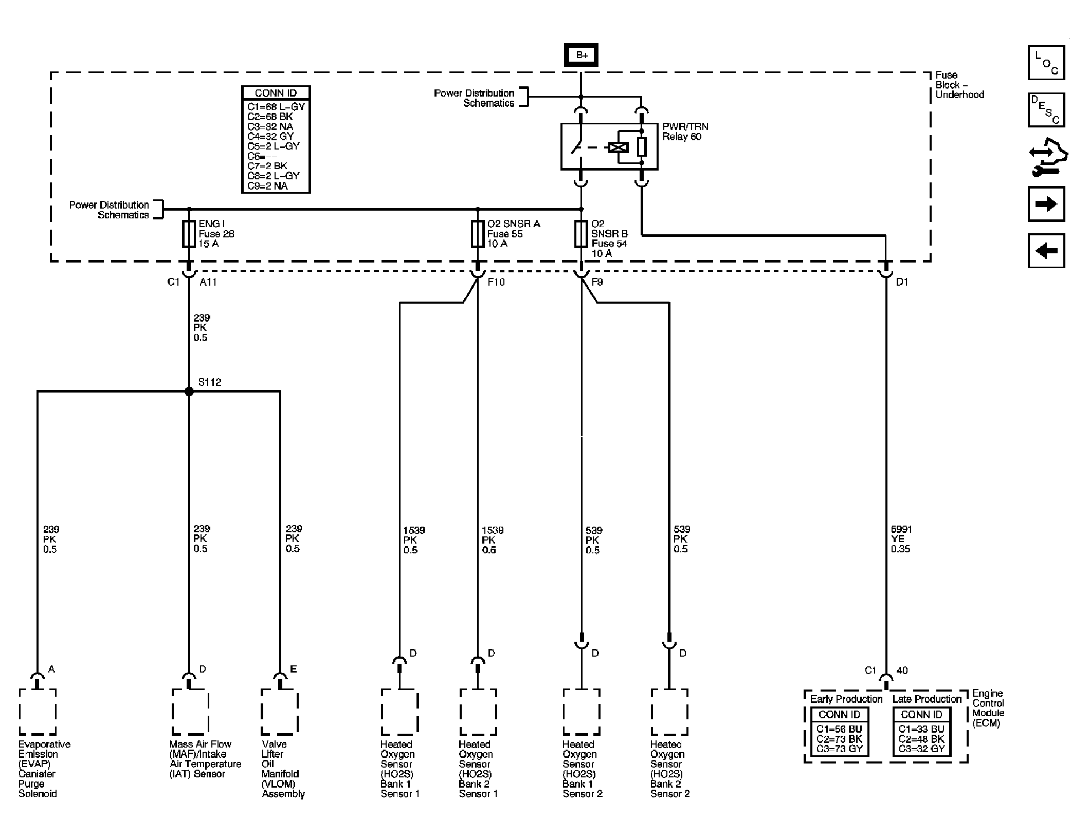
Fig 2: Underhood Fuse Block Schematic - PWR/TRN Relay - 1 Of 2
GM1747851Courtesy of GENERAL MOTORS CORP.
Fig 3: Underhood Fuse Block Schematic - PWR/TRN Relay - 2 Of 2
GM1747853Courtesy of GENERAL MOTORS CORP.
Fig 4: Engine Data Sensors Schematic - 5-Volt & Low Reference
GM1747855Courtesy of GENERAL MOTORS CORP.
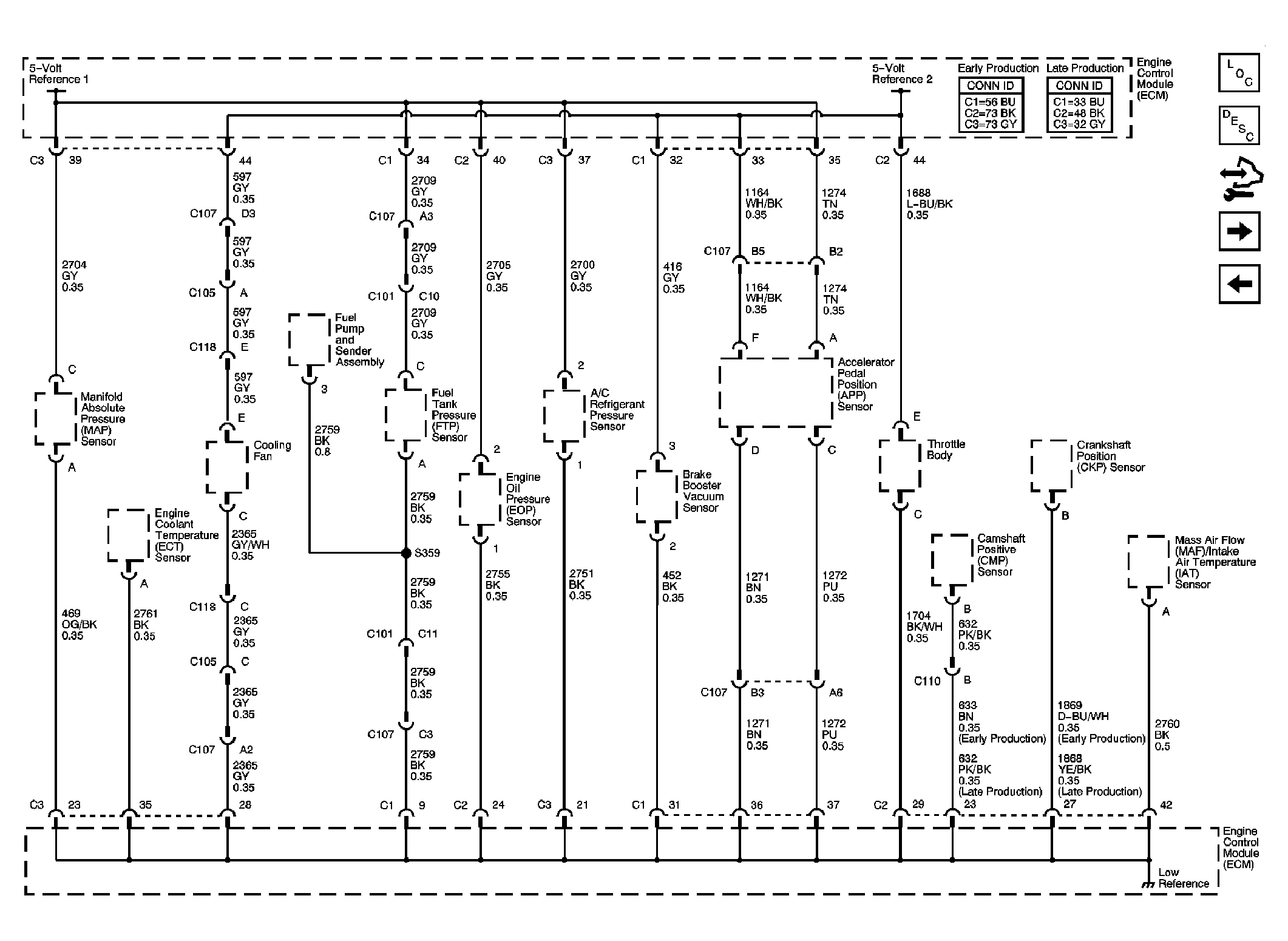
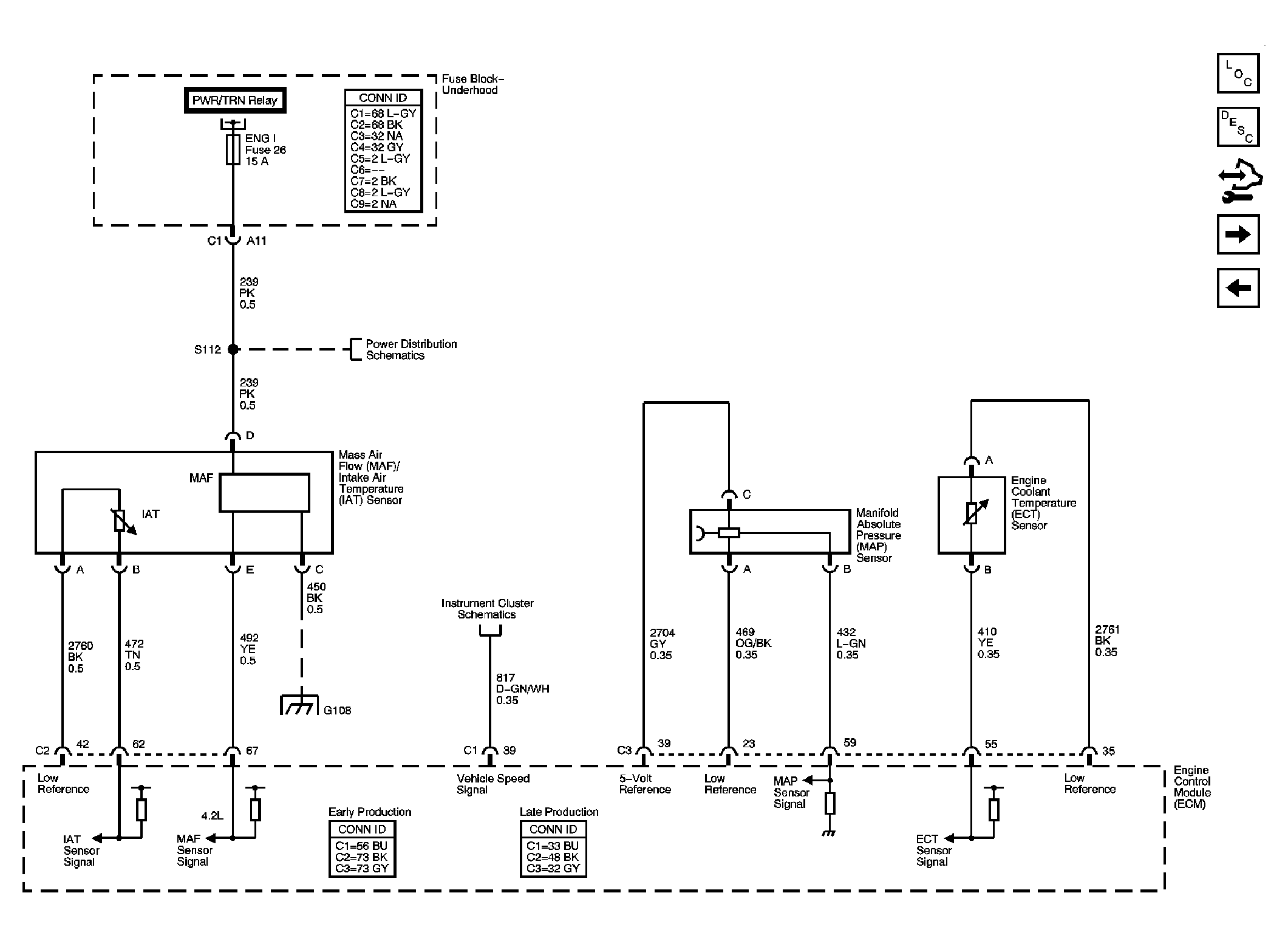
Fig 5: Engine Data Sensors Schematic - MAF, Pressure, Temperature & VSS
GM1747857Courtesy of GENERAL MOTORS CORP.
Fig 6: Engine Data Sensors Schematic - Oxygen Sensors
GM1747860Courtesy of GENERAL MOTORS CORP.
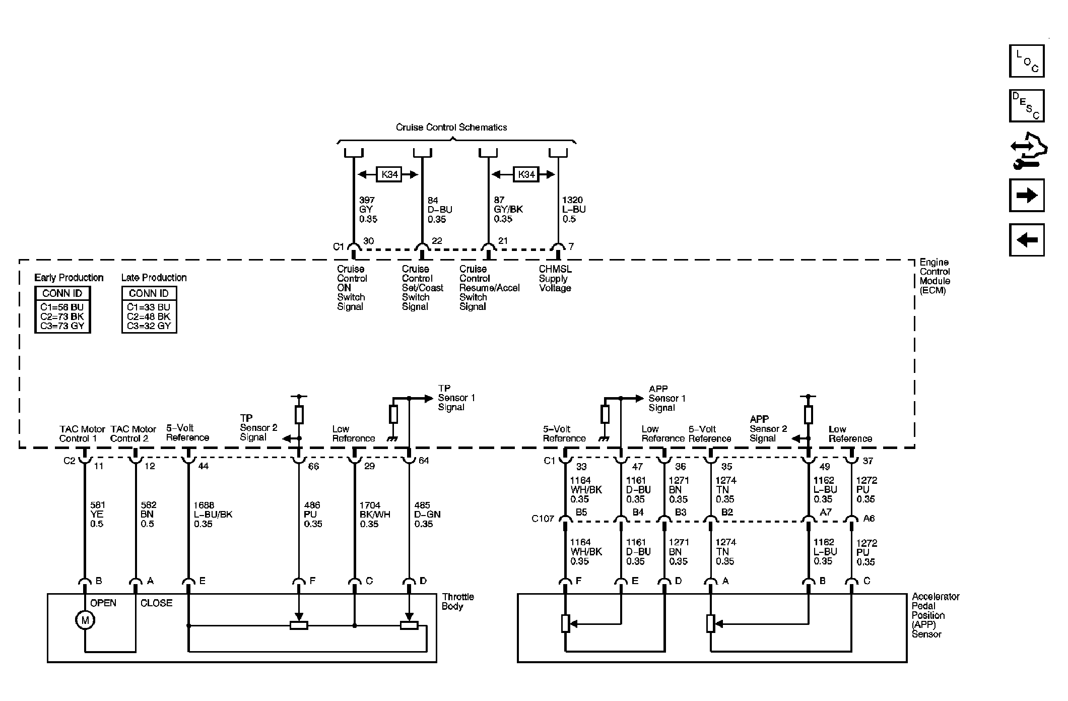
Fig 7: Engine Data Sensors Schematic - Throttle Actuator Controls
GM1747864Courtesy of GENERAL MOTORS CORP.
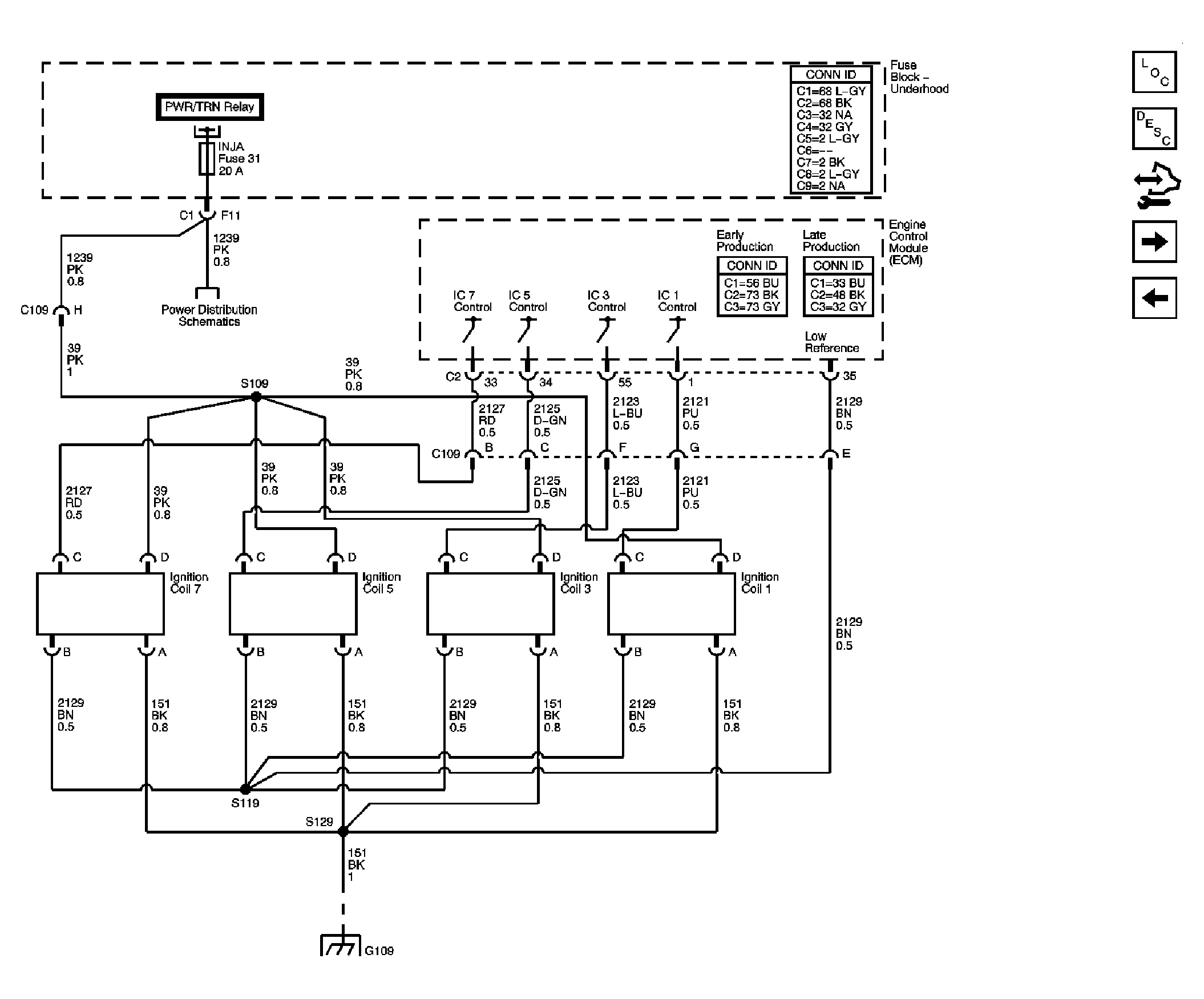
Fig 8: Ignition Controls Schematic - Ignition Coils 1, 3, 5 & 7
GM1747868Courtesy of GENERAL MOTORS CORP.
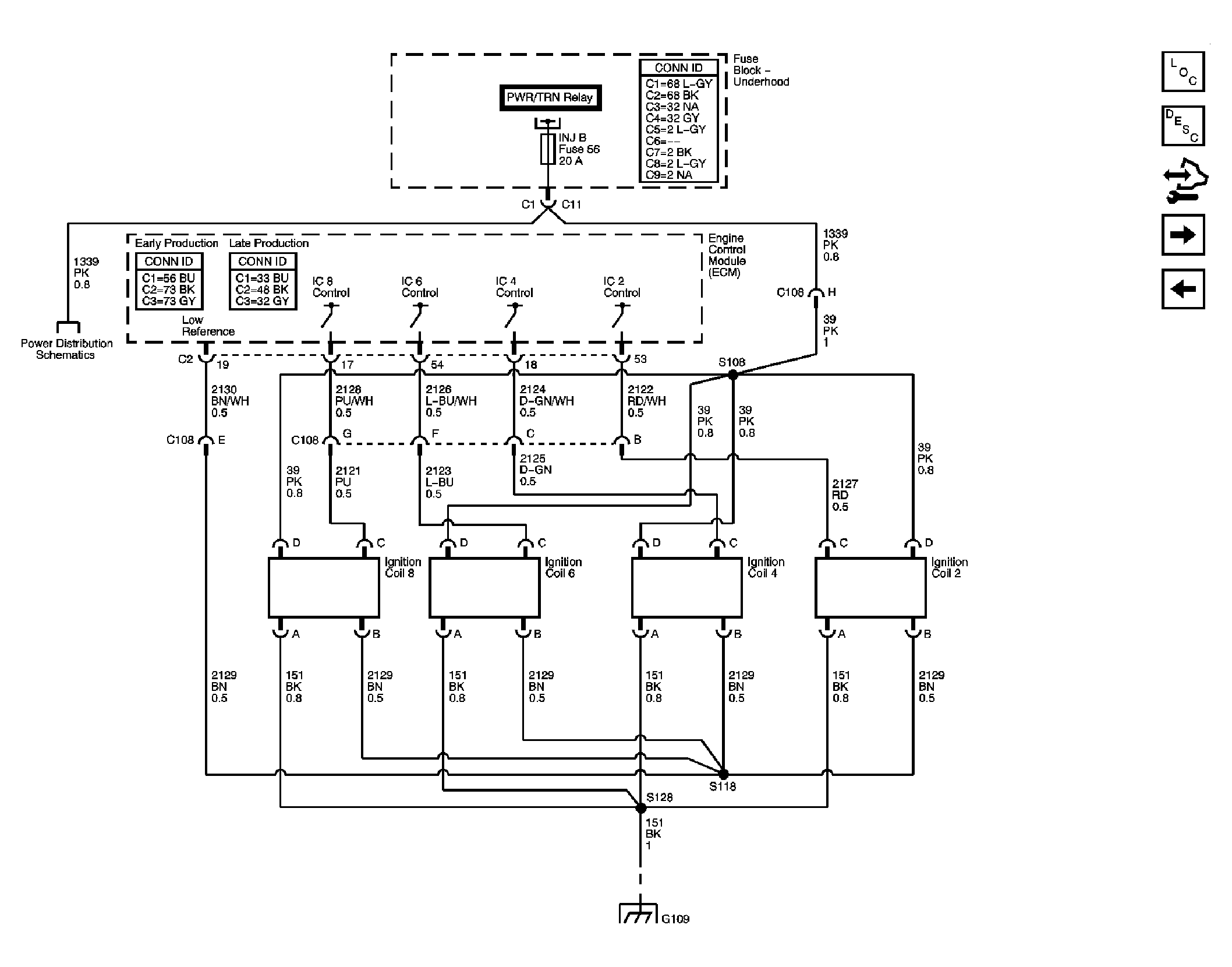
Fig 9: Ignition Controls Schematic - Ignition Coils 2, 4, 6 & 8
GM1747870Courtesy of GENERAL MOTORS CORP.
Fig 10: Ignition Controls Schematic - Sensors & DOD Controls
GM1747872Courtesy of GENERAL MOTORS CORP.
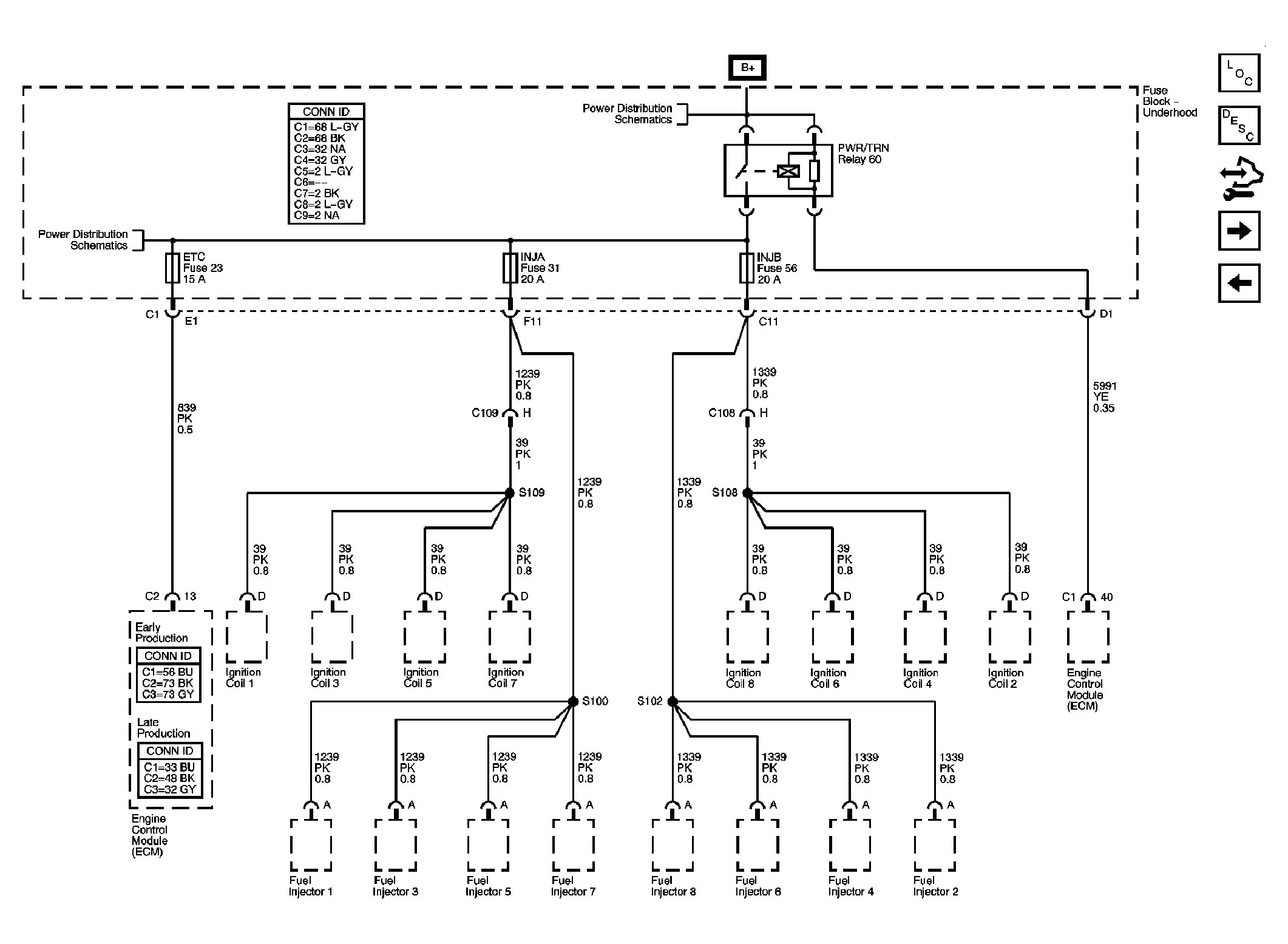
Fig 11: Fuel Controls Schematic - Fuel Pump & Fuel Injectors
GM1747876Courtesy of GENERAL MOTORS CORP.
Fig 12: Fuel Controls Schematic - EVAP Controls
GM1747878Courtesy of GENERAL MOTORS CORP.
Fig 13: Controlled/Monitored Subsystem References Schematic
GM1747880Courtesy of GENERAL MOTORS CORP.