LEMON Manuals
: Even more car manuals for everyone: 1960-2025
Home
>>
Buick
>>
2009
>>
Lucerne Super
>>
Repair and Diagnosis
>>
Engine Performance
>>
System
>>
Data Communication System
>>
Schematic and Routing Diagrams
>>
Data Communication Schematics
April 5, 2026:
LEMON Manuals is launched!
Read the announcement.
Data Communication Schematics
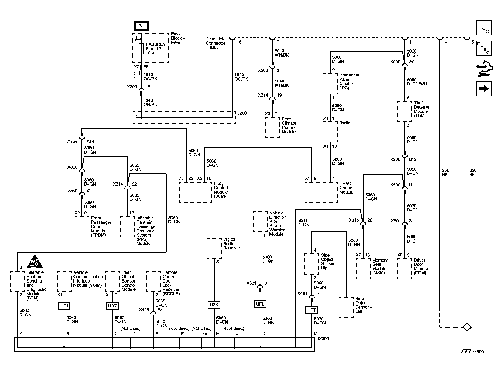
Fig 1: Power, Ground and Low Speed GMLAN
Courtesy of GENERAL MOTORS CORP.
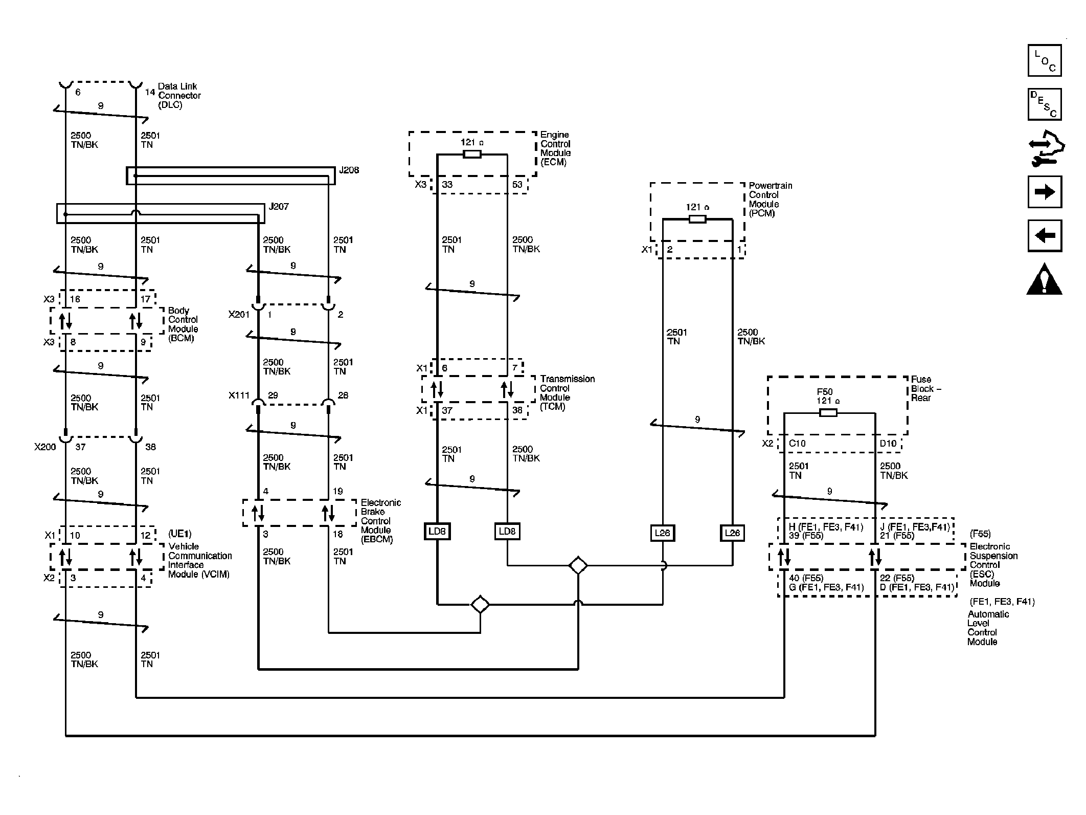
Fig 2: High Speed Serial Data
Courtesy of GENERAL MOTORS CORP.
Fig 3: Serial Data Wake Up
Courtesy of GENERAL MOTORS CORP.