LEMON Manuals: Even more car manuals for everyone: 1960-2025
Home >> Buick >> 2012 >> Regal Base >> Repair and Diagnosis >> Accessories & Equipment >> Drivers Assistance Systems - ADAS >> Object Detection System - Park Assist System >> Schematic Wiring Diagrams >> Object Detection Wiring Schematics >> UD7 Wiring Schematics
April 5, 2026: LEMON Manuals is launched! Read the announcement.

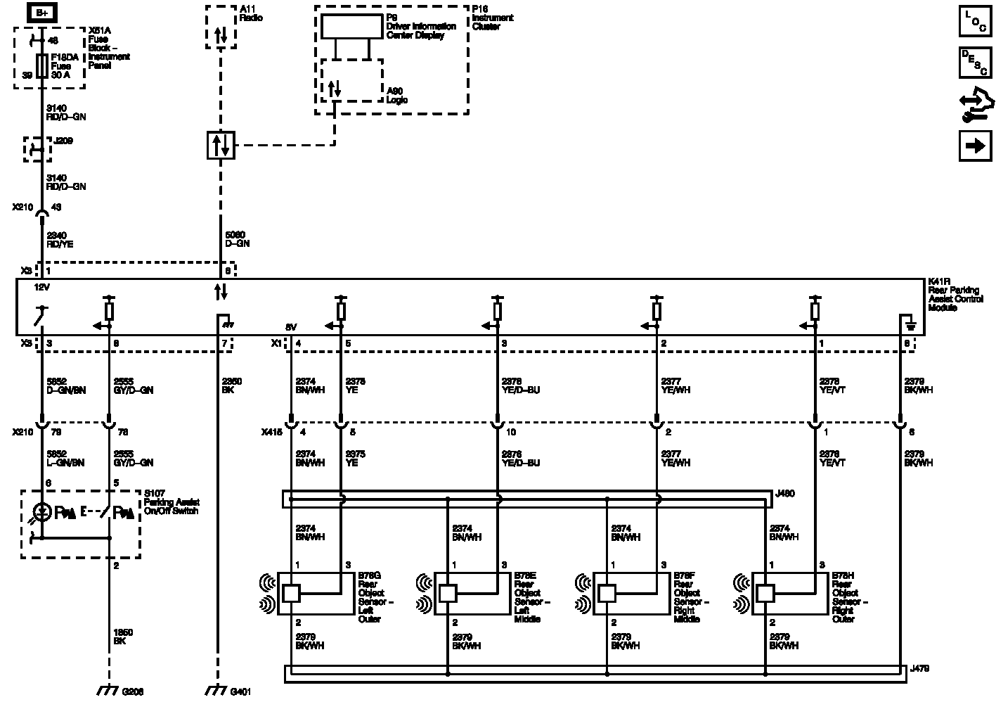
UD7 Wiring Schematics

Fig 1: UD7 Wiring Schematic
GM2611896Courtesy of GENERAL MOTORS COMPANY


Fig 1: UD7 Wiring Schematic
GM2611896Courtesy of GENERAL MOTORS COMPANY


Fig 1: UD7 Wiring Schematic
GM2611896Courtesy of GENERAL MOTORS COMPANY