LEMON Manuals: Even more car manuals for everyone: 1960-2025
Home >> Buick >> 2012 >> Regal Base >> Repair and Diagnosis >> External Pages >> Different car >> Section 324 (Cellular System, Entertainment System, And Navigation System) >> Schematic Wiring Diagrams >> Radio/Navigation System Wiring Schematics >> Controls and Display (-CZ2)
April 5, 2026: LEMON Manuals is launched! Read the announcement.

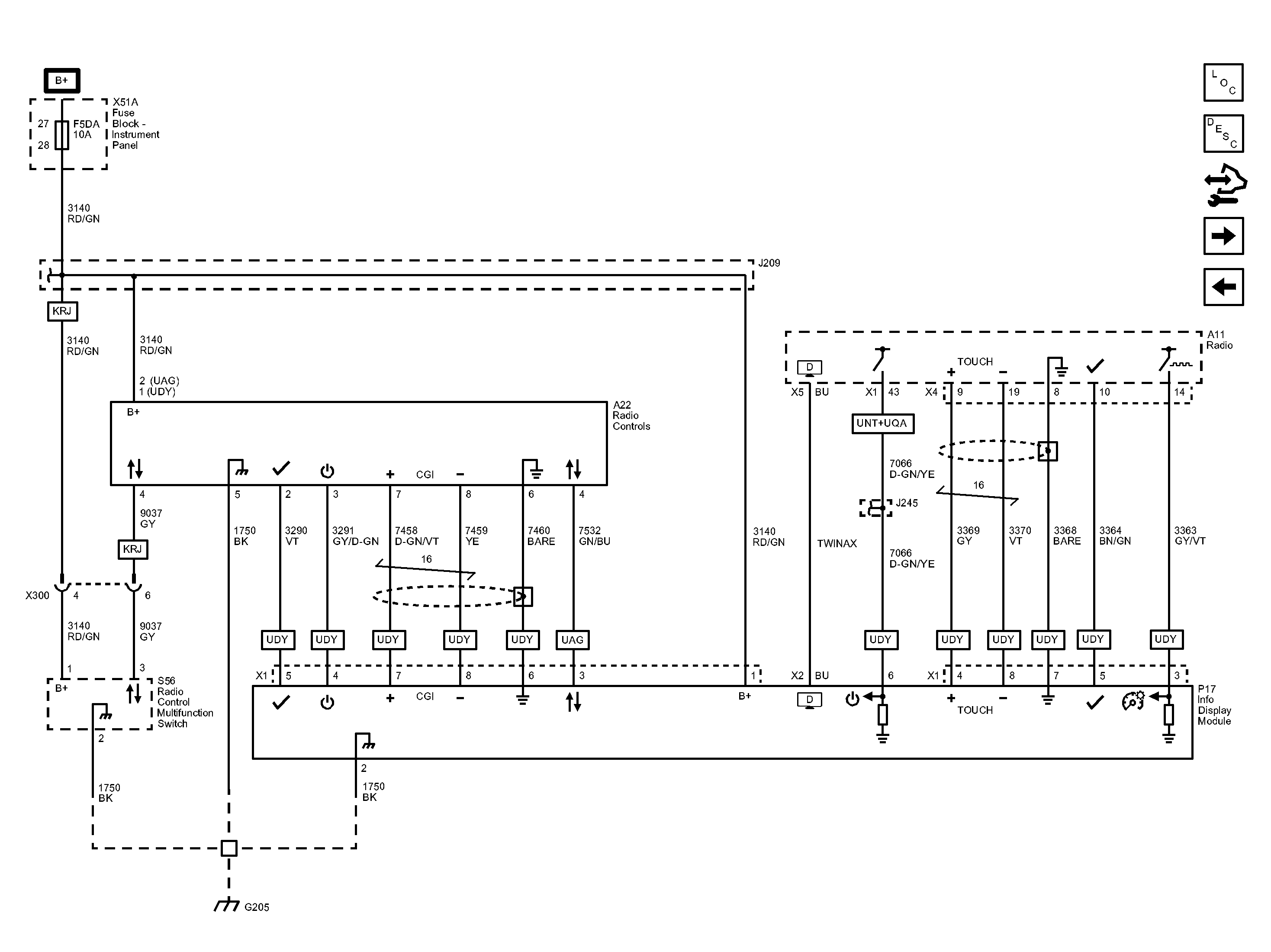
Controls and Display (-CZ2)

WARNING: This page is about a different car, the 2013 Buick Regal. However, it is still accessible from the selected car via links, so may be relevant.
Fig 1: Controls and Display Wiring Schematic (-CZ2)
GM2789685Courtesy of GENERAL MOTORS COMPANY