LEMON Manuals: Even more car manuals for everyone: 1960-2025
Home >> Buick >> 2012 >> Regal Turbo, Standard Trans >> Repair and Diagnosis >> Accessories & Equipment >> Anti-Theft Systems >> Keyless Entry System And Remote Functions >> Schematic Wiring Diagrams >> Remote Function Wiring Schematics >> Passive Entry Power, Ground, Data Communications (ATH with BTM), and Remote Keyless Entry Wiring Schematics
April 5, 2026: LEMON Manuals is launched! Read the announcement.

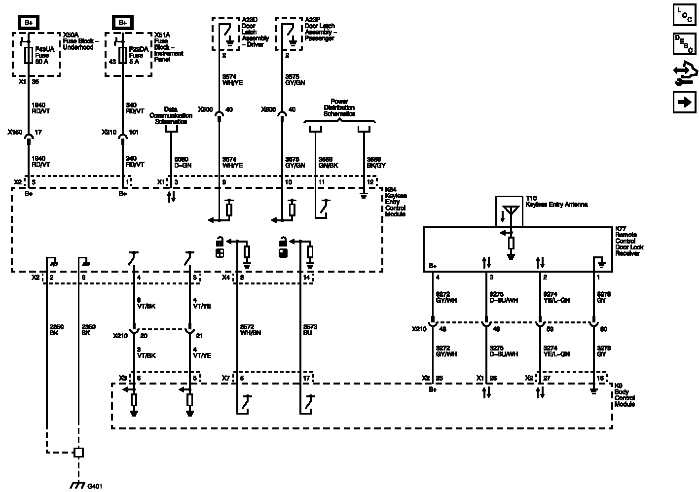
Passive Entry Power, Ground, Data Communications (ATH with BTM), and Remote Keyless Entry Wiring Schematics

Fig 1: Passive Entry Power, Ground, Data Communications (ATH with BTM), and Remote Keyless Entry Wiring Schematic
GM2658162Courtesy of GENERAL MOTORS COMPANY