LEMON Manuals: Even more car manuals for everyone: 1960-2025
Home >> Buick >> 2012 >> Verano L4-2.4L >> Repair and Diagnosis >> Powertrain Management >> Computers and Control Systems >> Battery Current Sensor >> Service and Repair
April 5, 2026: LEMON Manuals is launched! Read the announcement.

Battery Current Sensor: Service and Repair




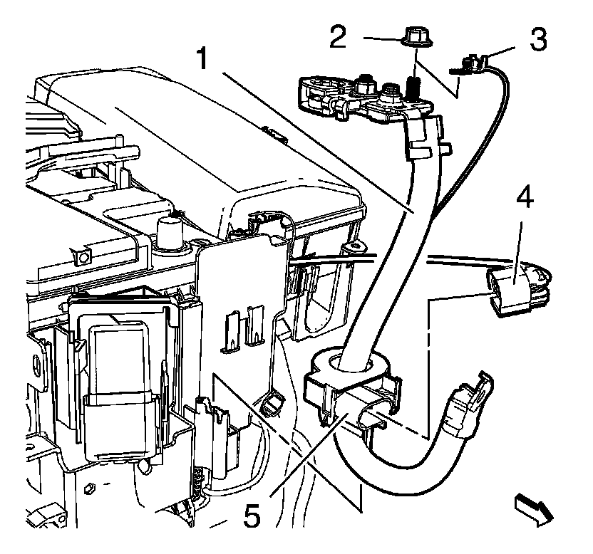
Battery Current Sensor Replacement

Removal Procedure

1. Disconnect the battery negative cable. Refer to Battery Negative Cable Disconnection and Connection Battery Negative Cable Disconnection and Connection.





2. Remove the negative cable nut (1).

3. Remove the negative cable (2).





4. Disconnect the wiring harness current sensor plug (4).

5. Remove the current sensor (5) from the battery tray.





6. Remove the current sensor (2) from the battery negative cable (1).

Installation Procedure





1. Install the current sensor (2) at the battery negative cable (1).





2. Install the current sensor (5) at the battery tray.

3. Connect the wiring harness current sensor plug (4).





4. Install the negative cable (2).

Caution:
Refer to Fastener Caution Fastener Caution.

5. Install the negative cable nut (1) and tighten to 9 Nm (80 lb in).

6. Connect the battery negative cable. Refer to Battery Negative Cable Disconnection and Connection Battery Negative Cable Disconnection and Connection.