LEMON Manuals: Even more car manuals for everyone: 1960-2025
Home >> Buick >> 2013 >> Enclave Convenience, AWD >> Repair and Diagnosis >> External Pages >> Different car >> Section 171 (Object Detection System) >> Schematic Wiring Diagrams >> Object Detection Wiring Schematics >> Side Blind Alert (CZ2 with UFG/UFT)
April 5, 2026: LEMON Manuals is launched! Read the announcement.

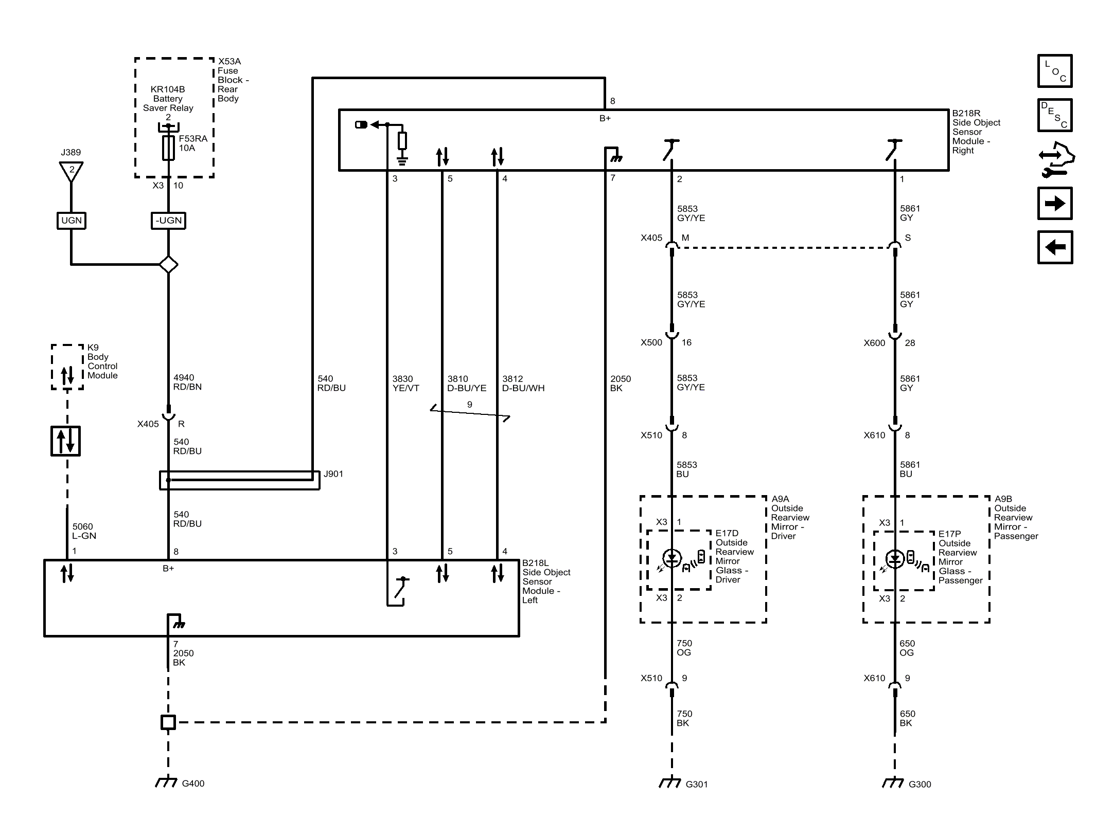
Side Blind Alert (CZ2 with UFG/UFT)

WARNING: This page is about a different car, the 2015 Cadillac SRX. However, it is still accessible from the selected car via links, so may be relevant.
Fig 1: Side Blind Alert (CZ2 with UFG/UFT)
GM3755241Courtesy of GENERAL MOTORS COMPANY