LEMON Manuals: Even more car manuals for everyone: 1960-2025
Home >> Buick >> 2013 >> Encore Base, AWD >> Repair and Diagnosis >> External Pages >> Different car >> Section 44 (Cellular System, Entertainment System, And Navigation System) >> Schematic Wiring Diagrams >> Radio/Navigation System WiringSchematics (Trax) >> Power, Ground, Serial Data, Antenna, and Audio/Video Inputs (Trax)
April 5, 2026: LEMON Manuals is launched! Read the announcement.

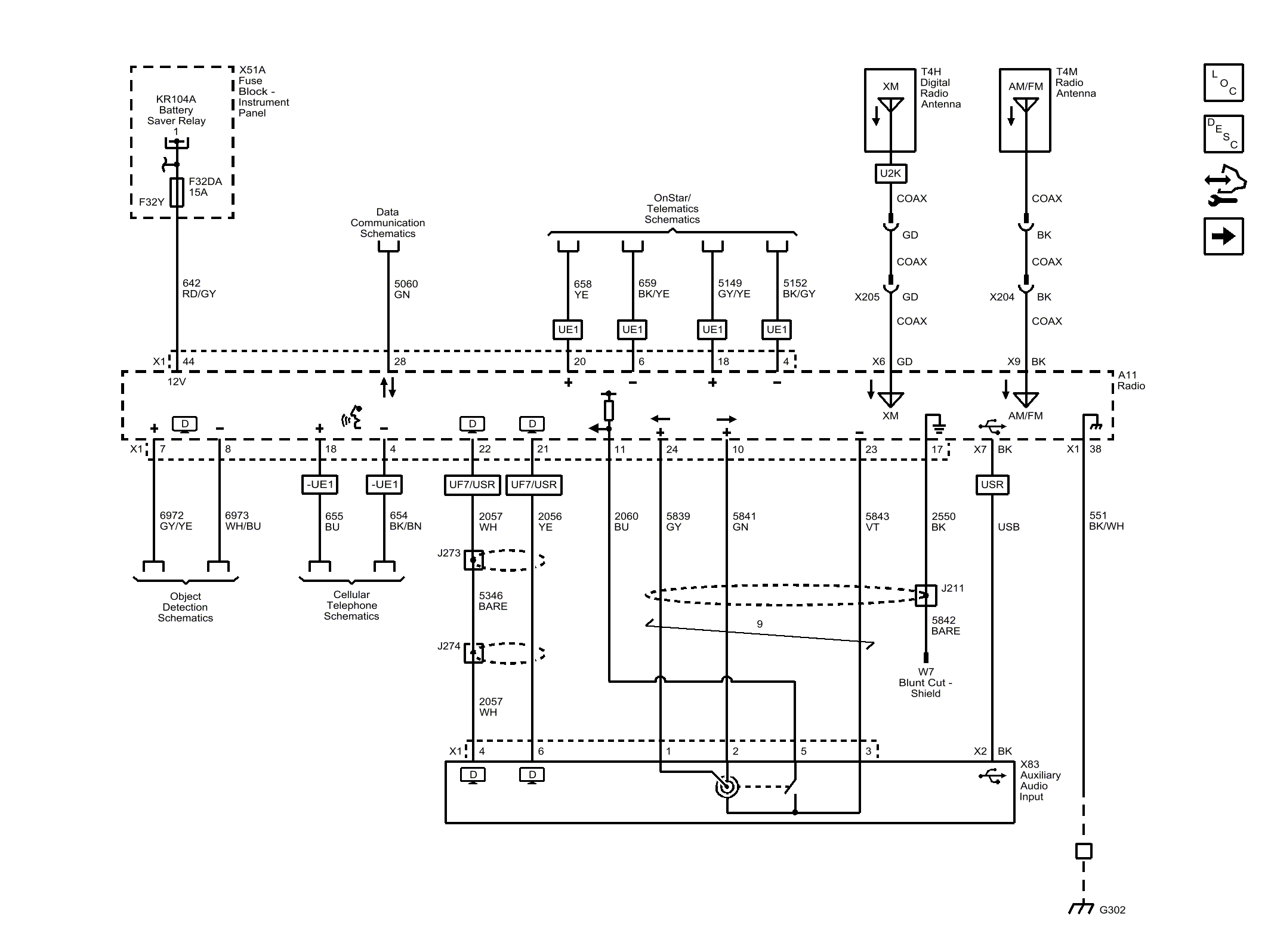
Power, Ground, Serial Data, Antenna, and Audio/Video Inputs (Trax)

WARNING: This page is about a different car, the 2016 Chevrolet Trax and 2016 Buick Encore. However, it is still accessible from the selected car via links, so may be relevant.
Fig 1: Power, Ground, Serial Data, Antenna, and Audio/Video Inputs (Trax)
GM3989310Courtesy of GENERAL MOTORS COMPANY