LEMON Manuals: Even more car manuals for everyone: 1960-2025
Home >> Buick >> 2013 >> Verano Base >> Repair and Diagnosis >> Accessories & Equipment >> Drivers Assistance Systems - ADAS >> Object Detection System - Park Assist System >> Schematic Wiring Diagrams >> Object Detection Wiring Schematics >> Side Blind Zone Alert (UFT)
April 5, 2026: LEMON Manuals is launched! Read the announcement.

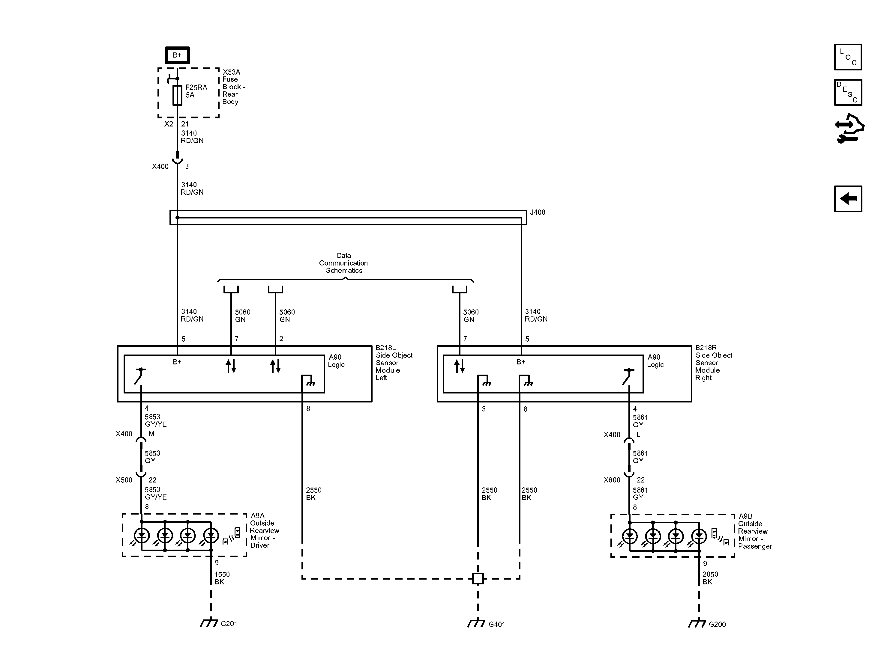
Side Blind Zone Alert (UFT)

Fig 1: Side Blind Zone Alert Wiring Schematic (UFT)
GM2908240Courtesy of GENERAL MOTORS COMPANY