LEMON Manuals: Even more car manuals for everyone: 1960-2025
Home >> Buick >> 2013 >> Verano Premium, Automatic Trans >> Repair and Diagnosis >> External Pages >> Different car >> Section 273 (Keyless Entry System And Remote Functions) >> Wiring Schematics >> Remote Function Wiring Schematics >> Passive Entry and Passive Start Antennas (ATH with BTM)
April 5, 2026: LEMON Manuals is launched! Read the announcement.

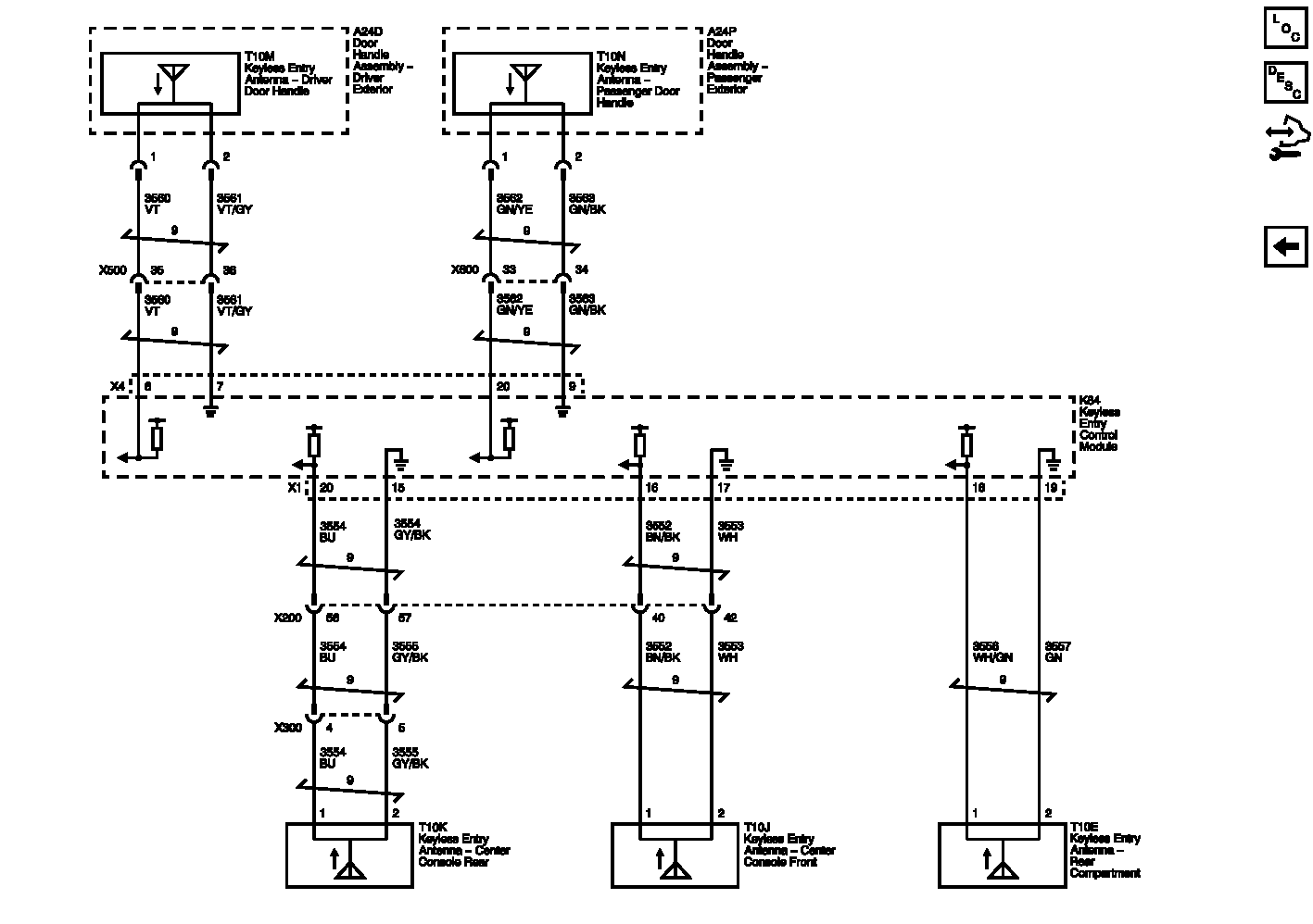
Passive Entry and Passive Start Antennas (ATH with BTM)

WARNING: This page is about a different car, the 2012 Buick Verano. However, it is still accessible from the selected car via links, so may be relevant.
Fig 1: Passive Entry and Passive Start Antennas Wiring Schematic (ATH with BTM)
GM2690513Courtesy of GENERAL MOTORS COMPANY