LEMON Manuals: Even more car manuals for everyone: 1960-2025
Home >> Buick >> 2013 >> Verano Premium, Standard Trans >> Repair and Diagnosis >> External Pages >> Different car >> Section 365 (Keyless Entry System And Remote Functions) >> Schematic Wiring Diagrams >> Remote Function Wiring Schematics >> Passive Entry Power, Ground, Data Communication (ATH with BTM), and Remote Keyless Entry
April 5, 2026: LEMON Manuals is launched! Read the announcement.

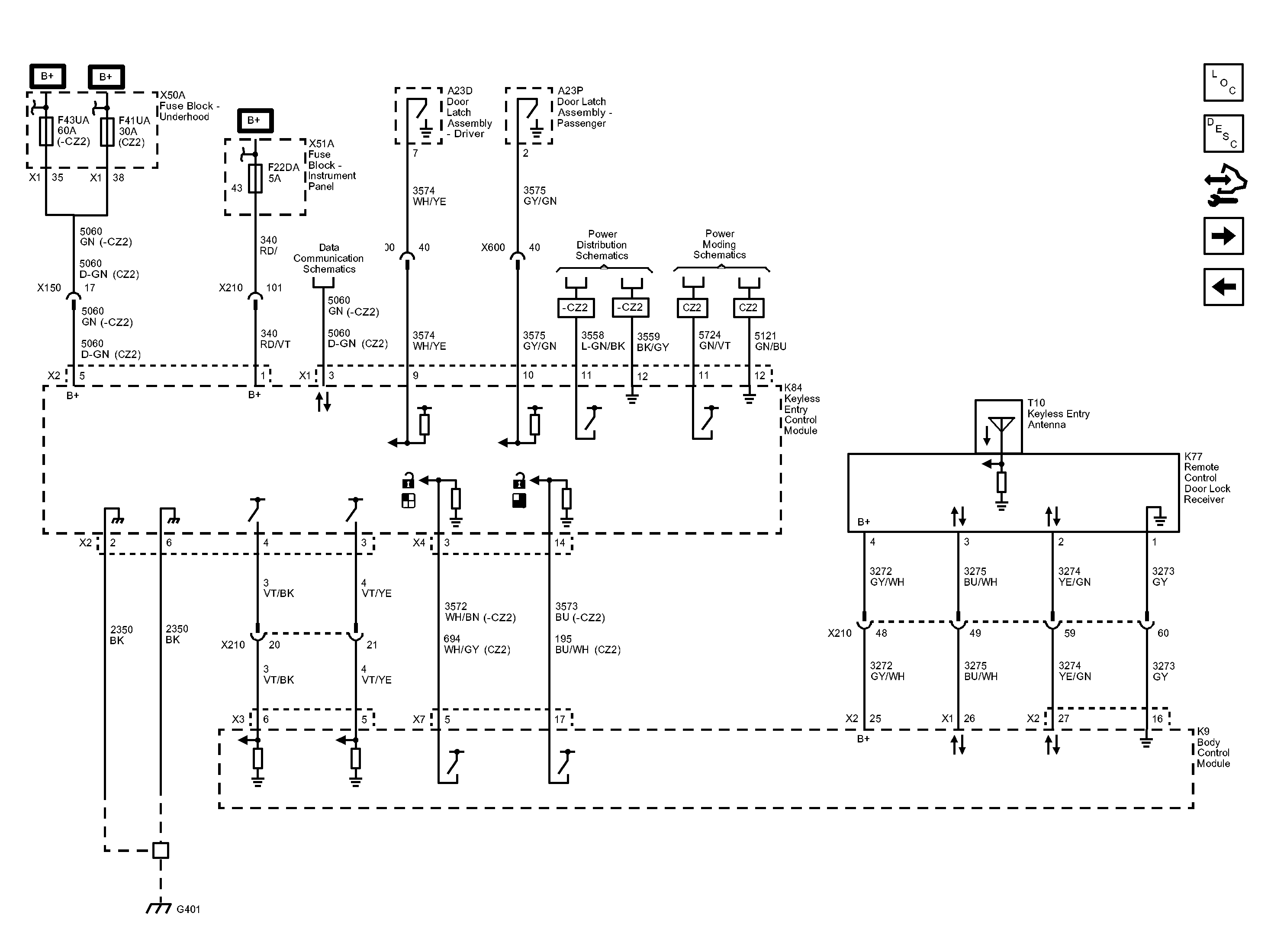
Passive Entry Power, Ground, Data Communication (ATH with BTM), and Remote Keyless Entry

WARNING: This page is about a different car, the 2013 Buick Regal. However, it is still accessible from the selected car via links, so may be relevant.
Fig 1: Passive Entry Power, Ground, Data Communication (ATH with BTM), and Remote Keyless Entry Wiring Schematic
GM2790214Courtesy of GENERAL MOTORS COMPANY