LEMON Manuals: Even more car manuals for everyone: 1960-2025
Home >> Buick >> 2014 >> Regal GS, AWD >> Repair and Diagnosis >> Body & Frame >> Door Locks >> Keyless Entry System And Remote Functions >> Schematic Wiring Diagrams >> Remote Function Wiring Schematics >> Passive Entry Power, Ground, Data Communications (ATH with BTM), and Remote Keyless Entry
April 5, 2026: LEMON Manuals is launched! Read the announcement.

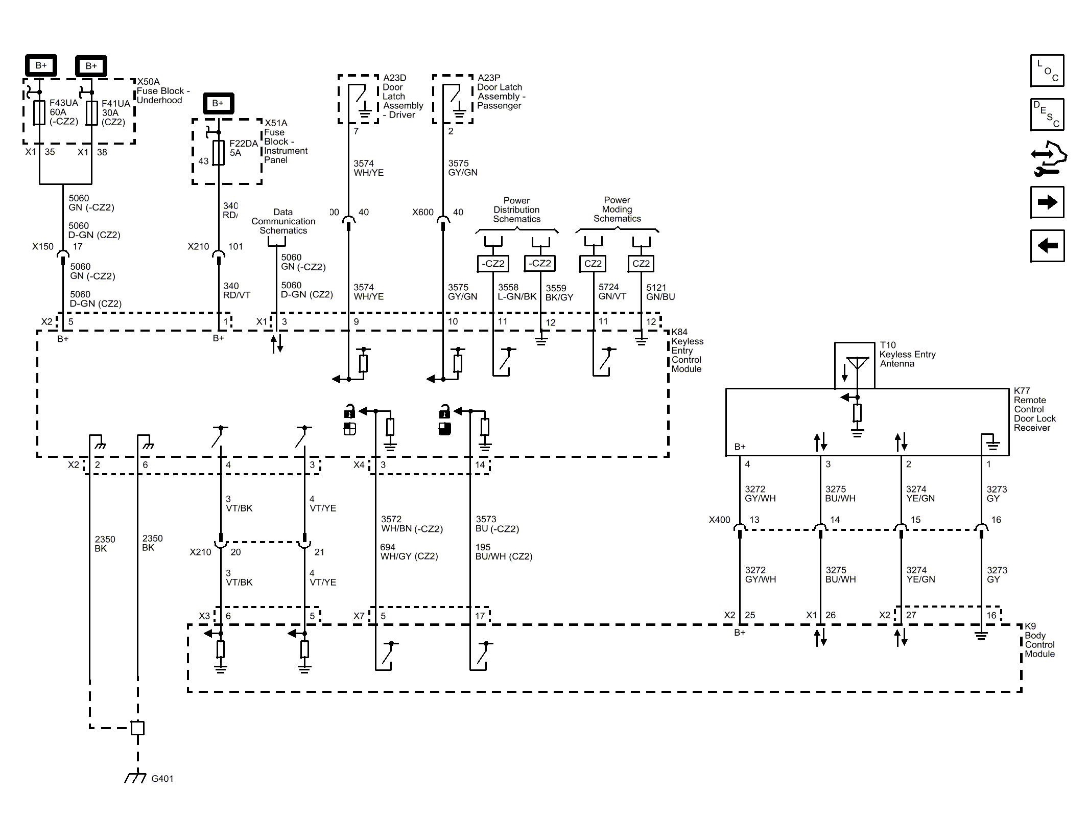
Passive Entry Power, Ground, Data Communications (ATH with BTM), and Remote Keyless Entry

Fig 1: Passive Entry Power, Ground, Data Communications (ATH with BTM), and Remote Keyless Entry
GM3424432Courtesy of GENERAL MOTORS COMPANY