LEMON Manuals: Even more car manuals for everyone: 1960-2025
Home >> Buick >> 2014 >> Verano Base >> Repair and Diagnosis >> Accessories & Equipment >> Collision/Avoidance >> Object Detection System And Parking Assist System >> Schematic Wiring Diagrams >> Object Detection Wiring Schematics >> Rear Vision Camera (UVC) Wiring Schematics
April 5, 2026: LEMON Manuals is launched! Read the announcement.

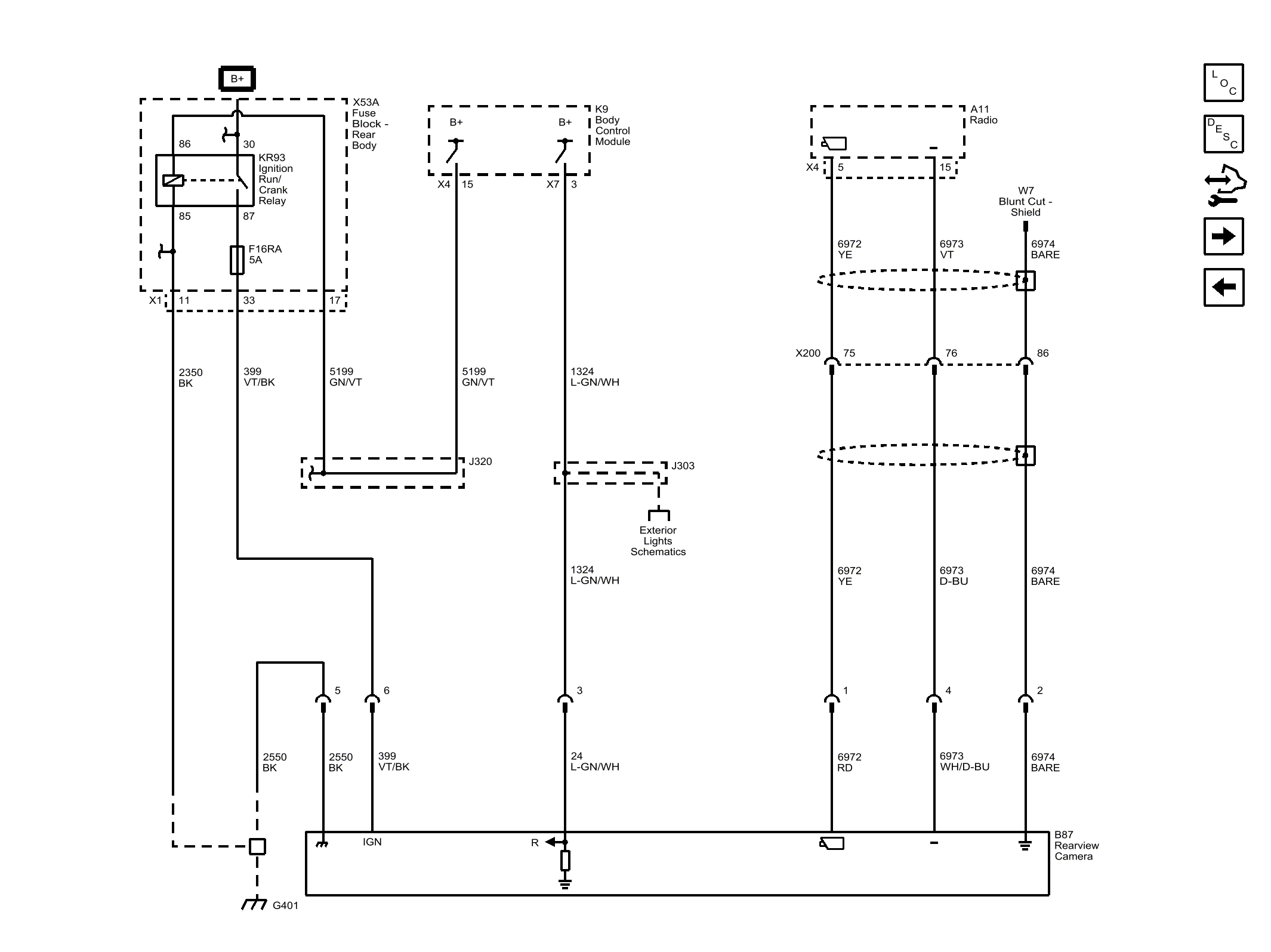
Rear Vision Camera (UVC) Wiring Schematics

Fig 1: Rear Vision Camera (UVC) Wiring Schematic
GM3337002Courtesy of GENERAL MOTORS COMPANY