LEMON Manuals: Even more car manuals for everyone: 1960-2025
Home >> Buick >> 2014 >> Verano Base >> Repair and Diagnosis >> Accessories & Equipment >> Entertainment Systems >> Cellular System, Entertainment System, And Navigation System >> Schematic Wiring Diagrams >> Radio/Navigation System Wiring Schematics >> Multimedia Player Interface (KTA) Wiring Schematics
April 5, 2026: LEMON Manuals is launched! Read the announcement.

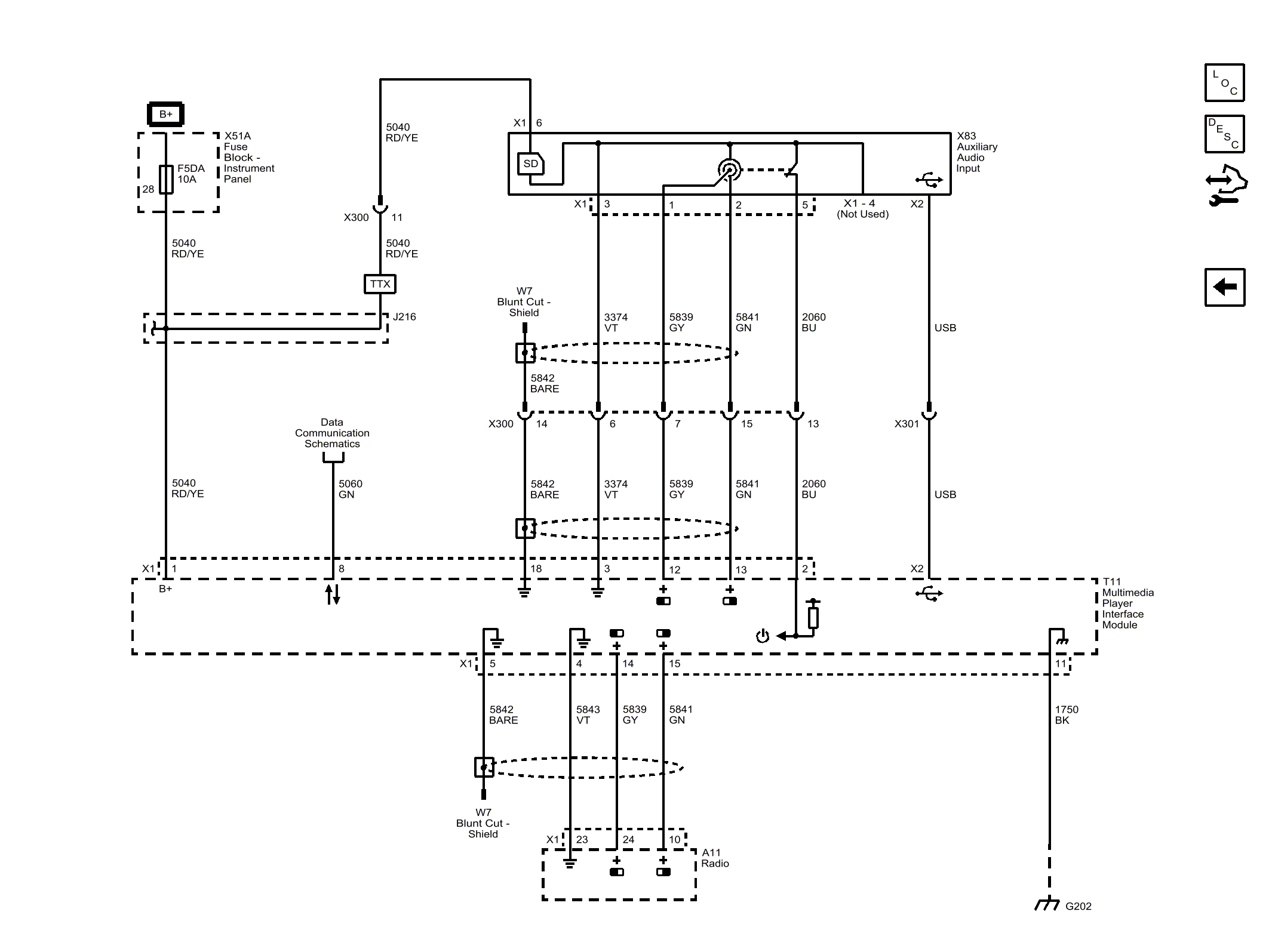
Multimedia Player Interface (KTA) Wiring Schematics

Fig 1: Multimedia Player Interface (KTA) Wiring Schematic
GM3336572Courtesy of GENERAL MOTORS COMPANY