LEMON Manuals: Even more car manuals for everyone: 1960-2025
Home >> Buick >> 2015 >> Verano Base >> Repair and Diagnosis >> Accessories & Equipment >> Collision/Avoidance >> Object Detection System - Park Assist System >> Schematic Wiring Diagrams >> Object Detection Wiring Schematics >> Rear Vision Camera (UVC)
April 5, 2026: LEMON Manuals is launched! Read the announcement.

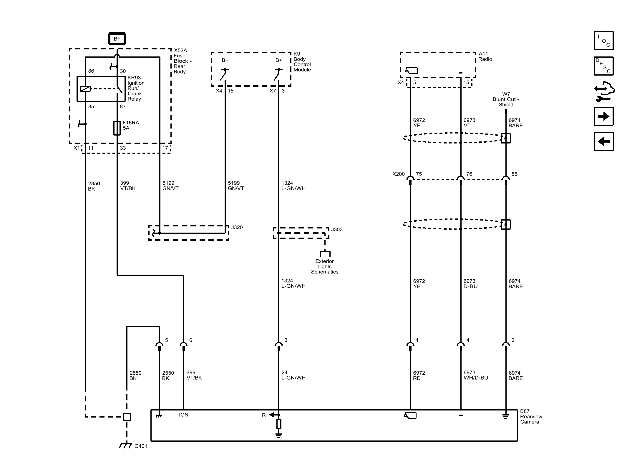
Rear Vision Camera (UVC)

Fig 1: Rear Vision Camera (UVC)
GM3802174Courtesy of GENERAL MOTORS COMPANY