LEMON Manuals: Even more car manuals for everyone: 1960-2025
Home >> Buick >> 2016 >> Cascada Premium >> Repair and Diagnosis >> Accessories & Equipment >> Collision/Avoidance >> Object Detection System And Pedestrian Protection System >> Schematic Wiring Diagrams >> Object Detection Wiring Schematics >> Front and Side Object Sensors (UDP)
April 5, 2026: LEMON Manuals is launched! Read the announcement.

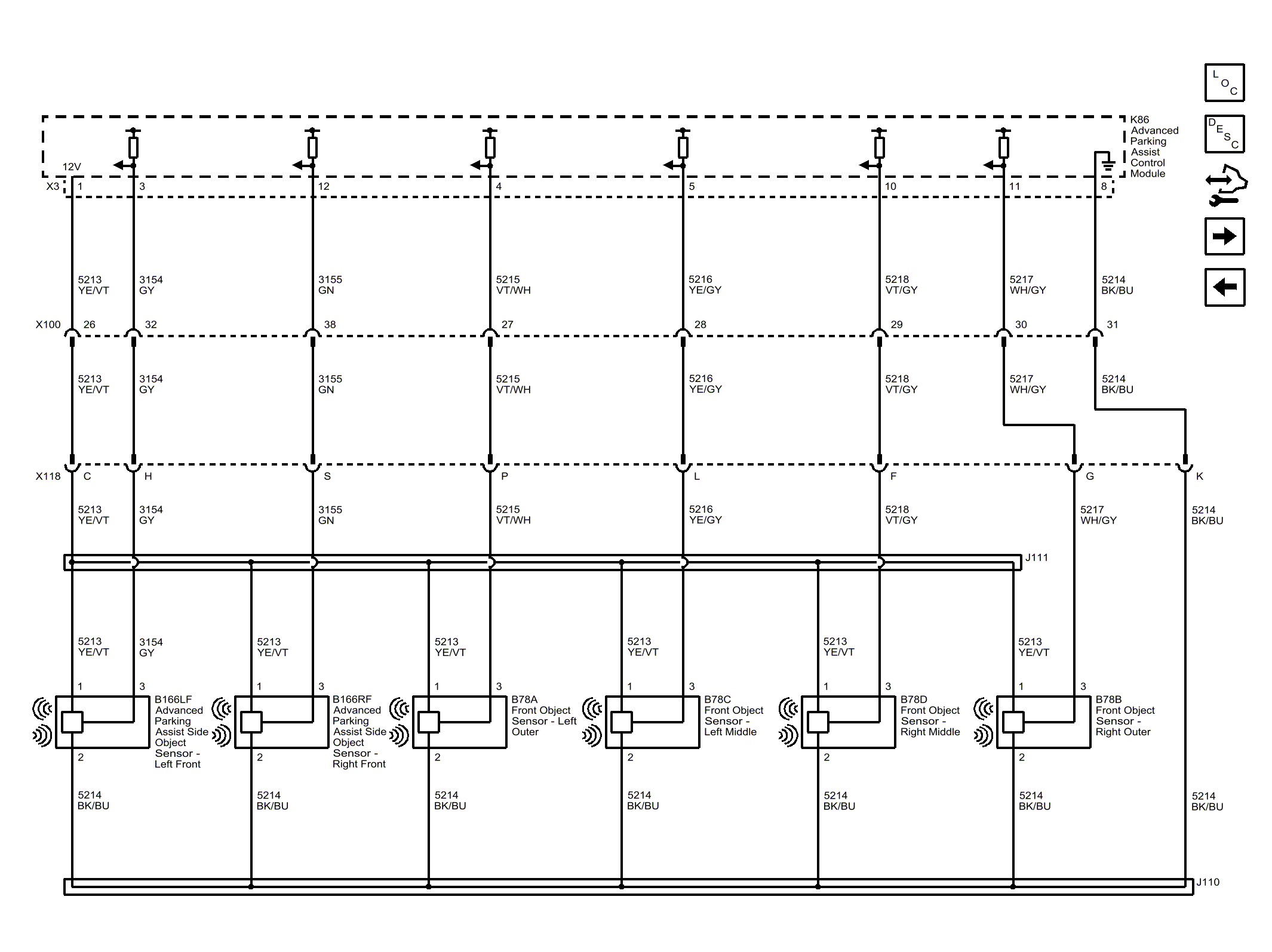
Front and Side Object Sensors (UDP)

Fig 1: Front and Side Object Sensors (UDP)
GM4212422Courtesy of GENERAL MOTORS COMPANY