LEMON Manuals: Even more car manuals for everyone: 1960-2025
Home >> Buick >> 2016 >> Cascada Premium >> Repair and Diagnosis >> External Pages >> Different car >> Section 81 (Object Detection System) >> Schematic Wiring Diagrams >> Object Detection Wiring Schematics >> Rear Cross Traffic Alert (UFG) and Side Object Detection (UFT)
April 5, 2026: LEMON Manuals is launched! Read the announcement.

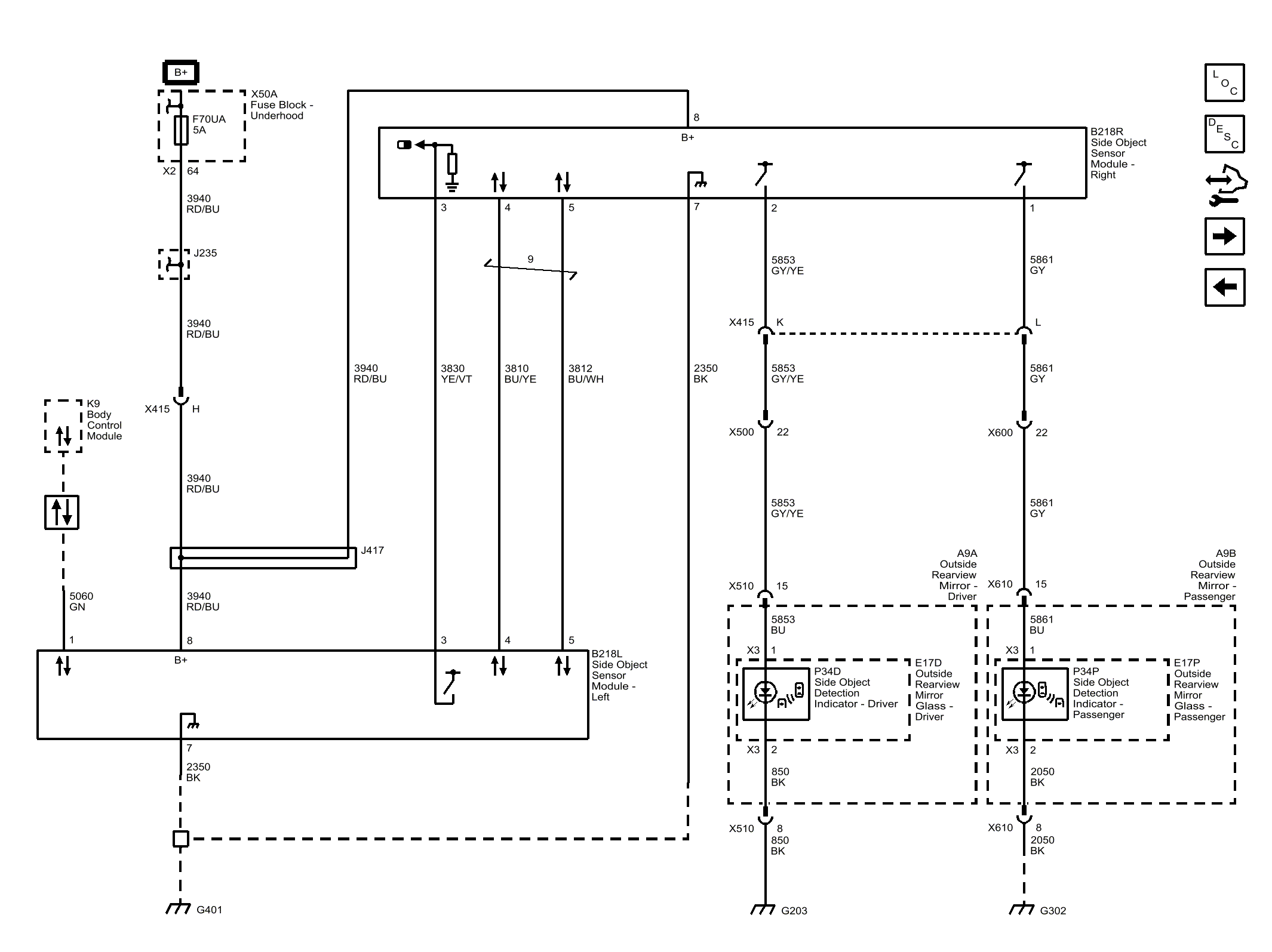
Rear Cross Traffic Alert (UFG) and Side Object Detection (UFT)

WARNING: This page is about a different car, the 2016 Chevrolet Malibu Limited. However, it is still accessible from the selected car via links, so may be relevant.
Fig 1: Rear Cross Traffic Alert (UFG) and Side Object Detection (UFT)
GM4080174Courtesy of GENERAL MOTORS COMPANY