LEMON Manuals: Even more car manuals for everyone: 1960-2025
Home >> Buick >> 2016 >> Verano Base, Gas/Ethanol >> Repair and Diagnosis (Single Page) >> Accessories & Equipment >> Infotainment >> Cellular System, Entertainment System, And Navigation System >> Schematic Wiring Diagrams >> Radio/Navigation System Wiring Schematics >> Multimedia Player Interface (KTA)
April 5, 2026: LEMON Manuals is launched! Read the announcement.

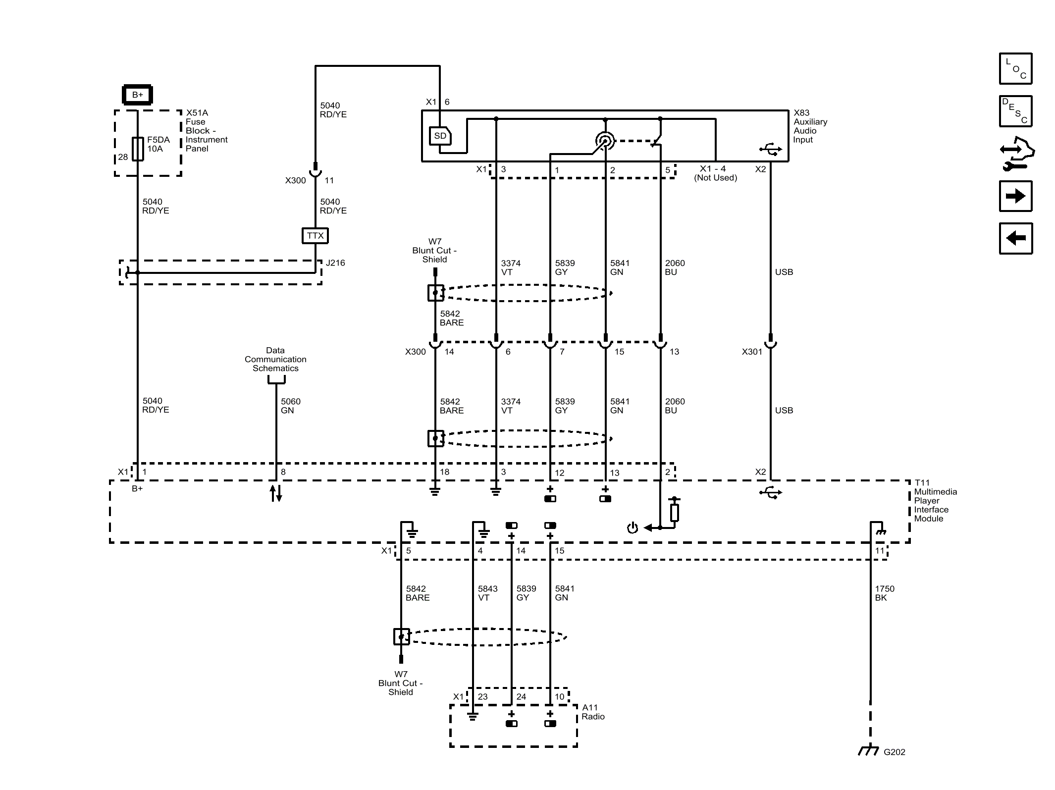
Multimedia Player Interface (KTA)

Fig 1: Multimedia Player Interface (KTA)
GM4082245Courtesy of GENERAL MOTORS COMPANY