LEMON Manuals: Even more car manuals for everyone: 1960-2025
Home >> Buick >> 2016 >> Verano Base, Gas/Ethanol >> Repair and Diagnosis >> Accessories & Equipment >> Memory Modules >> Secondary And Configurable Customer Control System >> Schematic Wiring Diagrams >> Steering Wheel Secondary/Configurable Control Wiring Schematics >> Steering Wheel Secondary/Configurable Controls
April 5, 2026: LEMON Manuals is launched! Read the announcement.

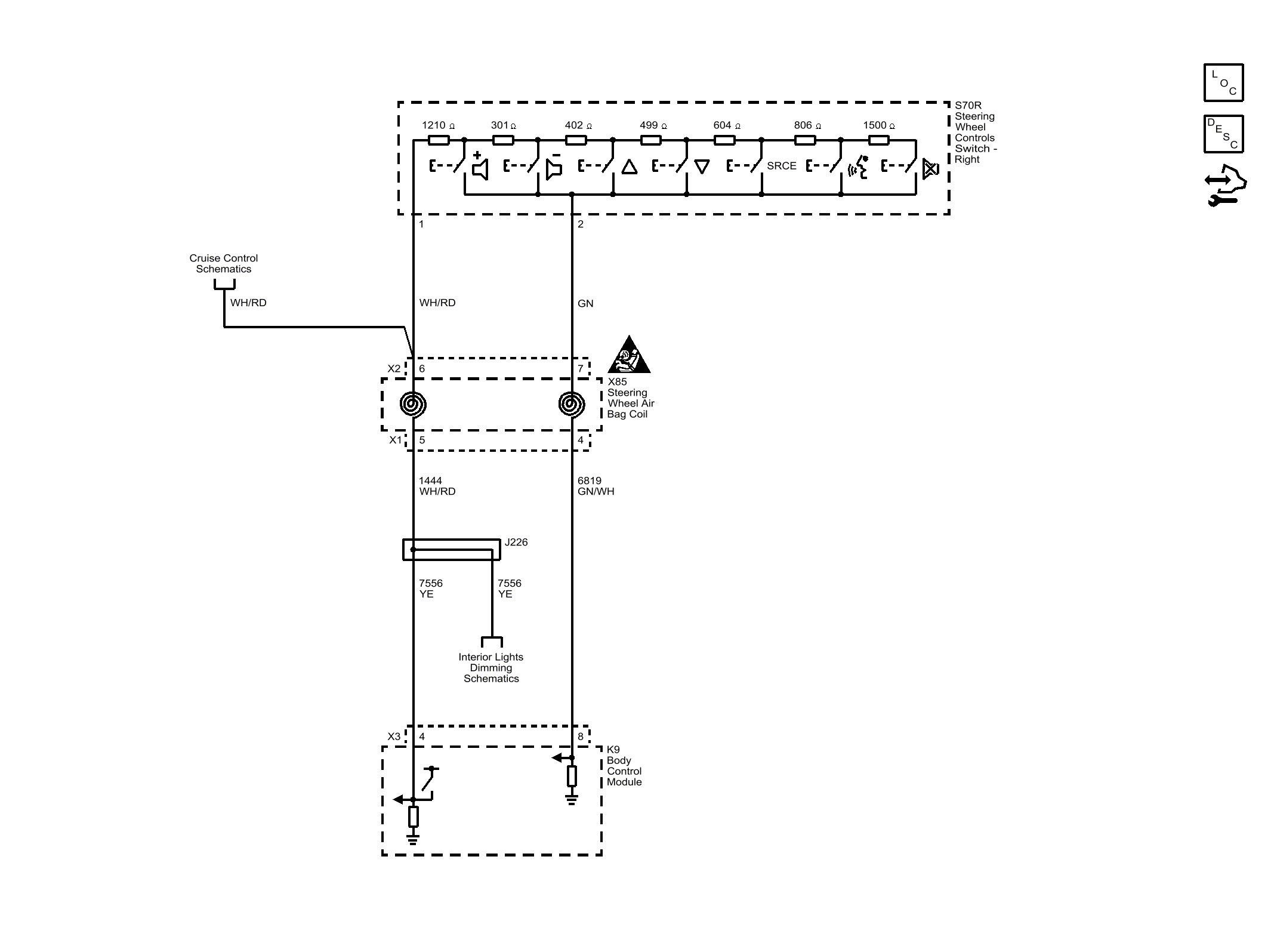
Steering Wheel Secondary/Configurable Controls

Fig 1: Steering Wheel Secondary/Configurable Controls
GM4082278Courtesy of GENERAL MOTORS COMPANY