LEMON Manuals: Even more car manuals for everyone: 1960-2025
Home >> Buick >> 2016 >> Verano Base, Gas/Ethanol >> Repair and Diagnosis >> External Pages >> Different car >> Section 75 (Cellular System, Entertainment System, And Navigation System) >> Schematic Wiring Diagrams >> Radio/Navigation System Wiring Schematics >> Display (UDY) and Antenna
April 5, 2026: LEMON Manuals is launched! Read the announcement.

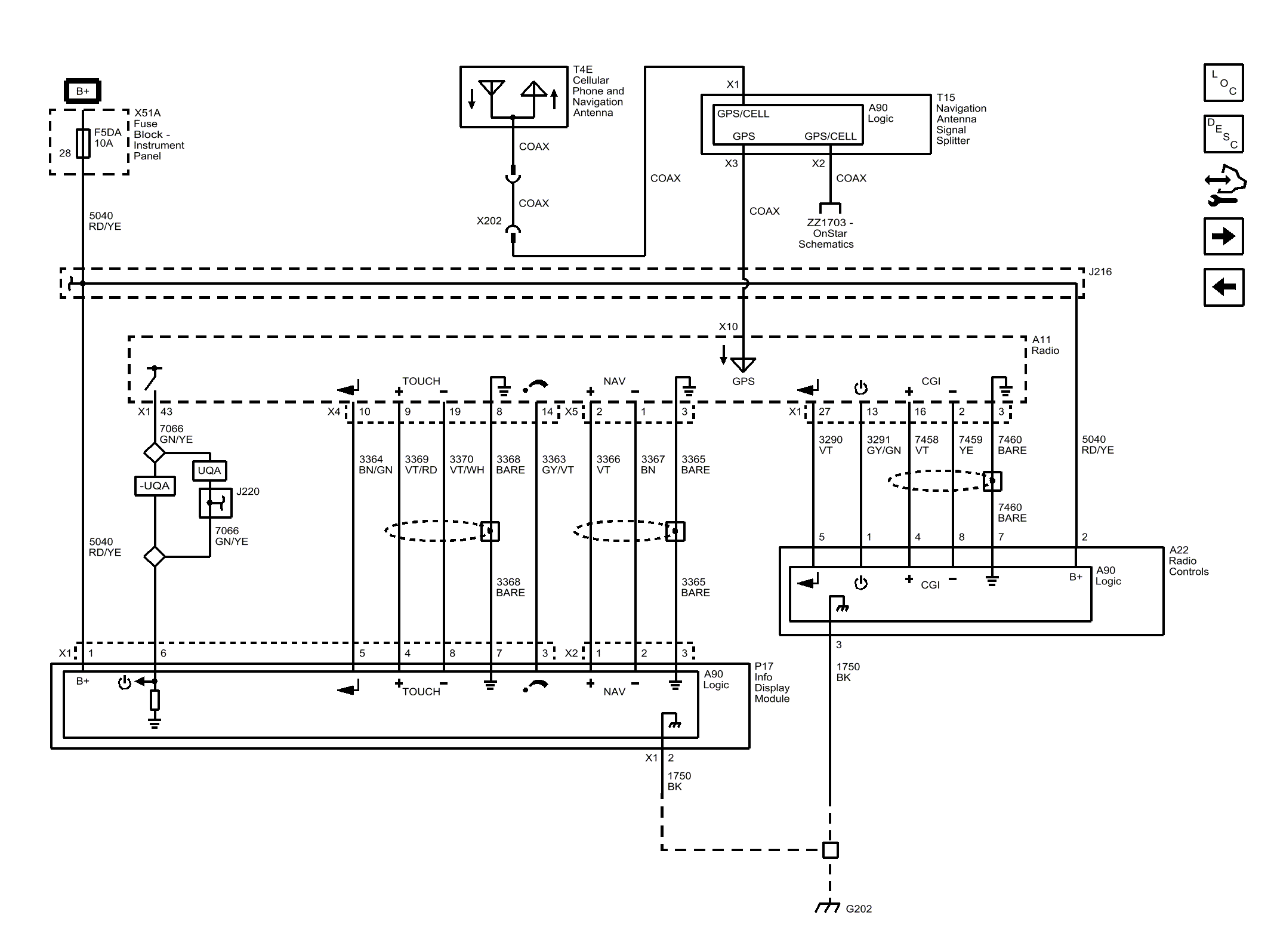
Display (UDY) and Antenna

WARNING: This page is about a different car, the 2015 Buick Verano. However, it is still accessible from the selected car via links, so may be relevant.
Fig 1: Display (UDY) and Antenna
GM3802014Courtesy of GENERAL MOTORS COMPANY