LEMON Manuals: Even more car manuals for everyone: 1960-2025
Home >> Buick >> 2017 >> Envision Base >> Repair and Diagnosis >> Accessories & Equipment >> Entertainment Systems >> Cellular System, Entertainment System, And Navigation System >> Schematic Wiring Diagrams >> Radio/Navigation System Wiring Schematics >> Auxiliary Audio Input - Power, Ground, and Connections
April 5, 2026: LEMON Manuals is launched! Read the announcement.

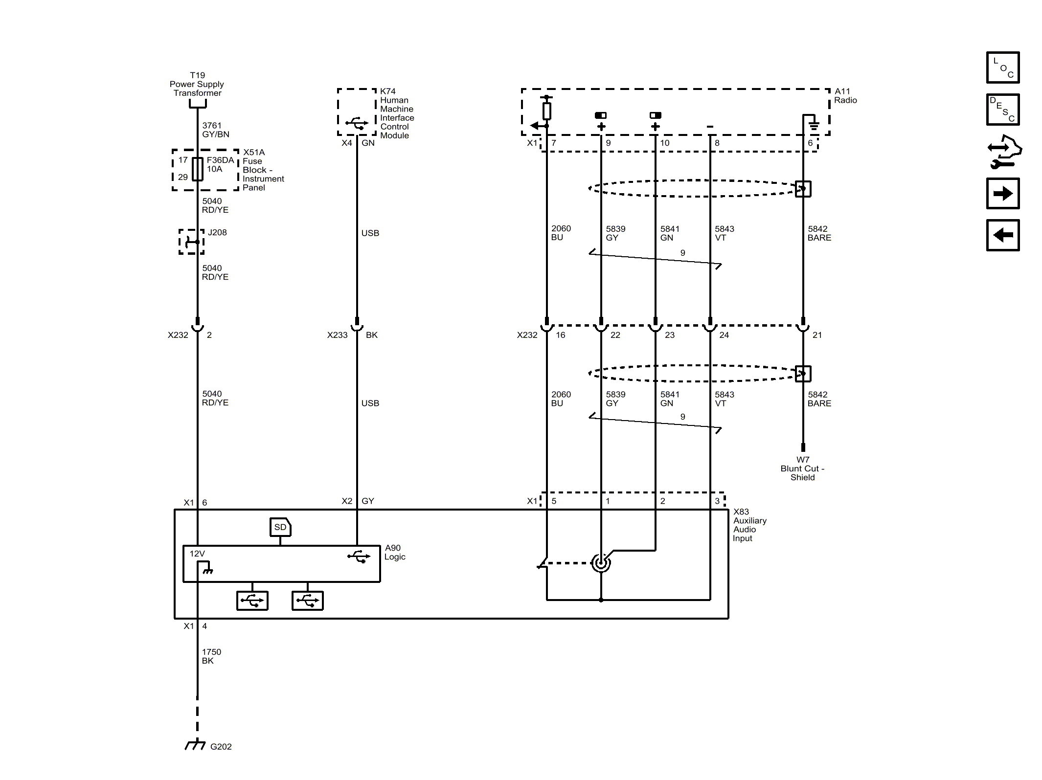
Auxiliary Audio Input - Power, Ground, and Connections

Fig 1: Auxiliary Audio Input - Power, Ground, and Connections
GM4493693Courtesy of GENERAL MOTORS COMPANY