LEMON Manuals: Even more car manuals for everyone: 1960-2025
Home >> Buick >> 2017 >> Envision Essence, AWD >> Repair and Diagnosis >> Accessories & Equipment >> Collision/Avoidance >> Object Detection System And Pedestrian Protection System >> Schematic Wiring Diagrams >> Object Detection Wiring Schematics >> 360 Degree Vision - Power, Ground, and Serial Data (UVH)
April 5, 2026: LEMON Manuals is launched! Read the announcement.

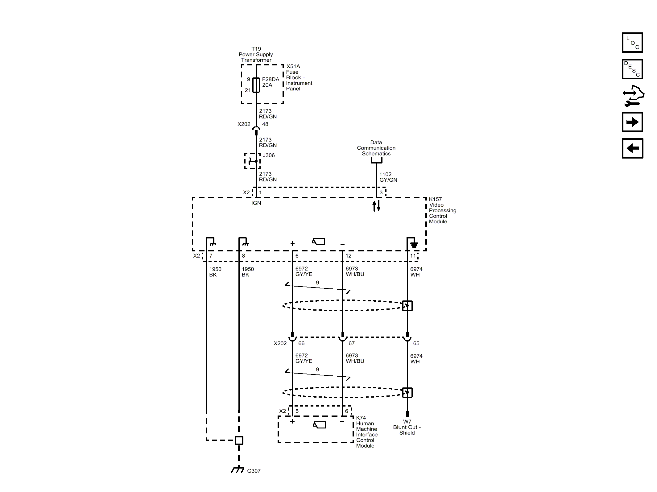
360 Degree Vision - Power, Ground, and Serial Data (UVH)

Fig 1: 360 Degree Vision - Power, Ground, and Serial Data (UVH)
GM4493011Courtesy of GENERAL MOTORS COMPANY