LEMON Manuals: Even more car manuals for everyone: 1960-2025
Home >> Buick >> 2017 >> Envision Preferred, AWD >> Repair and Diagnosis >> Accessories & Equipment >> Drivers Assistance Systems - ADAS >> Object Detection System And Pedestrian Protection System >> Schematic Wiring Diagrams >> Object Detection Wiring Schematics >> 360 Degree Vision - Side Vision Cameras (UVH)
April 5, 2026: LEMON Manuals is launched! Read the announcement.

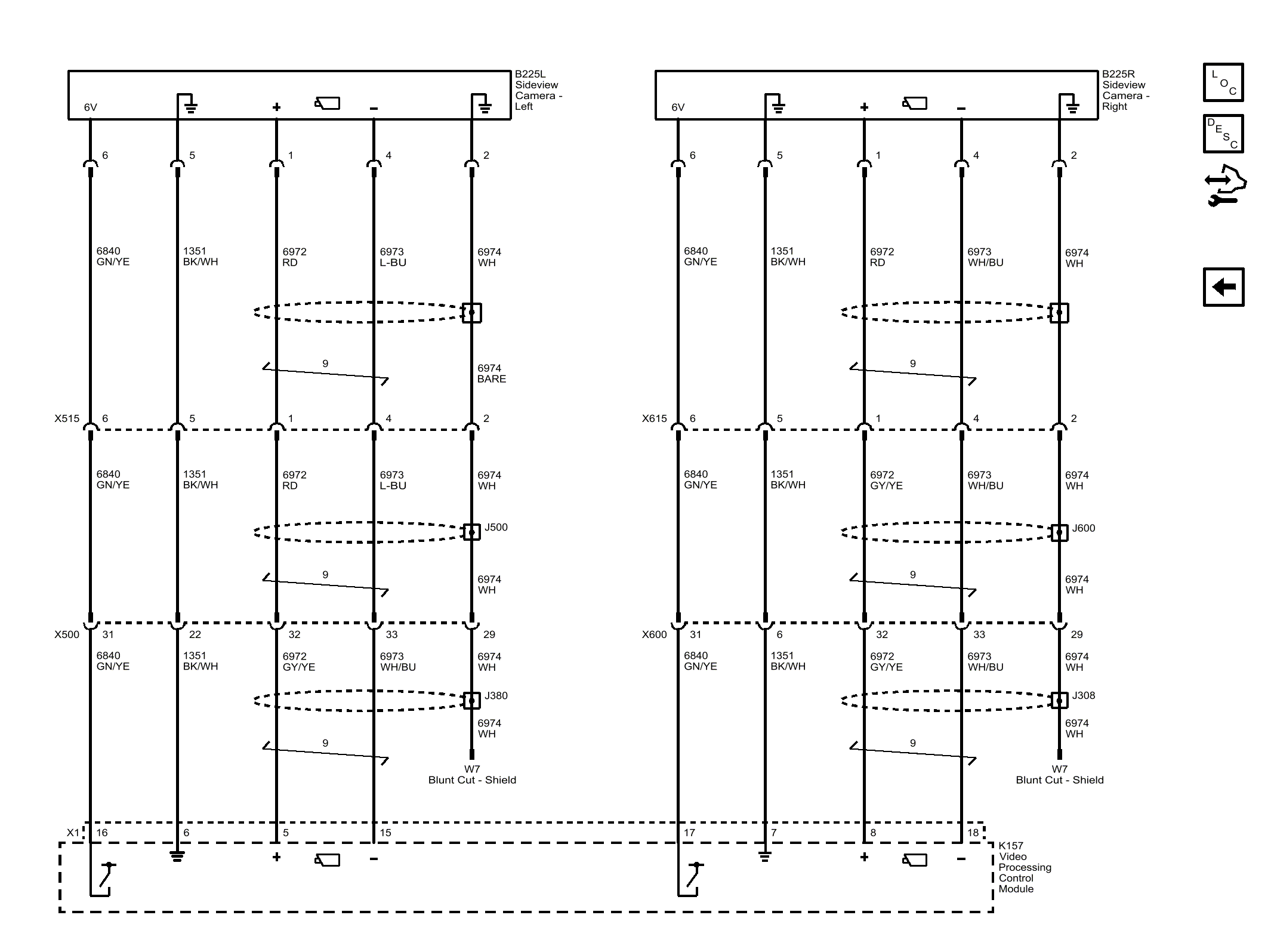
360 Degree Vision - Side Vision Cameras (UVH)

Fig 1: 360 Degree Vision - Side Vision Cameras (UVH)
GM4492994Courtesy of GENERAL MOTORS COMPANY