LEMON Manuals: Even more car manuals for everyone: 1960-2025
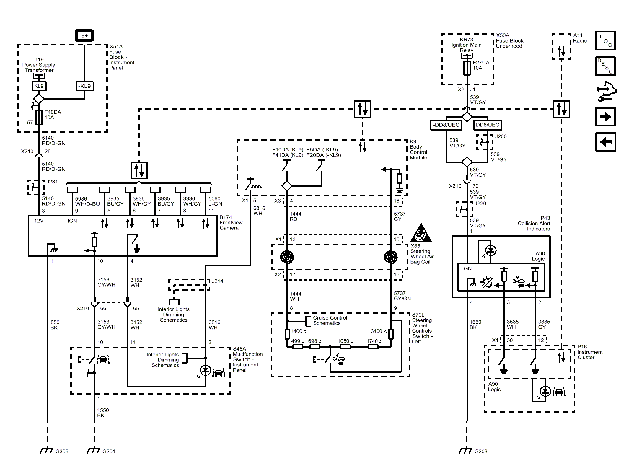
Home >> Buick >> 2017 >> LaCrosse Base >> Repair and Diagnosis >> Accessories & Equipment >> Drivers Assistance Systems - ADAS >> Object Detection System And Pedestrian Protection System >> Schematic Wiring Diagrams >> Object Detection Wiring Schematics >> Lane Keep Assist (UHX) and Forward Collision Alert (UEU)
April 5, 2026: LEMON Manuals is launched! Read the announcement.

Lane Keep Assist (UHX) and Forward Collision Alert (UEU)

Fig 1: Lane Keep Assist (UHX) and Forward Collision Alert (UEU)
GM4298508Courtesy of GENERAL MOTORS COMPANY