LEMON Manuals: Even more car manuals for everyone: 1960-2025
Home >> Buick >> 2017 >> LaCrosse Base >> Repair and Diagnosis >> Accessories & Equipment >> Entertainment Systems >> Cellular System, Entertainment System, And Navigation System >> Schematic Wiring Diagrams >> Radio/Navigation System Wiring Schematics >> Radio Power, Ground and Serial Data
April 5, 2026: LEMON Manuals is launched! Read the announcement.

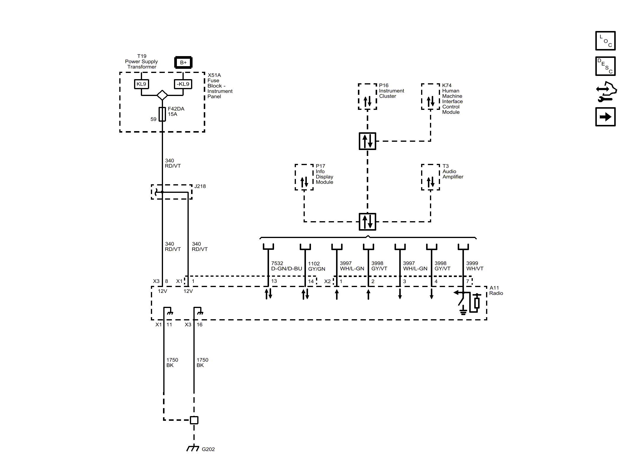
Radio Power, Ground and Serial Data

Fig 1: Radio Power, Ground and Serial Data
GM4322009Courtesy of GENERAL MOTORS COMPANY