LEMON Manuals: Even more car manuals for everyone: 1960-2025
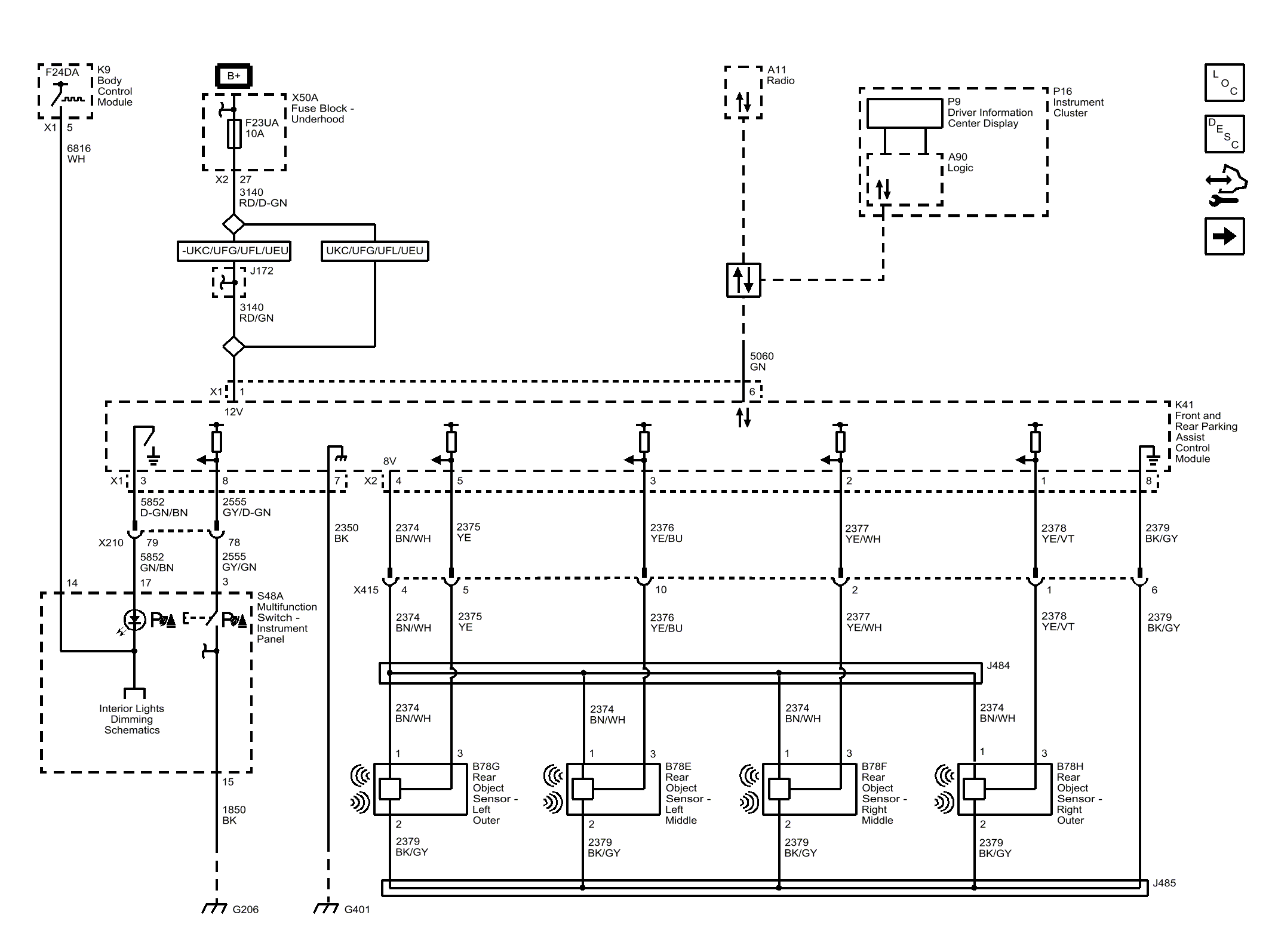
Home >> Buick >> 2017 >> Regal Premium, AWD >> Repair and Diagnosis >> Accessories & Equipment >> Drivers Assistance Systems - ADAS >> Object Detection System And Pedestrian Protection System >> Schematic Wiring Diagrams >> Object Detection Wiring Schematics >> Power, Ground, On/Off Switch, and Rear Sensors (UD5/UD7 except CZ2)
April 5, 2026: LEMON Manuals is launched! Read the announcement.

Power, Ground, On/Off Switch, and Rear Sensors (UD5/UD7 except CZ2)

Fig 1: Power, Ground, On/Off Switch, and Rear Sensors (UD5/UD7 except CZ2)
GM4423566Courtesy of GENERAL MOTORS COMPANY