LEMON Manuals: Even more car manuals for everyone: 1960-2025
Home >> Buick >> 2017 >> Verano Base, Gas/Ethanol >> Repair and Diagnosis >> Accessories & Equipment >> Drivers Assistance Systems - ADAS >> Object Detection System And Pedestrian Protection System >> Schematic Wiring Diagrams >> Object Detection Wiring Schematics >> Forward Collision Alert (UEU), Lane Departure Warning (UFL)
April 5, 2026: LEMON Manuals is launched! Read the announcement.

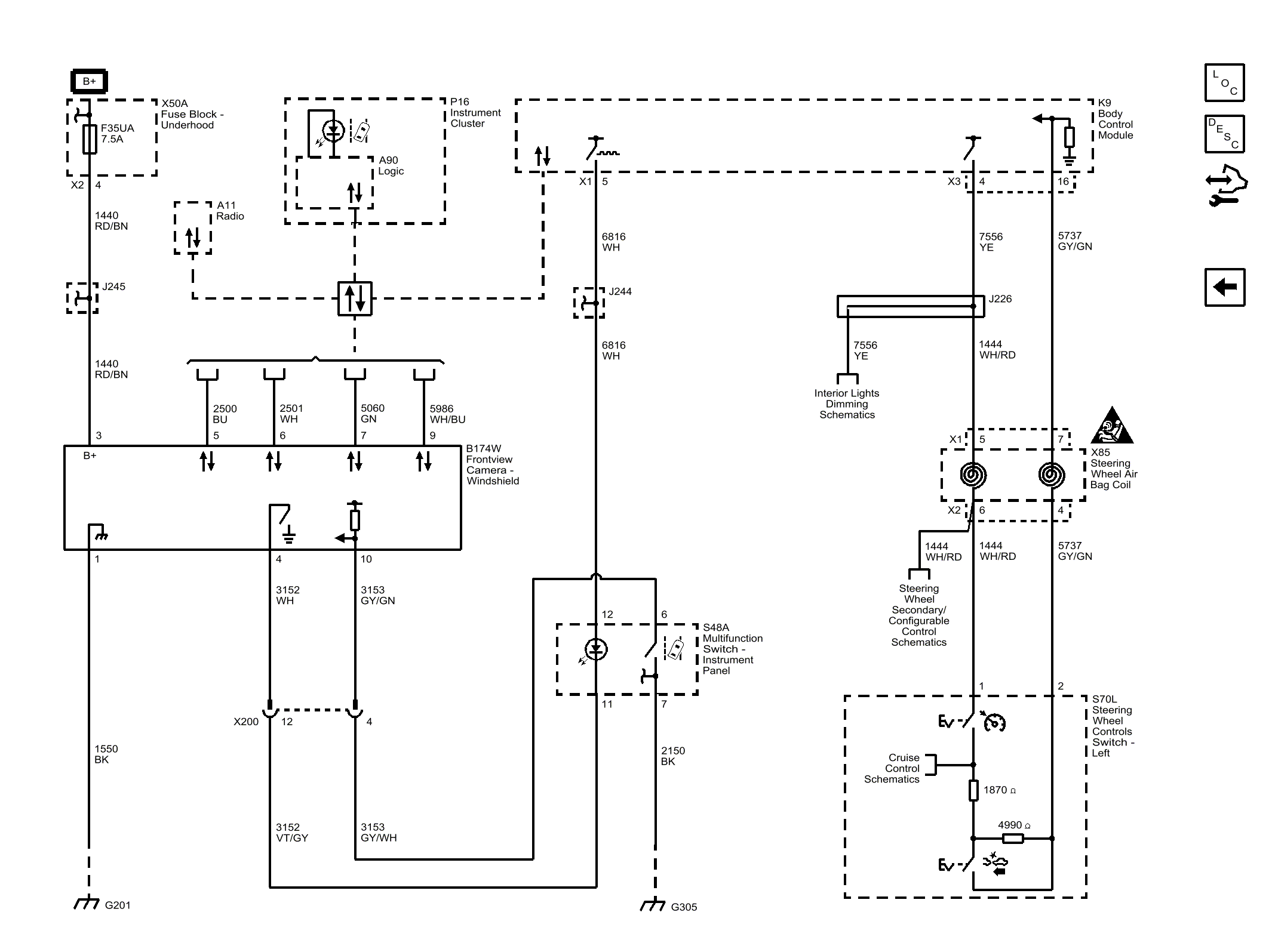
Forward Collision Alert (UEU), Lane Departure Warning (UFL)

Fig 1: Forward Collision Alert (UEU), Lane Departure Warning (UFL)
GM4502852Courtesy of GENERAL MOTORS COMPANY