LEMON Manuals: Even more car manuals for everyone: 1960-2025
Home >> Buick >> 2017 >> Verano Base, Gas >> Repair and Diagnosis (Single Page) >> Accessories & Equipment >> Entertainment Systems >> Cellular System, Entertainment System, And Navigation System >> Schematic Wiring Diagrams >> Radio/Navigation System Wiring Schematics >> Auxiliary Audio Input
April 5, 2026: LEMON Manuals is launched! Read the announcement.

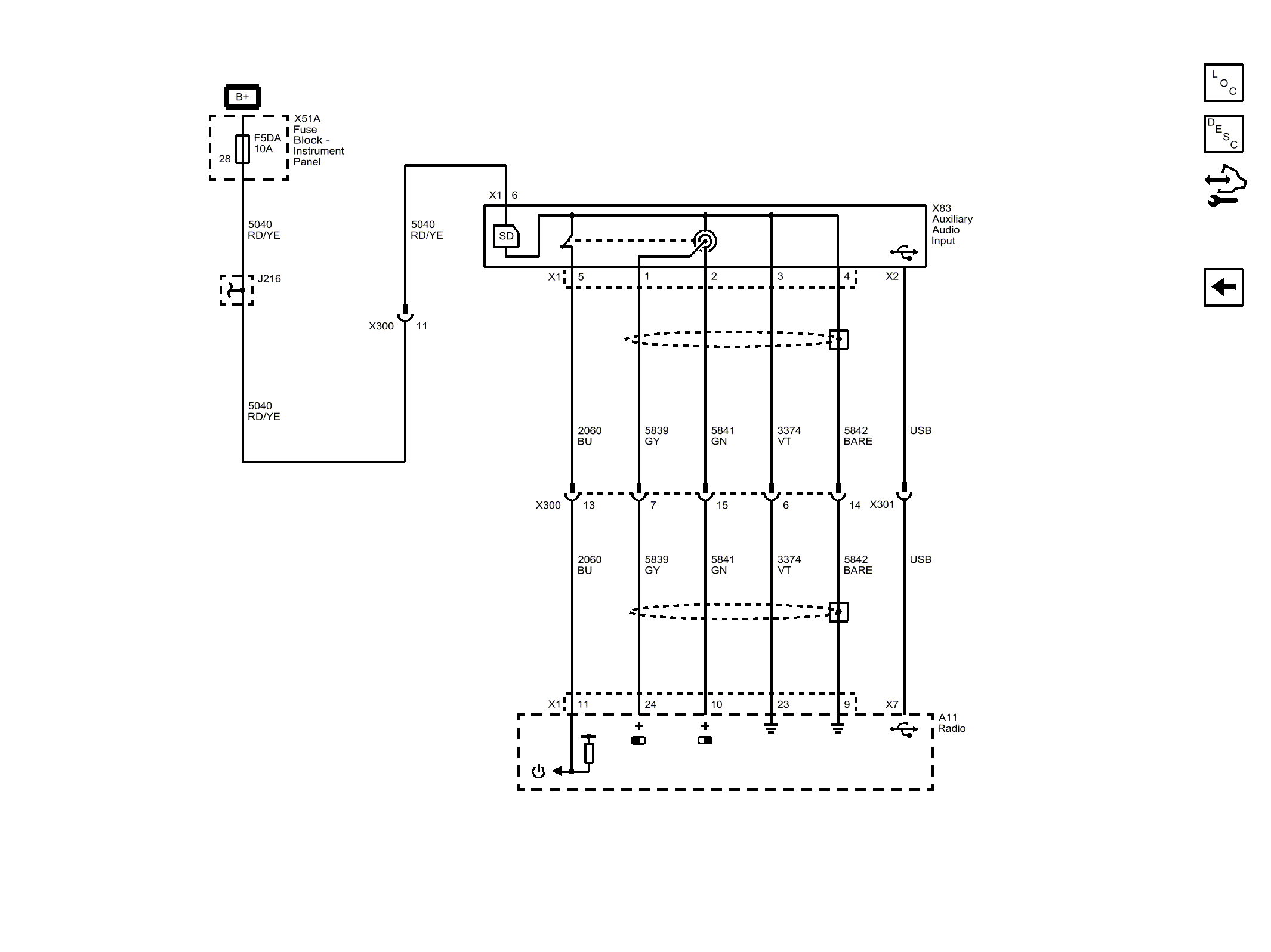
Auxiliary Audio Input

Fig 1: Auxiliary Audio Input
GM4499525Courtesy of GENERAL MOTORS COMPANY