LEMON Manuals: Even more car manuals for everyone: 1960-2025
Home >> Buick >> 2017 >> Verano Base, Gas >> Repair and Diagnosis >> Accessories & Equipment >> Entertainment Systems >> Cellular System, Entertainment System, And Navigation System >> Schematic Wiring Diagrams >> Radio/Navigation System Wiring Schematics >> Power, Ground, Serial Data, Antennas, and Display (UAG)
April 5, 2026: LEMON Manuals is launched! Read the announcement.

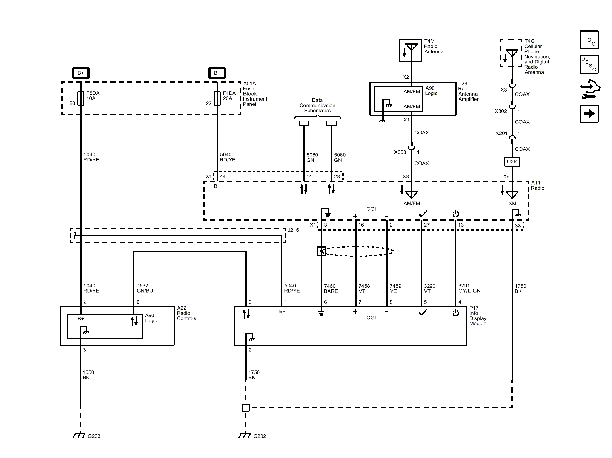
Power, Ground, Serial Data, Antennas, and Display (UAG)

Fig 1: Power, Ground, Serial Data, Antennas, and Display (UAG)
GM4499508Courtesy of GENERAL MOTORS COMPANY