LEMON Manuals: Even more car manuals for everyone: 1960-2025
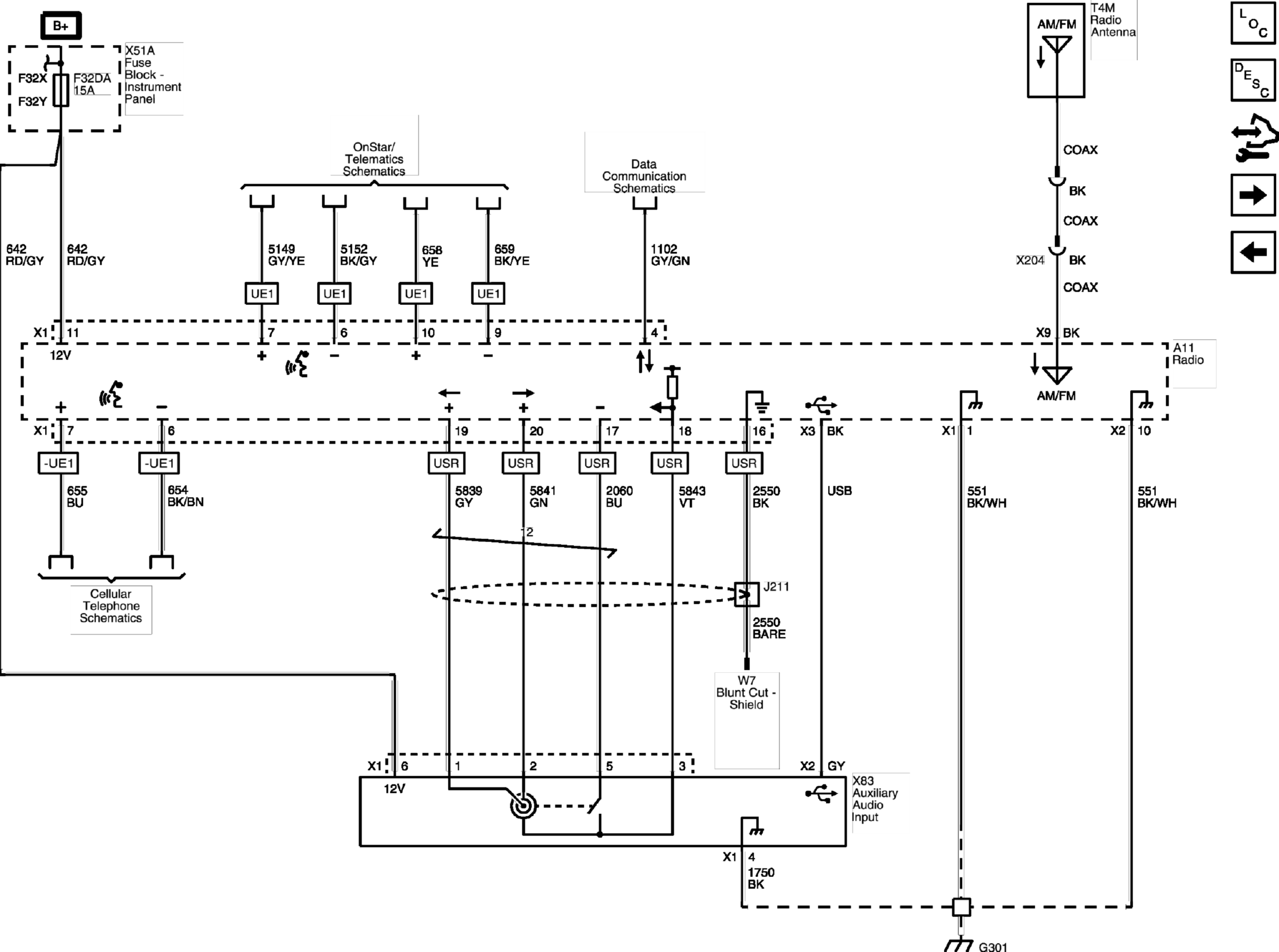
Home >> Buick >> 2019 >> Encore Preferred, AWD >> Repair and Diagnosis (Single Page) >> Accessories & Equipment >> Entertainment Systems >> Cellular System, Entertainment System, And Navigation System - Schematic Wiring Diagrams >> Schematic Wiring Diagrams >> Radio/Navigation System Schematic Wiring Diagrams (Trax) >> Power, Ground, Serial Data, and Audio/Video Inputs (Trax with IOA)
April 5, 2026: LEMON Manuals is launched! Read the announcement.

Power, Ground, Serial Data, and Audio/Video Inputs (Trax with IOA)

GM4918887Courtesy of GENERAL MOTORS COMPANY