LEMON Manuals: Even more car manuals for everyone: 1960-2025
Home >> Buick >> 2019 >> Encore Preferred, AWD >> Repair and Diagnosis >> Accessories & Equipment >> Anti-Theft Systems >> Keyless Entry System And Remote Functions >> Schematic Wiring Diagrams >> Remote Function Schematic Wiring Diagrams (Trax) >> Keyless Entry - Virtual Key (Trax with BOP)
April 5, 2026: LEMON Manuals is launched! Read the announcement.

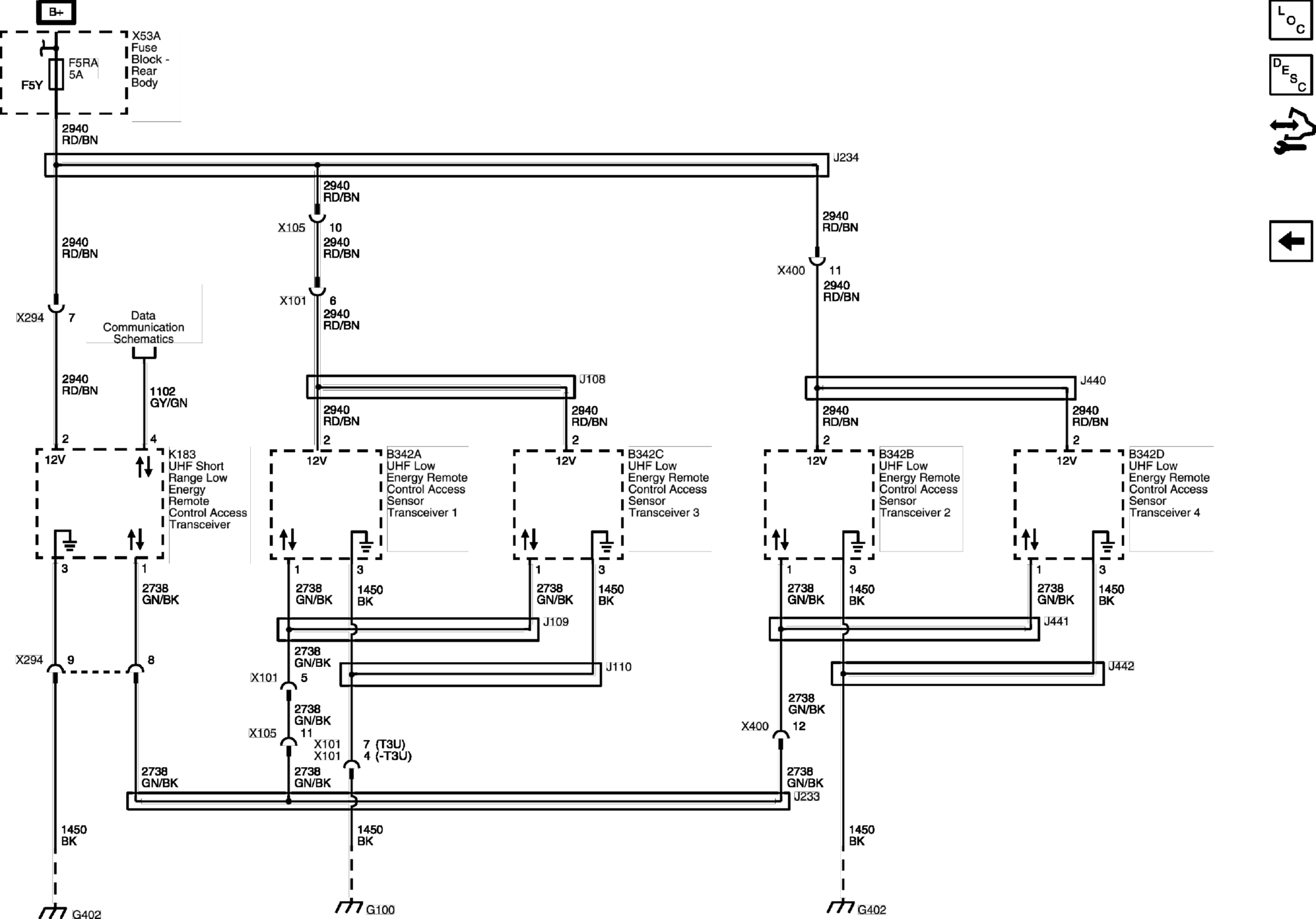
Keyless Entry - Virtual Key (Trax with BOP)

GM5021077Courtesy of GENERAL MOTORS COMPANY