LEMON Manuals: Even more car manuals for everyone: 1960-2025
Home >> Buick >> 2019 >> Envision Base >> Repair and Diagnosis >> External Pages >> Different car >> Section 17 (Power Seat System) >> Schematic Wiring Diagrams >> Driver Seat Wiring Schematics >> Module Power, Ground, Serial Data, and Memory Controls (A45)
April 5, 2026: LEMON Manuals is launched! Read the announcement.

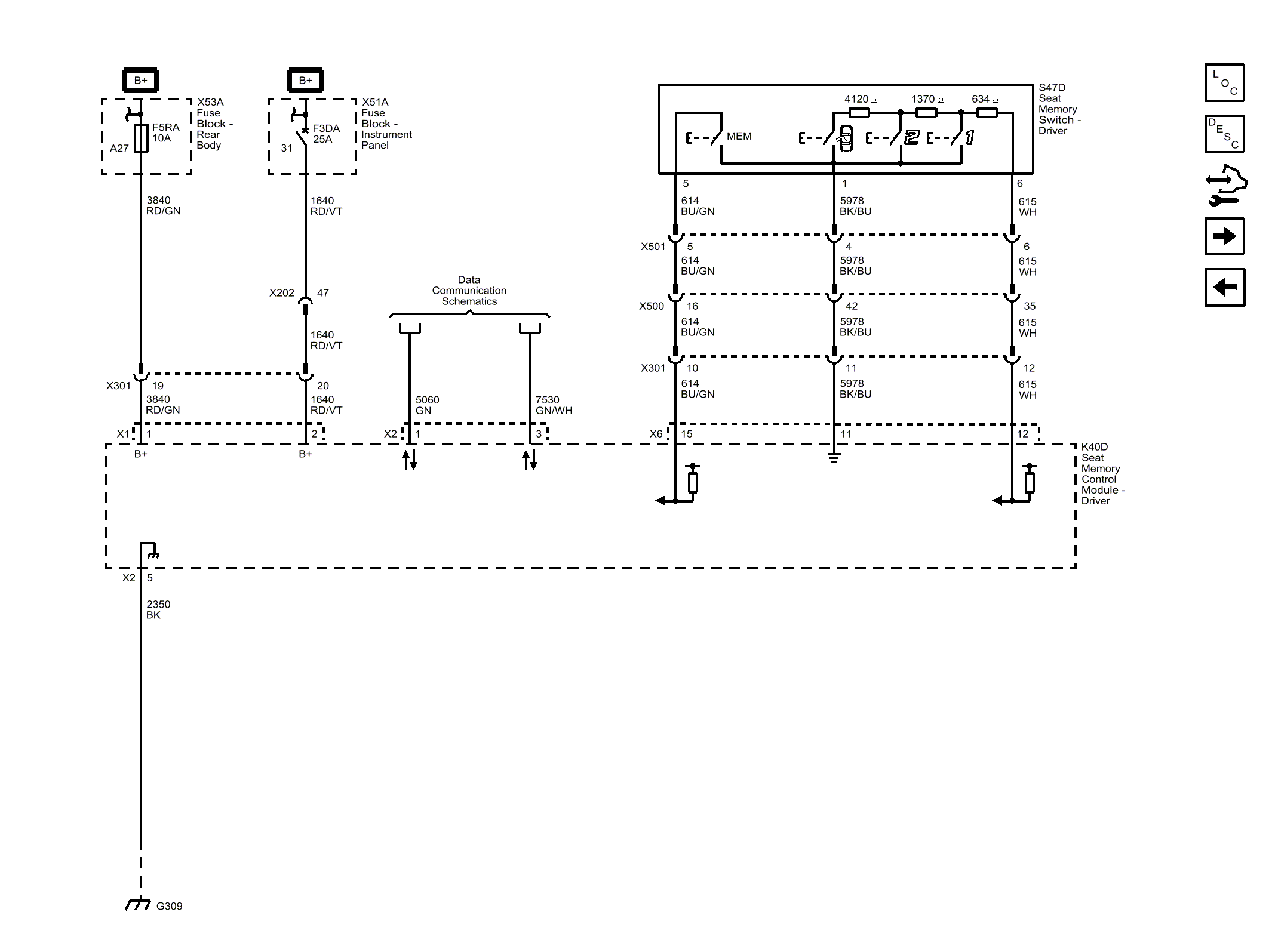
Module Power, Ground, Serial Data, and Memory Controls (A45)

WARNING: This page is about a different car, the 2018 Buick Envision. However, it is still accessible from the selected car via links, so may be relevant.
GM4725055Courtesy of GENERAL MOTORS COMPANY