LEMON Manuals: Even more car manuals for everyone: 1960-2025
Home >> Buick >> 2019 >> Regal Base >> Repair and Diagnosis (Single Page) >> Accessories & Equipment >> Entertainment Systems >> Cellular, Entertainment, And Navigation System >> Schematic Wiring Diagrams >> Radio/Navigation System Wiring Schematics (IOS/IOT) >> Info Display Module
April 5, 2026: LEMON Manuals is launched! Read the announcement.

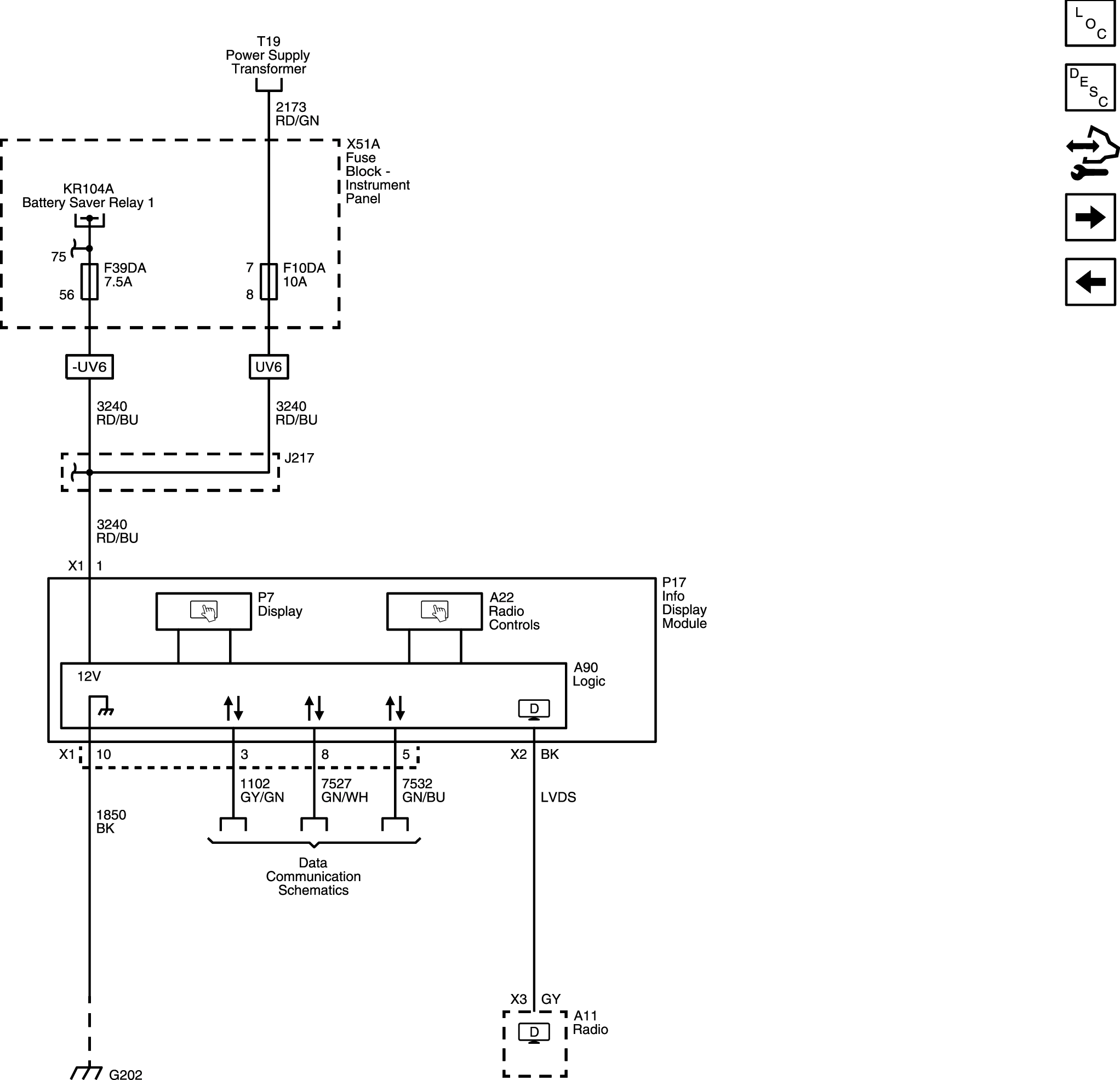
Info Display Module

GM5207494Courtesy of GENERAL MOTORS COMPANY