LEMON Manuals: Even more car manuals for everyone: 1960-2025
Home >> Buick >> 2020 >> Envision Base >> Repair and Diagnosis >> External Pages >> Different car >> Section 182 (Cellular, Entertainment, And Navigation System) >> Schematic Wiring Diagrams >> Radio/Navigation System Wiring Schematics (IOR) >> Auxiliary Inputs
April 5, 2026: LEMON Manuals is launched! Read the announcement.

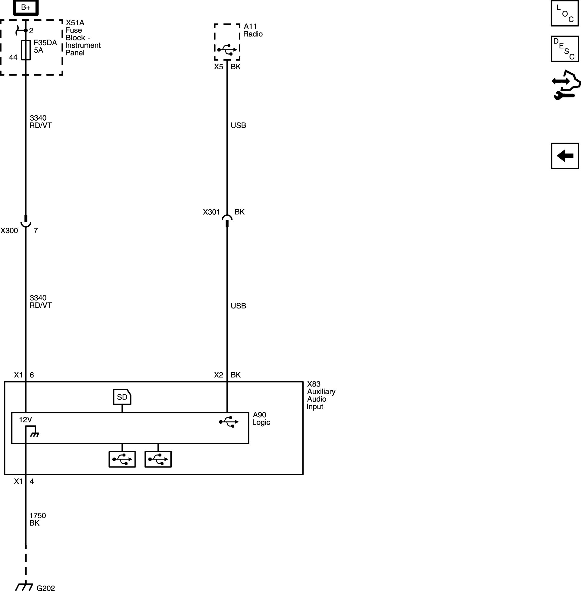
Auxiliary Inputs

WARNING: This page is about a different car, the 2020 Buick Regal TourX, 2020 Buick Regal, 2019 Buick Regal TourX, and 2019 Buick Regal. However, it is still accessible from the selected car via links, so may be relevant.
GM5207473Courtesy of GENERAL MOTORS COMPANY