LEMON Manuals: Even more car manuals for everyone: 1960-2025
Home >> Buick >> 2020 >> Envision Base >> Repair and Diagnosis >> External Pages >> Different car >> Section 50 (Driver Assistance Systems) >> Schematic Wiring Diagrams >> Driver Assistance Systems Wiring Schematics >> Collision Avoidance - Camera and Module Power, Ground and Controls (UGN)
April 5, 2026: LEMON Manuals is launched! Read the announcement.

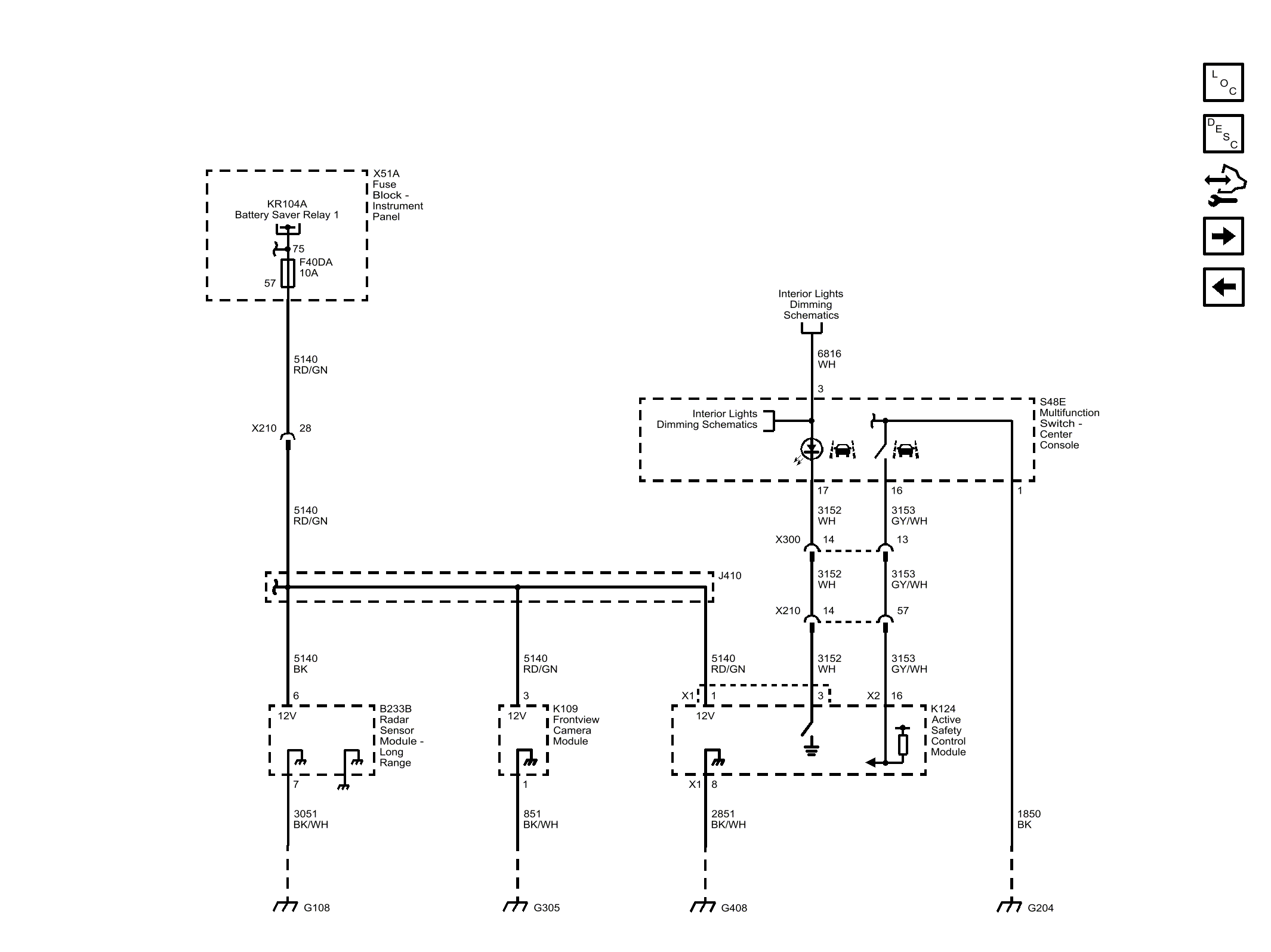
Collision Avoidance - Camera and Module Power, Ground and Controls (UGN)

WARNING: This page is about a different car, the 2018 Buick Regal TourX and 2018 Buick Regal. However, it is still accessible from the selected car via links, so may be relevant.
GM4776592