LEMON Manuals: Even more car manuals for everyone: 1960-2025
Home >> Buick >> 2020 >> Envision Preferred, AWD >> Repair and Diagnosis (Single Page) >> Accessories & Equipment >> Entertainment Systems >> Cellular, Entertainment, And Navigation System >> Schematic Wiring Diagrams >> OnStar/Telematics Wiring Schematics >> Telematics Communication Interface Control Module
April 5, 2026: LEMON Manuals is launched! Read the announcement.

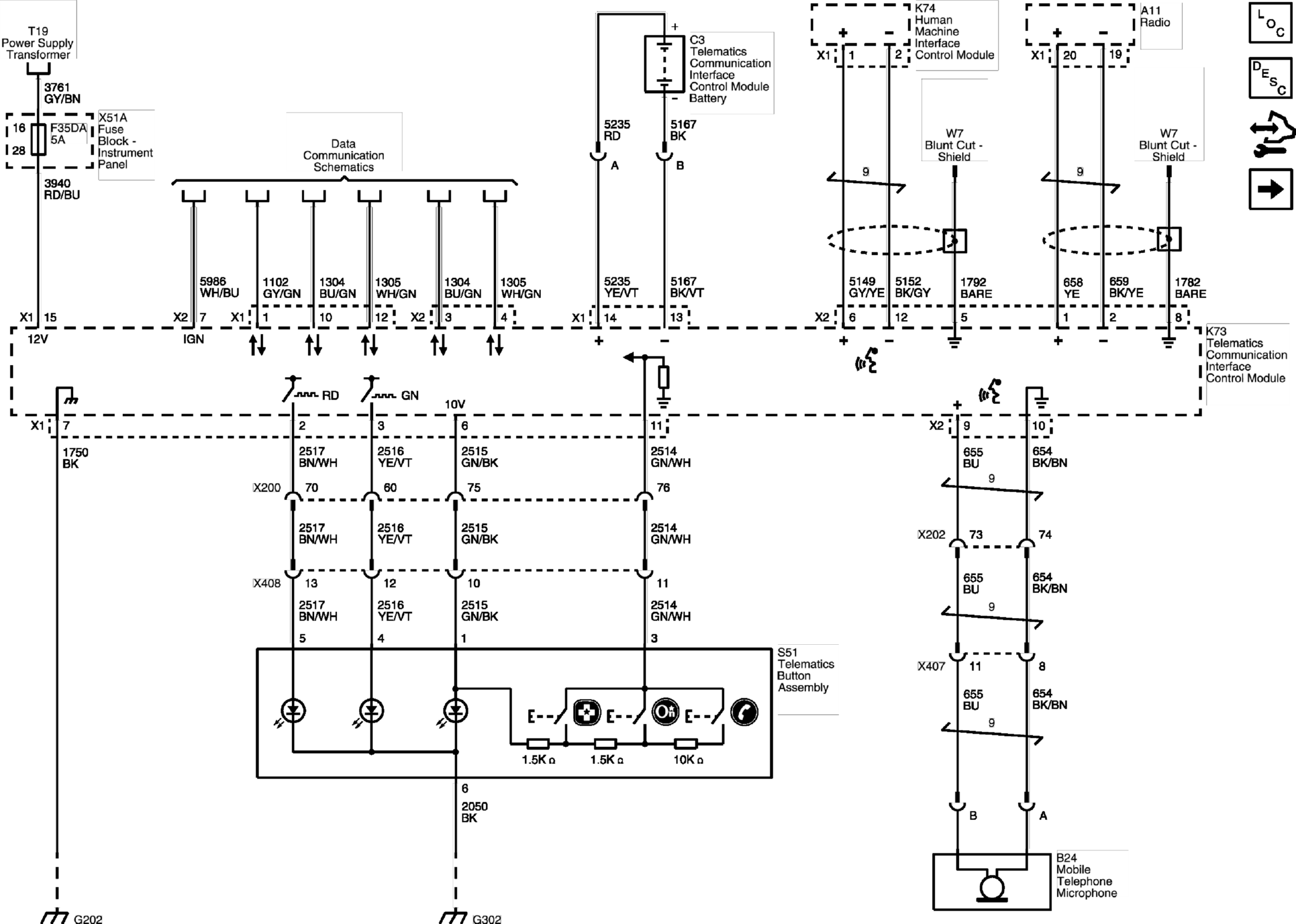
Telematics Communication Interface Control Module

GM5156235Courtesy of GENERAL MOTORS COMPANY